- 開關電源的工作原理、結構及其特性
- 中小功率綠色開關電源的設計與研究
- 利用功率因數校正電路
- 利用功率隔離變換器
- 采用同步整流電路
中小功率開關電源以其諸多優良的性能,在測控儀器儀表、通信設備、學習與娛樂等諸多電子產品中得到廣泛的應用。隨著環境和能源問題日益突出,人們對電子產品的環保要求不斷提高,對電子產品的能源效率更加關注。設計無污染、低功耗、高效率的綠色模式電源已成為開關電源技術研究的熱點。
本文研究一種中小功率開關電源,應用過渡模式有源功率因數校正、準諧振變頻功率隔離變換控制和同步整流等多種先進的電源控制技術,以實現綠色開關電源設計的目的。
1 系統結構與工作原理
所研究的開關電源結構如圖1所示,采用兩級PFC結構,由PFC預變換器、隔離變換器和同步整流電路組成的DC/Dc變換器以及檢測與保護電路組成。交流電壓經整流后先輸入到PFC預變換器進行功率因數校正變換,再由電源控制電路控制隔離變換器,將直流電壓轉換成高頻交流脈沖電壓,此脈沖電壓經同步整流器整流、濾波電路濾波后,得到所需的直流。

圖1 開關電源結構框圖
由于整流電路中二極管等非線性元件的作用,導致輸入的交流電壓雖然是正弦波,但輸入的交流電流
波形嚴重畸變,降低了輸入電路的功率因數,增加了線路電能損耗,而且還會產生大量諧波污染電網。解決上述問題的關鍵是改善輸入電流波形。這里采用boost有源功率因數校正技術,由boost變換器和以UCC38050為中心的PFC控制電路組成功率因數校正級,通過對電感電流的控制,在交流輸入端產生
一個跟蹤正弦輸入電壓波形的正弦電流,實現功率因數校正,使輸入電路功率因數接近于l。電流波形
校正原理如圖2所示,電感電流波形高頻脈動且臨界連續,通過相應的控制,在半個工頻周期內,使電
感中電流的平均值跟隨全波整流電壓基準值,其包絡線呈正弦波形,且相位與電壓相同。圖中,iL為
電感電流,iA為電感平均電流,ip為電感電流峰值包絡線。
[page]

圖2 電感電流
降低開關電源功耗的主要途徑是降低開關損耗和控制電路功耗。減少控制電路功耗可通過選擇功耗低、功能強、所需外部元件少的控制芯片及簡化外部控制電路來實現。這里主要討論降低開關損耗的措施。許多電子產品在使用中常處于輕載或待機狀態,而開關電源*率開關管的開關頻率都很高,當開關電源工作在輕載或待機狀態下時,開關損耗成為主要損耗,相對損耗大大增加,效率降低。降低輕載損耗的有效方法是在輕載狀態下降低開關電源的開關頻率,從而使輕載效率保持與滿載時相同。圖1中,隔離變換控制電路采用準諧振電源控制器FA5531P及外圍元件構成。FA5531P的開關頻率不是由他激振蕩器決定的固定開關頻率,而是由自激振蕩決定。芯片在正常負載時保持固定頻率的準諧振開關狀態,輕載時自動降低開關頻率以減少空載損耗,最低開關頻率可降至1KHz,FA5531P開關頻率與輸出功率關系如圖3所示。FA5531P的另一個特點是具有內部啟動電路,從而也降低了待機功耗。FA5531P自身功耗很低,工作電流僅1.5mA,集成度高,只需極少的外部元件。
開關器件的寄生電容是引起開關損耗的重要因素。功率MOSFET的阻斷電壓較大,開通過程中,因寄生電容的存在而引入的損耗也大。因此設計了谷底檢測電路探測功率開關管的電壓谷底,以控制開關管的零電壓開通,減小寄生電容引入的損耗,提高轉換效率。

圖3 開關頻率/負載特性
整流采用同步整流技術,與快恢復二極管整流比較,同步整流采用通態電阻極低的專用功率MOSFET,同步控制功率MOSFET零電壓開通,不但功耗低,還可降低噪音。由于電流越小功率MOSFET導通壓降越低,這一特性對于改善輕載效率尤為有效。同步整流控制采用同步整流控制器控制,采用在零電流時自動關斷外部功率開關的軟開關技術,減少了開關損耗,不需要另外的待機模式就可在控制運行時保持高效率。具有高精度內部參考電壓,內部集成了輸出電壓和輸出電流調節電路,可以方便地對輸出電壓或輸出電流進行反饋控制。作為一款綠色芯片,不但自身功耗低(最大功耗不超過0.5W),而且從空載到滿載都具有高的變換效率。
[page]

圖4 功率因數校正電路
2 開關電源電路設計
2.1 功率因數校正電路
功率因數校正電路原理如圖4所示。電路中,電感L、功率MOS開關管Vo、二極管Do和電容Co組成Boost變換器。電阻分壓器RAc1和RAc2對輸入電壓波形取樣,獲得輸入電壓前饋信號,作為控制芯片UCC38050內部乘法器的一個輸入,與電源反饋信號一起生成電感電流參考信號。電阻Rzc將電感電流過零信號輸入芯片,以控制開關管零電流開通。電阻Rs1檢測開關管電流,輸出電壓經Ro1和Ro2分壓后反饋給芯片。這些信號輸入芯片后,經過UCC38050內部運算與控制,形成PWM控制信號,控制開關管通斷,使電流波形跟蹤電壓波形,實現功率因數校正。
2.2 功率隔離變換器
功率隔離變換器電路如圖5所示,由控制電路和反激式變換器組成。圖中,變壓器輔助繞組LZ、電阻RZCD、電容CzcD組成谷底探測電路,為控制芯片FA5531提供谷底檢測信號。光電耦合器N1次級將輸出電壓反饋信號輸入控制芯片。電路啟動后,FA5531輸出驅動信號使V1導通,V1電流上升,此電流由Rs檢測輸入到控制芯片的IS引腳,與由反饋輸入FB引腳的電壓決定的參考電壓進行比較,達到參考電壓時,V1關斷,變壓器繞組電壓反相,變壓器初級電感向次級負載饋送能量。當向次級饋送能量過程結束時,次級電流下降到零。變壓器漏感與開關管寄生電容Cd構成了諧振電路,變壓器輔助繞組感應此諧振電路的諧振電壓,并輸入到FA5531P的ZCD引腳。當次級電流下降到零時,諧振電路的諧振電壓迅速下降,輔助繞組的感應電壓也迅速下降,當ZCD引腳上的電壓降至谷底探測閾值時,FA5531P驅動輸出使V1重新導通。由于電阻RzcD、電容CzcD會引入延時,選擇合適的RzcD、CzcD值,就可實現V1零電壓開通。

圖5 隔離變換電路
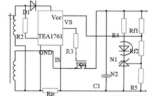
2.3 同步整流電路
采用TEAl761T的同步整流電路如圖6所示。同步信號SRSENSE直接取自高頻變壓器次級,R3是輸出電流取樣電阻,通過選擇合適的R3的阻值,可控制最大輸出電流。TEA1761T具有欠電壓鎖定和啟動功能,D2為TEA1761T提供電源,同時檢測輸出電壓,當Vcc引腳電壓高于8.6V,TEA1761T激活同步整流電路和輸出電壓與輸出電流檢測電路。當電壓低于8.1v時,則進入欠電壓鎖定狀態,驅動輸出保持低電平,光耦反饋輸出被封鎖。

圖6 同步整流電路
分路整流器7*31、光電耦合器N1和分壓電阻等組成輸出電壓反饋回路,將開關電源次級輸出電壓與參考電壓的偏差反饋給初級的控制電路,調節隔離變換器功率開關占空比,穩定開關電源輸出電壓。7*31提供高精度基準電壓,分壓電阻對輸出電壓采樣,與基準電壓比較,其偏差被放大并改變光電耦合器輸出,實現反饋。用7*31取代復雜的誤差放大電路,簡化了反饋電路結構。
系統利用芯片具有多種保護功能,設計了過電壓保護、欠電壓鎖定、過電流保護、過熱保護等保護電路以提高系統的可靠性,具體電路從略。
3 測試結果
對所設計的開關電源樣機進行了測試,樣機額定輸出電壓24V,額定輸出電流3A。測試中負載電阻10Ω,當輸入電壓范圍90~265V內時,功率因數λ≥0.985,電源效率η≥91.5%,THD≤4.25%。表1是待機與輕載時的功耗測試結果。
4 結束語
在所設計開關電源中,所選用的芯片功耗低、功能強,所需外部元件少,簡化了電路結構。系統中綜合了多種先進的電源控制技術,從各個環節降低開關電源損耗,保持從輕載到滿載都具有高的系統效率。采用的兩級變換器分別有自己的控制環節,所以既能保持穩定的輸出電壓,又有良好的動態性能,可滿足對電源性能要求較高的應用場合,如用作各種自動測控儀器的電源。




