【導讀】開關電源有兩種,由于電流模式開關電源的功率損耗問題使得其在大電流和高密度應用中出現了問題,本文主要描述以超低電感器DCR采樣的電流模式開關電源實現高效率和高可靠性。
當電流模式開關電源與電壓模式開關電源相比時,前者有幾種優勢:(1)高可靠性,具快速、逐周期電流采樣和保護能力;(2)簡單和可靠的環路補償,全部用陶瓷輸出電容器就可穩定;(3)在大電流多相(PolyPhase®)電源中易于實現準確的均流。在大電流應用中,電流采樣組件中的功率損耗是一個令人擔憂的問題,因此采樣組件的電阻必須盡可能低。問題是低電阻采樣組件會使信噪比降低,因此在大電流和高密度應用中,開關抖動就成了問題。
凌力爾特的LTC3866就解決了這個問題,使用該器件可以建立可靠和電流采樣電阻<0.5mΩ的電流模式開關電源。這款單相同步降壓型控制器用內置柵極驅動器驅動所有N溝道電源MOSFET開關。該器件采用一種獨特的架構,可提高電流采樣信號的信噪比,從而允許使用DC電阻(DCR)非常低的功率電感器或電阻值非常低的電流采樣電阻器,以最大限度地提高大電流應用的效率。這種特性可降低在DCR很低的應用中常見的開關抖動。
這款控制器具備4.5V至38V的寬輸入范圍;運用準確度為0.5%的基準進行遠端輸出電壓采樣;運用電感器DCR采樣時,提供可編程和溫度補償的電流限制;短路軟恢復時沒有過沖;芯片過熱停機。就電信系統、工業和醫療儀器、以及DC配電系統而言,LTC3866為高效率、高功率密度和高可靠性解決方案的設計提供了方便。該控制器采用低熱阻24引線4mmx4mmQFN和24引線裸露焊盤FE封裝。
特點
LTC3866采用恒定頻率峰值電流模式控制架構,從而可確保逐周期峰值電流限制和不同電源之間的均流。
該器件尤其適用于低壓、大電流電源,因為其獨特的架構能提高電流檢測電路的信噪比。這允許LTC3866能以由DCR非常低(1mΩ或更低)的電感器產生小的采樣信號工作,這在大電流電源中可提高電源效率。提高信噪比可最大限度地減小由開關噪聲引起的抖動,而這有可能使信號產生訛誤。憑借精心的PCB布局,LTC3866可對低至0.2mΩ的DCR值采樣,盡管在這種極端情況下,應該額外考慮PCB和焊料電阻。
如圖1所示,LTC3866有兩個正的采樣引腳(SNSD+和SNSA+)以采集信號,并在內部對信號進行處理,這在響應低壓采樣信號時,可使信噪比改善14dB(5倍)。電流限制門限仍然是電感器峰值電流及其DCR值的函數,而且可以用ILIM引腳以5mV的步進在10mV至30mV的范圍內準確設定。在整個溫度范圍內,器件至器件的電流限制誤差僅約為1mV。

圖1:具超低電感器DCR的LTC3866電流采樣電路。大電流通路用粗線顯示
PLACE C1, C2 NEXT TO IC:靠近 IC 放置 C1 和 C2
PLACE R1, R2 NEXT TO INDUCTOR:靠近電感器放置 R1 和 R2
SNSD+通路的濾波器時間常數R1xC1應該等于輸出電感器的L/DCR,而SNSA+通路的濾波器應該有5倍于SNSD+的帶寬,也就是R2xC2=R1xC1/5。一個可選的附加溫度補償電路保證在很寬的溫度范圍內實現準確的電流限制,這在DCR采樣中尤其重要。
LTC3866還具備精確的0.6V基準,而且其保證的容限為±0.5%,這就可以提供0.6V至3.5V的準確輸出電壓。其差分遠端VOUT采樣放大器使LTC3866非常適用于低壓、大電流應用。
[page]
應用
圖2顯示了一款以非常低的DCR完成采樣的高效率、1.5V/30A降壓型轉換器。在這個設計中采用了一個DCR=0.32mΩ的電感器,以最大限度地提高效率。

圖2:以非常低的DCR完成采樣的高效率、1.5V/30A降壓型轉換器
不同工作模式的效率如圖3所示。在12V輸入電壓時,滿負載效率高達90.3%。與采用1mΩ采樣電阻器和具備相同功率級設計的電源相比,這大約改善了1.4%。在沒有任何空氣流動時,熱點(底部MOSFET)的溫度僅上升39.6°C(如圖4所示)。在這張圖中,環境溫度大約為23.8°C。

圖3:圖2電路的效率
EFFICIENCY:效率
Burst Mode® OPERATION:突發模式 (Burst Mode®) 工作
PULSE-SKIPPING:脈沖跳躍模式

圖4:圖2電路的熱量測試
獨特的設計提高了效率以及噪聲靈敏度。在采用非常低的0.32mΩ電感器DCR時,最差情況的開關節點抖動減輕了60%,如圖5所示。

圖5:在12V輸入、1.5V/25A輸出時,對開關節點抖動的比較
STANDARD DCR SENSING:標準 DCR 采樣
100ns/DIV:每格 100ns
LTC3866 ENHANCED DCR SENSING:LTC3866 增強的 DCR 采樣
LTC3866的另一個獨特之處是短路軟恢復。內部軟恢復電路保證,當電源從短路情況恢復時沒有過沖(如圖6所示)。

圖6:短路測試
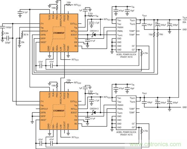
LTC3866可以與一個電源構件一起使用,以實現更緊湊的設計和非常大的電流。圖7顯示了一款由兩個并聯的LTC3866+電源構件電路組成的兩相、高效率、1.5V/80A電源。盡管該電源構件中電感器的DCR僅為0.53mΩ,但是在DC和瞬態情況下的均流性能是十分出色的(如圖8所示)。

圖7:基于并聯LTC3866和電源構件的高效率、1.5V/80A電源

圖8:圖7中1.5V/80A電源的均流性能
在電感器的DCR值較高或使用RSENSE時,通過停用SNSD+引腳(將其短路至地)就可以像使用任何典型的電流模式控制器一樣使用LTC3866。RSENSE電阻器或RC濾波器可用來對輸出電感器信號采樣,或連接至SNSA+引腳。如果使用了RC濾波器,其時間常數RxC就設定為等于輸出電感器的L/DCR。在這類應用中,電流限制VSENSE(MAX)是規定的ILIM之5倍,SNSA+和SNS–的工作電壓范圍為0V至5.25V。如果沒有使用內部差分放大器,那么就可以產生5V輸出電壓(如圖9所示)。熱量測試顯示,在滿負載且沒有任何氣流時,熱點(電感器)的溫度大約為57.3°C(如圖10所示),圖中環境溫度為25°C。

圖9:高效率電源,12V輸入至5V/25A輸出

圖10:圖9電路的熱量測試
結論
在小型4mmx4mm、24引腳QFN封裝中,LTC3866提供了豐富的功能。具電流模式控制的獨特和超低DCR電流采樣使LTC3866非常適用于具備高效率和高可靠性的低壓、大電流應用。跟蹤能力、強大的內置驅動器、多芯片工作和外部同步功能都是該芯片的特色。LTC3866非常適用于電腦和電信系統、工業和醫療儀器、以及DC配電系統。
相關閱讀:
開關電源輸入端的EMI濾波器
http://m.shuilikongzhifa.com/emc-art/80020659
降低開關電源噪聲用于高靈敏度的模擬電路
http://m.shuilikongzhifa.com/power-art/80020614
性能穩定的恒壓電能收集充電器設計
http://m.shuilikongzhifa.com/power-art/80020945