【導讀】多數中間總線轉換器(IBC)通過大型變壓器實現從輸入端到輸出端的隔離。它們一般還需要一個電感用于輸出濾波。這類轉換器通常用于數據通信、電信以及醫療分布式供電架構。這些IBC的供應商數量眾多,通常采用行業標準1/16、1/8和1/4磚墻式封裝。
對于一個典型的IBC,其額定輸入電壓為48 V或54 V,輸出中間電壓范圍為5 V至12 V,輸出功率為幾百瓦特到數千瓦特不等。中間總線電 壓用作負載點調節器的輸入,負載點調節器則用于驅動FPGA、微處理器、ASIC、I/O和其他低壓下游器件。
然而,在許多新型應用中,比如48 V直接轉換應用,IBC中沒有必要進行隔離,因為上游48 V或54 V輸入已經與危險的市電隔離。在許多應用中,要使用非隔離IBC,就需要采用一個熱插拔前端器件。結果,許多新型應用在設計時即集成了非隔離IBC,這樣不但可以大幅降低解決方案的尺寸和成本,同時還能提高轉換效率和設計靈活性。典型的分布式供電架構如圖1所示。

圖1. 典型分布式供電架構。
既然有些分布式供電架構支持非隔離轉換,我們就可以考慮在這種應用中采用單級降壓轉換器。該轉換器的輸入電壓范圍為36 V至 72 V,輸出電壓范圍為5 V至12 V。來自ADI公司的LTC3891可以用于這種場合,當工作于150 kHz的較低開關頻率時,其效率可達97%左右。當LTC3891工作于較高頻率時,其效率會下降,因為當輸入電壓為較高的48 V時MOSFET開關損耗將增加。
新方法
新的創新型控制器設計方法將一個開關電容轉換器與一個同步降壓轉換器結合起來。開關電容電路將輸入電壓降低2倍,然后饋入同步降壓轉換器。這種技術先將輸入電壓減小一半,然后降至目標輸出電壓,支持高得多的開關頻率,因而能提高效率或大幅減小解決方案的尺寸。其他優勢包括更低的開關損耗、更低的MOSFET電壓應力,因為開關電容前端轉換器具有內在的軟開關特性,可降低EMI。圖2所示為該組合是如何形成混合降壓同步控制器的。

圖2. 一個開關電容和一個同步降壓轉換器組合成一個LTC7821混合轉換器。
新型高效率轉換器
LTC7821 將一個開關電容電路與一個同步降壓轉換器結合起來,與傳統降壓轉換器替代方案相比,最高可使DC-DC轉換器解決方案的尺寸減小50%。這一性能提升得益于其能夠在不影響效率的前提下將開關頻率提高至3倍。換句話說,在相同頻率下工作時,基于LTC7821的解決方案效率可提高3%。此外,該器件采用軟開關前端,具備低電磁干擾(EMI)優勢,非常適合配電、數據通信和電信以及新興48 V汽車系統中的新一代非隔離式中間總線應用。
LTC7821在10V至72V(絕對最大值為80 V)輸入電壓范圍內工作,可產生數十安培的輸出電流,具體取決于外部元件的選擇。外部MOSFET的開關頻率是固定的,可在200 kHz至1.5 MHz范圍內設定。在典型的48 V至12 V/20 A應用中,LTC7821在500kHz開關頻率下的效率可達97%。若要在傳統的同步降壓轉換器中達到這一效率,唯一的辦法就是將工作頻率降低至三分之一,而這樣做就必須使用更大的磁性元件和輸出濾波元件。LTC7821配有強大的1 Ω N溝道MOSFET柵極驅動器,最大限度提高效率的同時可以并行驅動多個MOSFET以實現更高功率的應用。此外,該器件采用電流模式控制架構,因此可將多個LTC7821以并行、多相配置運行,從而在無熱點的情況下,憑借出色的均流控制和低輸出電壓紋波支持高功率的應用。
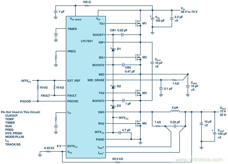
LTC7821實現了多項保護功能,在廣泛的各類應用中均能保持強勁性能。基于LTC7821的設計還可在啟動時對電容進行預平衡,從而消除開關電容電路中經常出現的浪涌電流。LTC7821還能監視系統電壓、電流,和溫度故障并使用檢測電阻實現過流保護。發生故障時,它會停止開關操作并將FAULT引腳拉低。此外,可以使用板載定時器設置適當的重啟/重試時間。LTC7821的EXTVCC引腳可接入轉換器的較低電壓輸出或其他可用電源(最高40 V)進行供電,從而降低功耗并提高效率。其他特性包括:整個溫度范圍內±1%的輸出電壓精度;用于多相工作模式的時鐘輸出;電源良好輸出指示;短路保護;輸出電壓單調啟動;可選外部基準電壓源;欠壓閉鎖;以及內部電荷平衡電路。圖3為LTC7821在將36 V至72 V輸入轉換為12 V/20 A輸出時的原理圖。

圖3. LTC7821原理圖(36VIN至72VIN/12V/20 A輸出)。
圖4所示效率曲線是三類不同轉換器在同一應用中的表現對比,該應用的作用是將48VIN轉換為12VOUT/20 A,具體如下:
2.工作頻率為200 kHz的單級降壓,采用9 V柵極驅動電壓(紅色曲線)
3.工作頻率為500 kHz的LTC7821混合式降壓同步控制器,采用6 V柵極驅動電壓(綠色曲線)

圖4. 效率對比與變壓器尺寸縮減情況。
基于LTC7821的電路工作于最高為其他轉換器三倍的頻率時,其效率與其他解決方案相同。在此較高工作頻率下,電感尺寸可減小56%,整個解決方案的尺寸最多可減小50%。
電容預平衡
在施加輸入電壓時或者轉換器被使能時,開關電容轉換器通常會承受很高的浪涌電流,可能使電源損壞。LTC7821集成了一種專有機制,可在轉換器PWM信號被使能之前對所有開關電容進行預充電。從而將上電過程中的浪涌電流降至最低。另外,LTC7821還有一個可編程的故障保護窗口,可進一步確保功率轉換器的可靠工作。這些特性使輸出電壓實現平滑軟啟動,就如任何其他常規型電流模式降壓轉換器一樣。詳情請參考LTC7821數據手冊。
主控制環路
電容平衡階段一結束,正常工作立即開始。MOSFET的M1和M3在時鐘將RS鎖存器置位時開啟,在主電流比較器ICMP復位RS鎖存器復位時關閉。然后,MOSFET的M2和M4開啟。負責復位RS的ICMP處的電感峰值電流由ITH引腳上的電壓控制,該電壓是誤差放大器EA的輸出。VFB引腳接收電壓反饋信號,EA將該信號與內部基準電壓源進行比較。當負載電流增加時,結果會導致VFB相對于0.8 V的基準電壓源略微下降,結果又會導致ITH電壓增加,直到電感的平均電流與新的負載電流匹配為止。MOSFET的M1和M3關閉后,MOSFET的M2和M4開啟,直到下一個周期開始。在M1/M3和M2/M4切換過程中,電容CFLY將交替與CMID串聯或并聯。MID處的電壓約等于VIN/2。可見,這種轉換器的工作方式與常規型電流模式降壓轉換器一樣,只是逐周期限流較快、較準確且支持均流選項。
結論
在一個用于將輸入電壓減半的開關電容電路之后裝一個同步降壓轉換器(混合型轉換器),與傳統降壓轉換器替代方案相比,最高可使DC-DC轉換器解決方案的尺寸減小50%。這一性能提升得益于其能夠在不影響效率的前提下將開關頻率提高至3倍。也可以將轉換器的工作效率提高3%,此時其尺寸與現有解決方案相當。這種新型混合式轉換器架構還具有其他優勢,包括有利于降低EMI和MOSFET應力的軟開關特性。需要高功率時,可以輕松將多個轉換器并聯起來,實現有源精準均流。
本文轉載自亞德諾半導體。
推薦閱讀: