【導讀】leiditech開發了廣泛的汽車電子系統的保護解決方案。一個典型的汽車應用有幾個電路和接口,易受ESD,EFT和其他拋負載的影響。典型應用包括信息娛樂網絡,ADAS,T-BOX,車身電子和供電系統。請參閱下面的首選保護解決方案。
以下方案已經過合資廠驗證,滿足汽車級的靜電要求和浪涌保護。
1. CAN總線靜電保護

2. LIN總線靜電保護

3. RF天線接口靜電保護

4. 汽車電源接口保護1

此方案可以通過7637-2 5B測試
5. 汽車電源接口保護2

此方案可以通過7637-2 5A測試
6. 汽車電源拋負載測試圖片

7. 汽車電源接口保護3

此方案可以通過所有7637-2 5A測試
8. 觸摸屏接口靜電保護

9. FlexRay 靜電保護

10. ECU/燃油注入系統靜電保護

11. 100M/1000M接口靜電保護

12. HDMI 1.3/1.4/2.0靜電保護

13. ADAS電源系統靜電保護


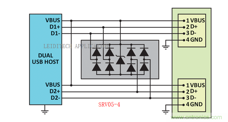
14. USB2.0靜電保護


15. RS232/RS485靜電保護


推薦閱讀: