【導讀】RF工程師在設計芯片和天線間的阻抗匹配時,根據數據手冊的參數進行匹配設計,最后測試發現實際結果和手冊的性能大相徑庭,你是否考慮過為什么會出現這么大的差別?匹配調試過程中嘗試不同的電容、電感,來回焊接元器件,這樣的調試方法我們能改善嗎?
1 理想的匹配
通信系統的射頻前端一般都需要阻抗匹配來確保系統有效的接收和發射,在工業物聯網的無線通信系統中,國家對發射功率的大小有嚴格要求,如不高于+20dBm;若不能做到良好的匹配,就會影響系統的通信距離。
射頻前端最理想的情況就是源端、傳輸線和負載端都是50Ω,如圖1。但是這樣的情況一般不存在。即使電路在設計過程中仿真通過,板廠制作過程中,線寬、傳輸線與地平面間隙和板厚都會存在誤差,一般會預留焊盤調試使用。

圖1 理想的阻抗匹配
2 造成與芯片手冊推薦電路偏差大的原因?
從事RF電路設計的工程師都有過這樣的經驗,做匹配電路時,根據數據手冊給的S參數、電路拓撲結構、元器件的取值進行設計,最后得到的結果和手冊上的差別很大。這是為什么呢?
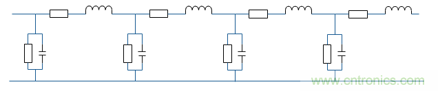
其主要原因是對射頻電路來說,“導線”不再是導線,而是具有特征阻抗。如圖2所示,射頻傳輸線看成由電阻、電容和電感構成的網絡,此時需要用分布參數理論進行分析,參考資料[4][7]。

圖2 傳輸線模型
特征阻抗與信號線的線寬(w)、線厚(t)、介質層厚度(h)和介質常數(ε)有關。其計算公式如下:

由公式可以知道,特征阻抗和介質層厚度成正比,可以理解為絕緣厚度越厚,信號穿過其和接地層形成回路所遇到的阻力越大,所以阻抗值越大;和介質常數、線寬和線厚成反比。
因為芯片的應用場景不同,雖然電路設計一樣,但是設計的PCB受結構尺寸、器件種類、擺放位置等因素的影響,會導致板材、板厚、布線的不同,引起特征阻抗的變化。當我們還是沿用手冊給的參數進行匹配時,并不能做到良好阻抗匹配,自然會出現實際測試的結果與手冊給的結果偏差較大的情況。
雖然我們不能完全照搬芯片手冊電路的所有參數,但可以參考其中的拓撲結構,如π型、T型或者L型等。那接下來我們應該如何調試那些參數呢?
3 常規的調試方法
完成PCB設計之后,進入調試過程,有的工程師對這個過程茫然失措,不知道該如何入手。有的工程師會回到數據手冊,把手冊提供的參數直接焊接到PCB上,通過頻譜儀觀察功率輸出,若不符合期望值;則調整其中的電容和電感,改大或者調小,然后焊回到PCB上,不斷的迭代,直到輸出值符合期望。
這種方法由于無法得知PCB板上分布參數的阻抗,只能不停的焊接更換參數調試,導致效率很低,而且并不適合調試接收鏈路的阻抗匹配。
4 是否有更有效的調試方法?
如果我們能知道PCB板上分布參數的阻抗,就可以通過史密斯圓圖進行有據可循的阻抗匹配,減少無謂的參數嘗試。
分布參數的阻抗有兩種方法可以獲得:
● 使用仿真軟件建模仿真,但是建立模型需要知道材料、尺寸、結構等條件,其工作量不亞于直接調試;即使能建立模型,如何保證其準確性也值得考究;
● 使用網絡分析儀直接測量,該方法直觀而且結果準確。
下面介紹如何通過網分直接得到特征阻抗。
下圖3是調試與匹配電路參考圖,由芯片模塊、射頻開關和天線組成。把射頻開關輸出端作為50Ω參考點,此處接入網絡分析儀分別測量傳輸線到天線的阻抗和傳輸線到芯片端口的阻抗。通過匹配之后,希望從該點往天線方向看進去是50Ω和往芯片方向看進去也是50Ω。
選擇這里作為50Ω參考點主要有兩方面考慮:
● 該處到天線端是接收和發射的共同鏈路,只需要匹配一次,同時把天線對阻抗的影響也考慮了;到芯片端分別是接收和發射鏈路,需要分開匹配;
● 雖然匹配電路次數變多,但是每次匹配元器件數目少了,減少相互間影響,提高匹配效率。

圖3 調試與匹配參考圖
5 測量分布參數阻抗
測量之前,將網絡分析儀進行校準。首先把PCB板上除匹配網絡的器件都焊上,然后把阻抗網絡的落地元件斷路,串聯元件用0Ω電阻短路,如圖4所示。盡量不使用焊錫短路,因為對高頻電路來說,焊錫容易產生寄生效應,影響測量結果。

圖4 焊接調試器件
進行天線匹配調試期間,需要斷開同芯片的連接。進行芯片匹配調試期間,需要斷開同天線匹配組的連接,接收鏈路的匹配和發射鏈路的匹配通過開關切換分別進行調試。
需要特別注意的是測量發射鏈路的阻抗,一般來說我們只要得到靜態或者小信號發射的阻抗就能幫助我們完成設計,因為芯片發射時處于線性放大區,得到阻抗后只要微調器件,就能達到最佳的輸出功率。如果需要更準確工作狀態時的輸出阻抗呢?當然也是可以的,這就需要我們加入更多的器件,如圖5。

圖5 測量芯片發射時的S22
在圖5中,被測放大器就是芯片的功率放大器,使其進入最大功率輸出;而測試信號源則提供一個反向輸入信號a2到放大器;放大器輸出端所產生的反射信號b2 通過定向耦合器被接收機檢測到;b2與a2之比即為放大器的大信號S22 參數。
需要注意兩點:
● 被測芯片和測試信號源之間需要加定向隔離器,防止大信號損壞信號源;
● 芯片輸出頻率和信號測試頻率要異頻。
具體的調試步驟如下:
● 校準網絡分析儀,校準到連接到板上的射頻線纜;
● 通過網絡分析儀測量阻抗;
● 借助史密斯圓圖進行阻抗匹配;
● 選擇合適的電容和電感焊接到PCB上;
● 測量無線芯片的輸出和輸入是否滿足要求。
在匹配過程中,選擇元器件一般遵循以下幾個原則:
● 落地電容值不要過大,電容越大,容抗則越小,信號容易流入GND;
● 電容、電感值不要過小,因為存在誤差,容值、感值越小,誤差影響越大,影響批次的穩定性;
● 電容、電感選擇常規值,方便替換和備料采購。
6 小結
阻抗匹配過程中,我們首先要理解數據手冊的參數,找到指導電路設計的依據,如電路拓撲圖、S參數等;在調試過程中,借助網絡分析儀測量實際電路的阻抗,使用史密斯圓圖輔助我們完成設計;最后對電容、電感的選擇也給了參考建議。希望本文能給正在阻抗匹配中的你一些幫助。
推薦閱讀:




