【導讀】單穩態觸發器在數字電路中一般用于定時(產生一定寬度的矩形波),整形(把不規則的波形變為幅度和寬度都相等的脈沖)及延時(將輸入信號延遲一定時間后輸出)等。
1. 555集成定時器
常用的555定時器有TTL定時器5G555和CMOS定時器CC7555等。
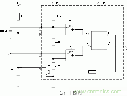
555集成定時器是一種模擬電路和數字電路相結合的中規模集成電路,其電路如下圖所示。

555定時器含有兩個電壓比較器C1和C2,一個由“與非“門組成的基本RS觸發器,一個放電晶體管T以及由三個5KΩ的電阻組成的分壓器。比較器C1的參考電壓為
,加在同相輸入端;C2的參考電壓為
,加在反相輸入端。兩者均由分壓器上取得。


各外引線端的功能是:
1為接地端.
2為低電平出發端,由此輸入觸發脈沖。當2端的輸入電壓高于1/3UCC時,C2的輸出為“1“;當輸入電壓低于1/3UCC時,C2的輸出為”0“,使基本RS觸發器置”1“。
6為高電平觸發端,由此輸入觸發脈沖。當輸入電壓低于2/3UCC時,C1的輸出為“1“;當輸入電壓高于2/3UCC時,C1的輸出為”0“,使觸發器置”0“。
4為復位端,由此輸入負脈沖(或使其電壓低于0.7伏)而使觸發器直接復位(置“0“)。
5為電壓控制端,在此端可外加一電壓以改變比較器的參考電壓。不用時,經0.0.1uF的電容接“地“,以防止干擾的引入。
7為放電端,當觸發器的Q端為“1“時,放電晶體管T導通,外接電容元件通過T放電。
3為輸出端,輸出電流可達200mA,因此可直接驅動繼電器,發光二極管,揚聲器,指示燈燈。輸出高電壓約低于電源電壓UCC1-3V。
8為電源端,可在5-18V范圍內使用。
2. 由555定時器組成的單穩態觸發器
下圖是由555定時器組成的單穩態觸發器。R和C是外接元件,觸發脈沖由2端輸入。
工作原理:當觸發脈沖尚未輸入時,u1為“1”,其值大于
1/3Ucc,故比較器C2的輸出為“1”。在穩定狀態時觸發器狀態:
若Q=0, Q=1,則晶體管T飽和導通,uc=UCE(sat)其值遠低于2/3Ucc,故比較器C1的輸出也為“1”,觸發器的狀態保持不變。
若Q=1, Q=0,則晶體管截止,Ucc通過R對電容C充電,當uc上升略高于2/3Ucc時,比較器C1的輸出為“0”,將觸發器置“0”,翻轉為Q=0, Q=1。
可見,在穩定狀態時Q=0,即輸出電壓u0為“0”。
在t1時刻,輸入觸發伏脈沖,其幅度低于1/3Ucc,故C2的輸出為“0”,將觸發器置“1”,u0由“0”變為“1”,電路進入暫穩狀態。這時因Q=0,晶體管截止,電源對電容C充電。雖然在t2時刻觸發脈沖已消失,C2的輸出變為“1”,但充電繼續進行,直到uc上升略高于2/3Ucc時(在t3時刻),C1的輸出為“0”,從而使觸發器自動翻轉到Q=0, Q=1的穩定狀態。此后電容C迅速放電。
輸出的是矩形脈沖,其寬度(暫穩狀態持續時間)
tp=RCln3=1.1RC
結論:
1) 改變RC值,可改變脈沖寬度,從而可以進行定時控制。

2) 輸入脈沖的波形往往是不規則的,邊沿不陡,幅度不齊,不能直接輸入到數字裝置,需要單穩態觸發器或另外某種觸發器整形。

推薦閱讀: