【導讀】據Gartner 發布的全球可穿戴設備數據報告顯示,2018 年全球可穿戴設備出貨量達到 1.79 億部,較 2017 年的 1.41 億部同比增長 27.1%。在未來,新興市場可穿戴設備的出貨量將進一步增長,智能可穿戴設備未來五年復合年增長率將達到 26.3%,預計到 2022 年發貨量將躍升至 4.53 億部。
無線充電——可穿戴設備應用最廣泛的充電技術
大多數市場數據都表明,設備兩次充電之間的可用時間長度是影響消費者便捷式設備購買選擇的關鍵因素。由于對于連續使用的需要,可穿戴設備的電池續航時間需要超出消費者的期望。這意味著除了集成更多傳感器和功能,可穿戴設備還需要能在兩次充電之間使用更長的時間。
達到此目的有兩種方法,其一是補充電池電量,其二則是尋找可穿戴設備充電的創新途徑,如能量采集或無線充電。截止目前,可穿戴設備最廣泛使用的充電技術就是無線充電技術。無線充電技術擁有眾多優勢,例如,它使易于發生故障的插頭成為多余。可以將設備內置在具備防潮能力的外殼中。用戶也無須忍受插入電纜的麻煩。

具有原邊控制和接收器的感應式功率傳輸概念
另一方面,無線充電技術的種類及標準多樣。在可穿戴市場興起之前,幾乎每家電源管理廠商的設備都處于各自為戰的狀態下,無法通用。不過近年來隨著谷歌、微軟、蘋果等公司相繼大舉進入可穿戴市場,無線充電技術的通用性得到了很大的改觀。各大電源管理的器件及設備廠商也都拿出了符合無線電源協會規定的互操作性標準的產品。事實上,ADI公司就為可穿戴設備提供了廣泛的電源管理組合,包括無線充電的可穿戴設備電源解決方案。
如何解決高效與散熱難題?這里有DHC方法論
LTC4120,這是一款無線功率接收器和電池充電器。該器件集成了已獲專利的動態協調控制(Dynamic Harmonization Control,簡稱DHC)技術實現了高效率非接觸式充電,而且在接收器中不會產生熱量或電氣負擔過重問題。采用這種技術,可以通過長達1.2cm 的距離傳送高達2W功率。然而,對單節鋰離子(Li-Ion)電池而言,最高充電電壓為4.2V,最大充電電流為400mA,這將使DHC技術的傳送功率限制到1.7W。類似地,2W最大功率將兩節鋰離子電池(8.4V最高充電電壓) 的充電電流限制到240mA。

功率、效率、距離和尺寸的大小決定了系統性能,因此,基于LTC4120的無線電源系統設計當使用幾種可選發送器的其中一款時,通過長達1.2cm的距離在電池端接收高達2W的功率。視所采用方法和組件的不同而不同,效率計算結果會有很大變化。在基于LTC4120的系統中,一般情況下,電池會接收 45%~55% 饋送到發送器的DC輸入功率。
LTC4120中嵌入的DHC調諧技術與其他無線電源解決方案相比有一些顯著優勢。為了響應環境和負載變化,DHC動態改變接收器上諧振儲能電路的諧振頻率。DHC在允許更長傳送距離的同時,實現了更高的功率傳送效率,從而使接收器尺寸能夠更小。顯然,DHC解決了所有無線電源系統的基本問題。所有系統都必須設計為通過給定最長傳送距離接收一定量的功率,所有系統也都必須設計為在最短傳送距離時能夠承受無負載情況而不被損壞。其他同類解決方案用復雜的數字通信系統解決這一問題,但增加了復雜性和成本,限制了功率傳送距離,而基于LTC4120的無線電源系統用DHC技術簡便地解決了這一問題。
探尋良好保護、緊湊的無線充電器接收器解決方案——
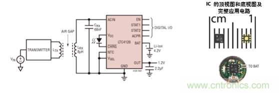
繼LTC4120之后,ADI又發布了多款新型無線充電器,其中包括LTC4126,該芯片是帶有1.2 V無電感DC-DC轉換器的全功能7.5 mA 無線鋰離子電池充電器,設計用于助聽器、無線耳機和其他需要無線充電的空間受限可穿戴產品。與基于 LTC6990的ZVS 單晶體管發射器組合使用,可獲得完整的無線充電解決方案。
LTC4126的設計高度集成,只需幾個外部組件即可創建完整的無線充電器接收器解決方案,可將整個設計安裝在助聽器或耳塞的內部(直徑為6 mm 的應用板)。

具有集成式DC-DC轉換器和充電器狀態輸出的完整6 mm直徑無線電池充電器接收器
LTC4126充電器、DC-DC轉換器(充電泵DC-DC轉換器具有三種操作模式,具體取決于電池電壓,以提高整體效率)具有一個無線功率控制器,使其能夠從發射線圈(LTC6990)產生的交流磁場無線接收功率。無線功率控制器將接收器端諧振電路的交流電壓整流成VCC引腳的直流電壓。此直流電壓饋入線性充電器,線性充電器再調節對電池的充電。
如果LTC4126接收的能量超出所需能量,無線功率控制器通過將接收器諧振電路分流接地來調節線性充電器的輸入VCC。這樣,線性充電器將高效運行,因為其輸入正好保持在電池電壓VBAT之上。接合分流電路時,諧振電路也會接收較少的功率,因為諧振頻率與發射器頻率失調。

同時LTC4126中的集成式恒流(CC)/恒壓(CV)線性鋰離子電池充電器可通過一組完整的保護功能確保充電周期正常運行,包括安全計時器的自動充電和自動終止、不良電池檢測和超出溫度范圍充電暫停功能。LTC4126包括可傳遞至系統微控制器的充電器狀態和電池電壓電平信號。
下圖為使用LTC6990作為振蕩器來驅動低功率晶體管的簡單諧振電路。為實現ZVS操作,發射器諧振回路頻率設置為振蕩頻率的1.29倍。通過這種方式,大幅減少了開關損耗,并提高了整體無線充電效率。此發射器只需幾個組件,并可安裝在小型外殼中。

具有單晶體管ZVS發射器和LTC4126接收器的完整無線充電解決方案
結論
事實上,可穿戴設備的發展才剛剛起步,業界有許多的創新,遍及硬件設計和軟件體驗。目前市場關注的焦點雖然主要在消費市場,但在商業與工業應用中,可穿戴設備在例如瓦斯檢測、輔助物流管理等許多地方也已經開始嶄露頭角。可以預見的是,未來可穿戴設備與物聯網應用的進一步結合將具有非常大的發展潛力,而無線充電解決方案性能的繼續優化將為便攜產品增加更多的市場和應用潛能。
推薦閱讀: