【導讀】本應用筆記展示了ADuM4136 柵極驅動器的優勢,這款單通道器件的輸出驅動能力高達4 A,最大共模瞬變抗擾度(CMTI)為150 kV/μs,并具有包括去飽和保護的快速故障管理功能。
電動汽車、可再生能源和儲能系統等電源發展技術的成功取決于電力轉換方案能否有效實施。電力電子轉換器的核心包含專用半導體器件和通過柵極驅動器控制這些新型半導體器件開和關的策略。
目前最先進的寬帶器件,如碳化硅(SiC)和氮化鎵(GaN)半導體具有更高的性能,如600 V至2000 V的高電壓額定值、低通道阻抗,以及高達MHz范圍的快速切換速度。這些提高了柵極驅動器的性能要求,例如,,通過去飽和以得到更短的傳輸延遲和改進的短路保護。
本應用筆記展示了ADuM4136 柵極驅動器的優勢,這款單通道器件的輸出驅動能力高達4 A,最大共模瞬變抗擾度(CMTI)為150 kV/μs,并具有包括去飽和保護的快速故障管理功能。
與Stercom Power Solutions GmbH協作開發,用于SiC功率器件的柵極驅動單元(GDU)展現了ADuM4136 的性能(參見圖1)。電路板采用雙極性隔離電源供電,其基于使用LT3999 電源驅動器構建的推挽式轉換器。此單片式高壓、高頻、DC/DC轉換驅動器包含具有可編程限流功能的1 A雙開關,提供高達1 MHz的同步頻率,具有2.7 V至36 V的寬工作范圍,關斷電流<1 μA。
該解決方案采用SiC金屬氧化物半導體場效應晶體管(MOSFET)電源模塊(F23MR12W1M1_ B11)進行測試,SiC模塊提供1200 V的漏源擊穿電壓、22.5 mΩ典型通道電阻和100 A脈沖漏電流能力,最大額定柵極源極電壓為−10 V和+20 V。
本應用筆記評估了該解決方案生成的死區時間,并分析研究GDU引入的總傳播輸延遲。通過去飽和檢測,測試了對SiC器件的過載和短路保護功能。
測試結果表明,該解決方案響應快速。

圖1.GDU
測試設置
用于報告測試的完整設置如圖2所示。在電源模塊兩端提供高壓直流輸入電源(V1)。在輸入端添加1.2 mF、去耦箔電容組(C1)。輸出級為38 μH電感(L1),在去飽和保護測試過程中可將其連接至電源模塊的高邊或低邊。表1總結了測試設置功率器件。

圖2.測試設置原理圖
表1.測試設置功率器件

圖4中所示的GDU接收來自脈沖波發生器的開關信號。這些信號傳送至死區時間產生電路,由LT1720超快、雙通道比較器來實現,比較器的輸出饋入兩個ADuM4136 器件。ADuM4136 柵極驅動器向柵極端發送隔離信號,并從電源模塊中的兩個SiC MOSFET的漏極端接收隔離信號。柵極驅動器的輸出級由推挽式轉換器提供隔離電源,該轉換器使用了由外部5 V直流電源供電的LT3999 DC/DC驅動器。SiC模塊的溫度測量使用了ADuM4190 高精度隔離放大器。ADuM4190 由LT3080 低壓差(LDO)線性穩壓器供電。
圖3展示了實驗連接設置,表2描述了去飽和保護測試中使用的設備。
表2.測試設置設備


圖3.測試設備連接圖
測試結果
死區時間和傳輸延遲
硬件死區時間由GDU引入,以避免半橋電源模塊中出現短路,這在打開或關閉高邊和低邊SiC MOSFET時可能會發生(請參見圖4)。請注意,延遲的信號在本文中表示為。
在傳輸延遲測試中,在底部驅動器的信號鏈上測量死區時間,其由GDU 信號的(有效低電平)輸入激發。死區時間通過使用電阻電容(RC)濾波器和LT1720 超快比較器生成。圖5至圖8顯示傳輸延遲測試的結果。表3描述了圖5至圖8所示的信號。
表3.示波器信號描述(低端驅動器)

當輸入信號被拉低時,比較器將其延遲輸出狀態從高變為低,死區時間由RC電路確定(~160 ns,參見圖5)。
當SiC MOSFET關斷,且輸入信號被拉高時,與SiC MOSFET開啟時測量的延遲時間相比,延遲時間可以忽略不計(~20 ns),如圖6所示。
開啟和關斷時在死區時間生成和VGS_B信號切換后測得的延遲時間如圖7和圖8所示。這些延遲時間比較短暫,分別為66 ns和68 ns,是由ADuM4136。引入的延遲。
開啟時的總傳輸延遲時間(死區時間加上傳輸延遲)約為226 ns,關斷時的總傳輸延遲時間約為90 ns。表4總結了傳輸延遲時間的結果。

圖4.GDU信號鏈
表4.傳播延遲測試結果


圖5.死區時間測量,器件開啟

圖6.死區時間測量,器件關斷

圖7.延遲時間測量,器件開啟

圖8.延遲時間測量,器件關斷
去飽和保護
避免驅動開關高壓短路的去飽和保護功能集成在ADuM4136 IC上。
在此應用中,每個柵極驅動器間接監控MOSFET的漏極至源極引腳的電壓(VDS),檢查并確認其DESAT引腳的電壓(VDESAT)不超過介于8.66 V至9.57 V之間的基準去飽和電壓電平VDESAT_REF(VDESAT_REF = 9.2 V,典型值)。此外,VDESAT的值取決于MOSFET操作和外部電路:兩個高壓保護二極管和一個齊納二極管(參見表6和原理圖部分)。
VDESAT的值可通過以下等式計算:
VDESAT = VZ + 2 ×VDIODE_DROP + VDS
其中:
VZ是齊納二極管擊穿電壓。
VDIODE_DROP是每個保護二極管的正向壓降。
在關斷期間,DESAT引腳在內部被拉低,未發生飽和事件。此外,MOSFET電壓(VMOSFET)高,且兩個二極管反向偏置,以保護DESAT引腳。
在接通期間,DESAT引腳在300 ns內部消隱時間后釋放,兩個保護二極管正向偏置,齊納二極管出現故障。在這里,VDESAT電壓是否超出VDESAT_REF值取決于VDS的值。
正常工作時,VDS和VDESAT電壓一直很低。當高電流流經MOSFET時,VDS電壓增大,導致VDESAT電壓電平升至VDESAT_REF以上。
在這種情況下,ADuM4136 柵極驅動器輸出引腳(VOUT)在200 ns內變為低電平并去飽和MOSFET,同時生成延遲<2 µs的信號,使柵極驅動器信號(VGS)立即鎖定。這些信號只能由RESET引腳解鎖。
檢測電壓電平取決于VDS的值,并可通過選擇具有擊穿電壓VZ的合適齊納二極管設定為任何電平。反過來,可根據MOSFET制造商數據手冊中所述的VDS來估計用于去飽和的MOSFET電流(ID)。
用柵極脈沖對高邊和低邊MOSFET進行了兩次去飽和保護測試。通過選擇不同的齊納二極管,在每次測試中測試了不同的故障電流。測得的電流值如表4所示,假定最大VDESAT_REF = 9.57 V(最大值),標稱VDIODE_DROP = 0.6 V。
低邊測試
25°C室溫下,通過在100 V至800 V的范圍內改變輸入電壓(V1),進行了低邊去飽和保護測試(參見圖9)。

圖9.低邊去飽和保護測試
圖10至圖17顯示低邊去飽和保護測試的結果。表5說明了圖10至圖17所示的信號。
表5.示波器信號描述(低邊測試)

在圖16和圖17中,在25°C下對~125 A的電流觸發了去飽和保護,并且故障狀態引腳在延遲約1.34 µs后觸發為低電平。
對電源模塊的高邊進行了類似測試,其中在25°C下對~160 A的電流觸發了去飽和保護,并在1.32 µs后觸發故障狀態引腳為低電平。
低邊和高邊測試的結果表明,柵極驅動解決方案可在<2 µs的高速下,能夠上報去飽和檢測的電流值,這個電流值接近設定的電流值(參見表4)。
表6.去飽和保護測試的計算條件


圖10.低邊測試,V1 = 100 V,無故障

圖11.低邊測試,V1 = 200 V,無故障

圖12.低邊測試,V1 = 300 V,無故障

圖13.低邊測試,V1 = 400 V,無故障

圖14.低邊測試,V1 = 500 V,無故障

圖15.低邊測試,V1 = 600 V,無故障

圖16.低邊測試,V1 = 800 V,檢測到故障

圖17.低邊測試,V1 = 800 V,檢測到故障(放大)
原理圖
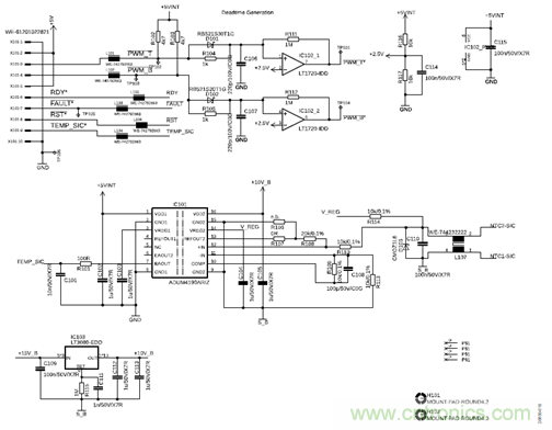
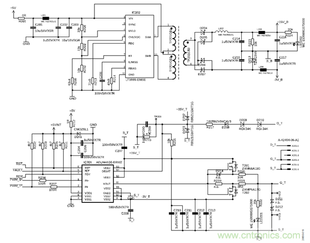
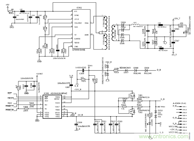
圖18至圖20顯示ADuM4136 柵極驅動器板的原理

圖18.ADuM4136 柵極驅動板原理圖(初級端)

圖19.ADuM4136 柵極驅動板原理圖(隔離電源和高邊柵極信號)

圖20.ADuM4136 柵極驅動板原理圖(隔離電源和低邊柵極信號)
結論
ADuM4136 柵極驅動器能夠通過去飽和保護上報短傳輸延遲和快速過流故障。這些優勢結合適當的外部電路設計,可滿足使用SiC和GaN等先進寬禁帶半導體器件應用的嚴格要求。
本應用筆記中的測試結果是全柵極驅動解決方案在高電壓下驅動SiC MOSFET模塊的數據,并通過去飽和保護功能提供超快響應和相應的故障管理。此柵極驅動解決方案由LT3999,構建的緊湊、低噪聲功率轉換器供電,其提供具有適當電壓電平的隔離電源以及低關斷電流和軟啟動功能。
推薦閱讀: