【導讀】許多超過某一功耗水平的交流供電系統都需要進行功率因數校正(PFC),這是電力公司或政府的要求。PFC位于系統輸入端,在二極管橋式整流器后面,但在所有輸入電容之前。PFC電路的作用是確保輸入端的電壓和電流彼此同相。換言之,PFC是輸送至電路負載的平均功率與視在功率之比。
除了降低視在功率以外,PFC電路還有助于大幅降低輸入線路上的失真。無PFC情況下,負載產生的THD(總諧波失真)會對由同一電網供電的其他電路造成不利影響。PFC電路會優化功率因數,同時降低THD。許多系統中,功率因數的重要性不及高THD帶來的干擾。
本文介紹一種利用ADI公司帶監控功能的ADP1047和ADP1048數字PFC控制器設計極其靈活且功能豐富的PFC電路的簡單方法。設計工作利用直觀的圖形用戶界面完成。另外還會結合電機驅動應用討論這種方法的優勢。
不同PFC電路
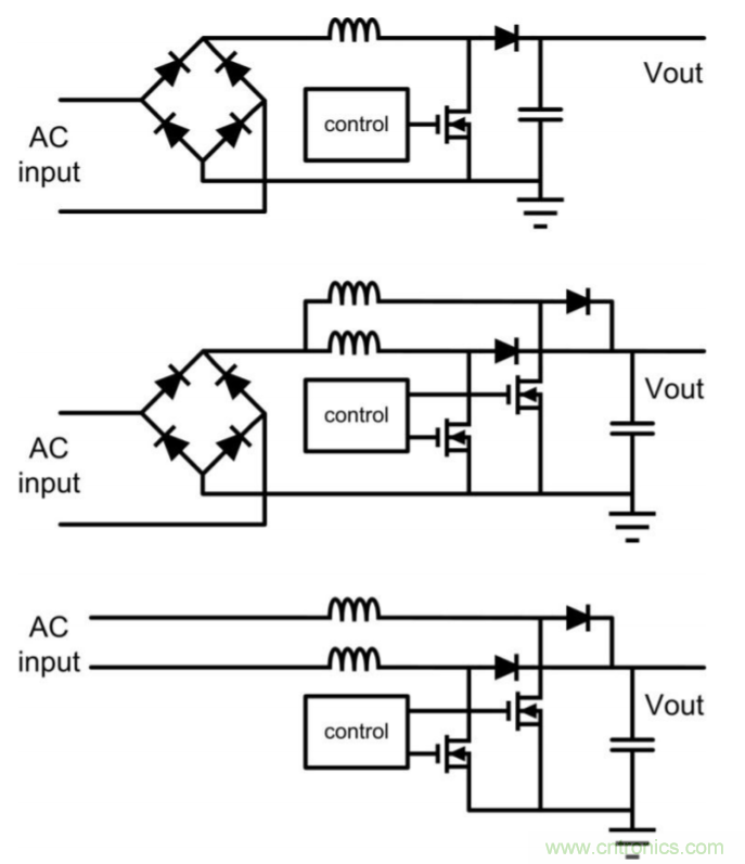
PFC電路通常采用升壓型DC-DC轉換器拓撲結構,并且位于交流整流器電橋正后方。這種拓撲結構迫使輸入電流與輸入電壓同相。結果,負載在交流電源看來是一個純無源負載電阻。對于較高的功率水平,可以使用交錯式拓撲結構。最常見的是雙通道交錯操作,這與讓兩個升壓轉換器并聯并分擔負載并無不同。在PFC之外,類似方法稱為“多相”。對于電流在不同的并聯降壓電路之間分配,并且輸出合并在一起的情況,降壓型調節器會使用術語“多相”。在PFC中,此功能不使用術語“相位”,原因是它會引起很多混淆。多相用于一個以上相位交流電源輸入的PFC電路。因此,描述負載功率在多個并聯升壓拓撲結構之間分配時,術語“交錯”更常用。
為了實現非常高的電源效率,也可以不使用電橋。這種情況下可以省去二極管橋式整流器。在有二極管橋式整流器的交錯操作中,兩個通道在每個開關周期之后交替工作。但是,在無電橋拓撲結構中,一個通道在交流輸入電壓的正半波周期中切換,另一個通道在負半波周期中切換。圖1給出了這三個基本電路的原理圖。最上方顯示最簡單的實現方案,中間顯示交錯概念,最下方顯示無電橋配置。當然,還有很多其他電路方案都是可行的。例如,對于高功率和高效率操作,可以將交錯式操作與無電橋配置結合起來。顯然,這種設計需要許多元件,可能會變得相當復雜。ADP1047設計用于單通道PFC,ADP1048則提供交錯式和無電橋操作能力。為此,它提供均流功能和兩個不同的PWM輸出信號。

圖1. 不同PFC電路
使用數字PFC控制器的靈活性
多數PFC轉換器是模擬型系統。然而,利用當今的數字式衍生產品,例如ADI公司的ADP1047和ADP1048,設計人員可以獲得數字產品提供的極大靈活性。用可編程數字濾波器代替硬件元件,便可針對高速工作優化環路穩定性,使電路足夠穩定。雖然這些器件采用均流模式控制環路,但實際上有多個不同的環路可以獨立編程。其中存在低線和高線電流濾波器,以及快速電壓補償濾波器。
可以設置PFC的輸出電壓,使其根據負載電流而變化。這樣可以提高整個系統的電源轉換效率。此外,還可以非常細致地調整軟啟動特性。
監控系統輸入端的電壓和電流很有價值
除了數字控制環路以外,ADP1047和ADP1048還提供精確的電壓和電流監控功能。它們能檢測輸入和輸出電壓,以及輸入電流。檢測到的模擬值通過模數轉換器轉換為數字值。電感電流(等于輸入電流)既可利用電流檢測電阻直接測量(精度最高),也可利用兩個電流互感器和功率開關/升壓二極管串聯間接測量。無論使用何種檢測方法,都可以在系統中校準檢測以提高測量精度。這種校準通常是與生產測試一起完成,校準值存儲在ADP1047和ADP1048的EEPROM中。除電壓和電流外,還可以校準外部溫度傳感器。
測得的電壓和電流相關信息用于操作、控制和保護,但也可通過PMBus提供給系統中的其他電路用于監控。PFC的輸入功率具有特別重要的意義,因為它能提供關于系統潛在故障的信息。為了幫助系統安全可靠地工作,可以設置不同的中斷,如標志等。電壓和電流信息以及寄存器設置可以通過集成的PMBus接口訪問。
圖形用戶界面使設計無需編程技能
富有經驗的電源設計工程師通常不擅長編寫代碼,因此,該PFC解決方案采取的辦法是把電路的數字方面縮減為易用的圖形用戶界面(GUI)。圖2所示為該軟件的屏幕截圖。所有可以更改的參數皆以圖形化方式顯示在不同的設置和監控屏幕上。這樣,評估和編程設置ADP1047和ADP1048更為安全,因為與一般微控制器或數字信號處理器編程相比,這些芯片的內部狀態機減少了用戶犯錯的空間。
展示GUI能力的一個例子是調整軟啟動特性。單擊鼠標便可調整啟動的輸入電壓閾值。隨后設置浪涌電流時間延遲。浪涌控制用于在電路啟動之前,對PFC電路的輸出電容進行預充電。這常常是通過繼電器或MOSFET實現。圖2所示屏幕截圖的中間顯示,調整此浪涌時序是何等簡便。圖2下方顯示,用戶可以調整軟啟動功能本身的行為。對此,啟動前的額外延遲時間和輸出電壓的上升時間均可調整。

圖2. 圖形用戶界面簡化設計
對電機控制應用的助益
在電機控制應用中,ADP1047/ADP1048有兩個特性尤其有用。一是通過精密功率監控檢測系統故障,二是即時調整PFC輸出電壓的能力。根據電機驅動狀態,可以調整電壓以提高效率而不影響性能。這些“智能電壓”設置可用于電機暫?;蛞猿凸β蔬\行的情況。圖3顯示包含在電機控制架構中的PFC原理圖。

圖3. 電機控制應用
PFC易于使用
若使用合適的控制器IC和恰當的支持軟件,實現數字PFC解決方案并不一定需要經歷艱難的學習曲線。對于電機控制等動態應用,這種實現方法極具價值。
推薦閱讀:



