【導讀】過去十年間,移動設備的快速發展讓手機應用滲透到社會的方方面面。日常生活中,人們幾乎手機不離身。因此,大電池容量及快速充電速度成為手機最關鍵的殺手锏之一,這也對適配器提出了更高額定功率和更高功率密度的需求,且需求正呈指數級增長。
如今,5V/1A 輸出規格的適配器早已過時,新設計的輸出規格通常在2A 以上,輸出電壓更是高達 20V。長久以來,大部分手機市場領導者(如華為、Oppo 和Vivo),一直將大功率適配器作為配件隨附在手機包裝內一同出售,這獲得了市場的積極反饋。而蘋果卻在2020 年的秋季新聞發布上,突然宣布取消附贈標準 5V/1A手機適配器,這一變化催生了零部件市場大功率適配器需求的再次繁榮。
這些大功率手機適配器采用的最常用解決方案仍然是反激式拓撲。然而,由于新的市場趨勢,采用 SR MOSFET 實現同步整流 (SR) 成為適配器設計方案的一大突破和創新。同步整流取代了傳統的肖特基二極管,成為適配器副邊主流解決方案。
同步整流基本原理
同步整流解決方案是采用 MOSFET 進行輸出電流整流,相比于二極管相對固定的正向壓降來說,MOSFET 的壓降與電流和導通電阻成正比(見圖 1)。MOSFET 對整流的傳導功率損耗有很大影響。換句話說,通過選擇具有理想導通電阻的 SR MOSFET,SR 解決方案可以實現比傳統二極管解決方案更好的效率和散熱性能,而這正是大功率適配器設計最關鍵的需求。

圖1: MOSFET 和二極管之間的 I-V 特性差異
眾所周知,在副邊帶肖特基二極管的傳統反激式變換器應用中,二極管的開關特性(尤其是反向恢復電流)對 EMI 性能有顯著影響。因此在實際應用中必須謹慎處理。但用同步整流MOSFET代替二極管后,情況就完全不同了,因為MOSFET沒有理論上的反向恢復效應。
然而,這并不一定意味著同步整流解決方案的 EMI 問題更少。相反,設計人員在設計帶 SR 的反激解決方案時應更加謹慎,尤其是在EMI 噪聲源和耦合路徑方面。
同步整流對EMI噪聲源幅度的影響
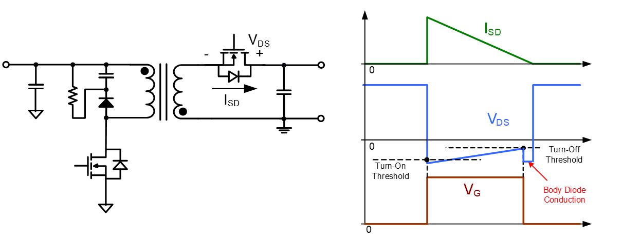
要了解同步整流對 EMI 噪聲源的影響,首先要詳細了解同步整流的工作原理。大多數控制器基于漏源電壓 (VDS) 的直接檢測來驅動 SR MOSFET,因為它不需要與原邊進行通信且降低了總 BOM 成本。圖 2 顯示出SR MOSFET 的導通和關斷通常由兩個閾值來控制。它們都是負電壓閾值,可以確保 SR MOSFET 在反向偏置時始終安全關斷。

圖2: 反激SR解決方案的基本工作原理
由上圖可以看出,兩端的體二極管有很短的導通時間:剛好在器件導通之前和 SR MOSFET 關斷之后。因此,時序控制對 SR 控制器來說至關重要,因為這兩個導通時間會引入額外的傳導損耗(時間越長損耗越嚴重)。 而且,如果關斷時間過長,則可能會因為MOSFET體二極管比較差的特性而導致SR關斷后出現嚴重的反向恢復電流。
圖 3 顯示了體二極管的反向恢復電流由于 SR 提前 400ns 關斷而上升到 9A,然后由于漏電感又導致 80V 高壓尖峰。眾所周知,EMI問題與噪聲源的脈沖幅度和斜率密切相關。這相當于反激變換器副邊更強的 EMI 噪聲源。

圖3: SR 提前關斷導致的高尖峰電流和電壓
如果 SR 關斷太晚,也會出現類似問題。圖 4 顯示了在由于傳播和驅動延遲導致電流反向之后SR關斷的結果。因為原邊和副邊MOSFET 同時導通,將導致短時間的直通。結果,負電流上升到高達10A,它會在 SR MOSFET 關斷后導致 87V的高壓尖峰。

圖4: SR關斷延遲引起的高尖峰電流和電壓
為了緩解這些問題,良好控制 SR 導通和關斷的時間至關重要。圖 5 顯示了MPS提供的一款快速關斷智能 SR 控制器,MP6908。作為反激式同步整流控制器的市場領導者,MP6908采用了目前業界最先進的 SR 控制方案,其精密尖端的信號處理、專有柵極電壓調節功能和超快關斷速度實現了最佳的同步整流時序控制。

圖5: MPS MP6908 在反激方案中的典型應用
通過控制導通和關斷時序,MP6908的電流和電壓(分別為 4A 和 62V)都只有一個相對較低的尖峰(見圖 6),這對降低 EMI 噪聲非常有效。

圖 6:MP6908 優化的時序控制保證了低尖峰電流和電壓
SR 對 CM 降噪效果的影響
市面上許多反激式同步整流解決方案都建議將 SR 放置在副邊繞組的低側,因為 SR 控制器直接從輸出獲得偏置電源要簡單得多。但傳統的肖特基二極管總是放在高側,這說明這個位置也有其益處。事實上,在共模 (CM) 噪聲消除效果方面,反激式變換器中高側和低側 SR 配置之間存在很大差異(參見圖 7)。

a) 采用低側 SR 的 CM 噪聲耦合路徑

b) 采用高側 SR 的 CM 噪聲耦合路徑
圖 7:高側 SR 和低側 SR 之間的比較
反激式變換器的每一側(原邊和副邊)都有一個主 CM 噪聲源,即開關器件和變壓器繞組連接在一起的位置(見圖 7)。
圖 7a 顯示了同步整流器放置在低側時的情況。原邊共模噪聲源和副邊共模噪聲源位于具有不同磁極的繞組末端。因此,兩個噪聲源的切換方向總是相反的。 由于兩個噪聲源位于變壓器的兩側,因此每個噪聲源產生的 CM 噪聲具有累加效應,會產生更多噪聲。
圖 7b 顯示了當 SR 放置在高側時,兩個噪聲源位于具有相同磁極的繞組末端。在這種情況下,兩個噪聲源的切換方向始終是相同的,兩者之間存在抵消作用。
基于以上對 CM 噪聲耦合的分析,高側 SR 配置在 EMI 性能方面比低側配置具有明顯的優勢。在實際應用設計中,高側和低側配置之間出現 3dB 或更大的差異也很常見。
結論
帶SR 的反激式適配器設計與帶肖特基二極管的傳統配置不同。采用同步整流解決方案的兩個主要目的是提高效率和散熱性能。但同時也需要考慮其他方面,例如 EMI 性能。
借助控制良好的反激式同步整流解決方案,設計人員可以實現更佳性能、更低的器件額定功率、更高的產品可靠性并能最大限度地降低 EMI 噪聲。與此同時,MPS 的MP6908等器件內部集成了一個高壓穩壓器,無需任何外部電路即可提供自偏置電源。再配合以高側 SR,不僅可以開發出更尖端的適配器設計,還可以降低 BOM 成本,而且無需擔心EMI 問題。
來源:MPS
免責聲明:本文為轉載文章,轉載此文目的在于傳遞更多信息,版權歸原作者所有。本文所用視頻、圖片、文字如涉及作品版權問題,請聯系小編進行處理。
推薦閱讀:






