在雙激式變壓器鐵芯中,磁滯損耗也是由流過變壓器初級線圈勵磁電流產生的磁場在鐵芯中產生的;但在單激式變壓器鐵芯中,有一部分勵磁電流存儲的能量要轉化成反激式電壓向負載輸出;而在雙激式變壓器鐵芯中,勵磁電流產生的能量基本上都是用于充磁與消磁。
雙激式變壓器鐵芯的磁滯損耗和渦流損耗在工作原理上與單激式變壓器鐵芯的磁滯損耗和渦流損耗是有區別的。
雙激式變壓器鐵芯的磁滯損耗和渦流損耗在工作原理上與單激式變壓器鐵芯的磁滯損耗和渦流損耗是有區別的。
首先雙激式變壓器初級線圈輸入的電壓是雙極性脈沖,電源在正負半周期間都向它提供能量。其次,單激式變壓器鐵芯是靠變壓器初級線圈自身產生的反電動勢在電路中產生的電流進行退磁的,而雙激式變壓器鐵芯,除了靠變壓器初級線圈自身產生的反電動勢在電路中產生的電流進行退磁之外,當另一反極性電壓脈沖加到變壓器初級線圈上時,原勵磁電流存儲的能量還可以反饋給換相輸入電壓進行充電。
在雙激式變壓器鐵芯中,磁滯損耗也是由流過變壓器初級線圈勵磁電流產生的磁場在鐵芯中產生的;但在單激式變壓器鐵芯中,有一部分勵磁電流存儲的能量要轉化成反激式電壓向負載輸出;而在雙激式變壓器鐵芯中,勵磁電流產生的能量基本上都是用于充磁與消磁。因此,雙激式變壓器鐵芯的磁滯回線的面積比單激式變壓器鐵芯磁滯回線的面積大很多,磁滯損耗也大很多。
雙激式變壓器鐵芯渦流損耗的機理與單激式變壓器鐵芯渦流損耗的機理基本是一樣的,但雙激式變壓器鐵芯的渦流損耗要比單激式變壓器鐵芯的渦流損耗大很多,因為,雙激式變壓器鐵芯的磁通密度變化范圍比單激式變壓器鐵芯的磁通密度變化范圍大很多。
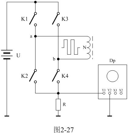
根據(2-65)式和(2-66)式以及圖2-19和圖2-20的分析結果,我們可以用圖2-27電路來測試雙激式開關變壓器的磁滯損耗和渦流損耗。與圖2-25的工作原理基本相同,圖2-27的主要工作原理是,在變壓器初級線圈兩端加一序列雙極性電壓方波,然后測試流過變壓器初級線圈的電流;


根據前面分析,磁滯損耗主要由勵磁電流 產生的,但雙激式開關變壓器初級線圈中的勵磁電流與單激式開關變壓器初級線圈中的勵磁電流產生的作用并不完全相同。單激式開關變壓器初級線圈中的勵磁電流產生磁場對變壓器貼芯進行充磁和退磁外,其存儲的能量只能用來作為反激式輸出給負載,因為變壓器初級線圈輸入的電壓是單極性脈沖,變壓器初級線圈無法換相。
而雙激式開關變壓器初級線圈中的勵磁電流除了用來消磁和充磁以外(即轉換成磁滯損耗),其存儲的能量還可以反饋給換相輸入電壓進行充電,因為勵磁電流存儲的能量產生反電動勢的方向正好與換相時輸入電壓的方向相反,兩者作用互相對消,使原來流過初級線圈中的勵磁電流由最大值迅速下降到0,即:反電動勢的能量被迅速轉移到輸入電路中,相當于能量被重復利用。
圖2-27中,U是電源電壓,N為變壓器初級線圈,控制開關K1、K2、K3、K4組成橋式開關控制電路,K1和K4為一組,K2和K3為一組,兩組開關輪流接通與斷開,把電源電壓正反向加于變壓器初級線圈兩端;R為取樣電阻,通過測量R兩端的電壓,就可以知道流過變壓器初級線圈的電流;取樣電壓被送到示波器Dp進行顯示。
圖2-28是圖2-27電路中變壓器初級線圈兩端電壓、電流以及取樣電阻上的電壓波形圖。圖2-28-a是變壓器初級線圈兩端的電壓波形;圖2-28-b是流過變壓器初級線圈兩端的電流波形;圖2-28-c是取樣電阻兩端的電壓波形。







這里順便指出,利用(2-88)和(2-89)式來分別測試變壓器鐵心的磁滯損耗和渦流損耗是非常困難的;一個是它們的系數很難決定,另一個是兩者很難分別進行測量,或從測量結果中進行分離。對比兩式的參數就可以知道,它們之間最大的區別是頻率對損耗的影響程度;一個是與頻率成正比,另一個是與頻率的平方成正比。
理論上可以通過改變輸入電壓頻率的方法來進行測量,然后再對測試結果進行分離;但當輸入電壓的參數與變壓器的實際工作情況相差太遠時,測試結果將毫無意義。