中心議題:
- 智能家居照明系統方案
- 2.4G模塊
- 智能家居照明控制設計
隨著科技的發展,越來越多的自動化、智能化的產品進入到人們的生活,智能家居正逐漸取代傳統家居,成為一種行業發展潮流。智能家居照明系統作為智能家居系統的一個重要子系統,具有高效節能、管理簡單、控制多樣、成本較低和容易進入市場的優勢。本文對面向智能家居的智能照明系統進行研究和開發,完成了一種單片機控制的、低成本的智能家居照明系統。
1.概述
智能家居照明系統隸屬于智能家居中的一個子系統,也可以單獨使用。智能家居照明系統能控制不同生活區域不同場合的各種照明效果輕松解決家居節能問題、提高生活品質。生活中常常遇到這樣的問題,當在客廳中看電視或讀書時并不需要太強烈的照明光線不得不關掉客廳大燈開啟光線相對較暗用于滿足看電視或讀書需要的其他燈具。為了滿足不同場合的照明要求,需要安裝多種燈具,這給燈具控制帶來極大的不方便,智能照明系統能輕松解決這個問題。只要按下手中的遙控器就能換轉場景燈光照明。
智能家居照明系統控制方式的解決方案分為有線方式和無線方式。有線方式包括電力線載波的X-10 和CEBUS、電話線方式的HomePNA、以太網方式IEEE802.3 以及專用總線方式的LONWORKS 和IEEE1394 等等。其中用電力線作為網絡信息的傳輸介質的優點是:不需要另外布設電纜,降低施工難度;缺點是傳輸速率只有300Kbps,難以滿足視頻和音頻信號的傳輸,保密性差,接入設備昂貴等。無線方式包括紅外線方式的IrDA、無線局域網方式的IEEE802.11 系列、家庭射頻技術的HomeRF、藍牙的IEEE802.15.1、ZigBee 的IEEE802.15.4 等等。
無線方式解決了布線的難題,同時也能滿足視頻和音頻信號的傳輸。本文以2.4G 射頻技術為基礎介紹一種智能家居照明系統。
2.系統方案
系統方案框圖如圖1 所示。本方案采用STC12C5A08AD 作為MCU控制器,STC12C5A08AD 是宏晶科技公司最新一代單片機,采用第6 代保密技術,程序燒寫后無法解密,增強了保密功能。速度比普通的8051單片機快8~12 倍,內建4 個16 位定時器,功耗比較低。MCU 的控制信號通過光耦控制可控硅來控制燈具的明亮程度,在強電控制接口加有電流檢測回路,檢測強電電流的大小,用作檢測反饋。通訊方式采用2.4G 無線通信模塊,無需布線,降低成本,控制方式靈活,遙控范圍廣,通訊速度快。本方案一共可以控制12 路燈具,適用于家庭照明控制。

圖1 系統方案框圖
3. 2.4G 模塊
目前用于2.4GHz 通訊的通用芯片常見的有挪威Nordic 公司的nRF2401 無線芯片模組,以色列RFWave 公司的RFW102 無線芯片模組等[5].根據設計需求及成本考慮,本設計中采用Nordic 公司的nRF2401進行無線數據傳輸。
[page]
nRF2401 是一個單片無線收發一體芯片,工作在2.4GHz ISM 頻段,完全集成功率合成器、功率放大器、晶體振蕩器和調整電路。采用QFN24 5×5 毫米封裝,應用電路使用外圍元件少(見圖2);采用FSK 調制方式,125 個頻道,能滿足多頻及跳頻需要;傳輸速率高達1Mbps,具有高數據吞吐量;功耗低,電源電壓1.9V~3.6V 滿足低功耗設計需要;芯片內部設有專門穩壓電路,使用各種電源包括DC/DC 開關電源均有較好的通信效果。

圖2 2.4G 通訊電路
4.照明控制
常用的調光方法有:脈沖寬度調制(PWM)調光法、改變半橋逆變器供電電壓調光法、脈沖調頻調光法、脈沖調相調光法和可控硅相控調光法。可控相控調光法具有體積小、價格合理和調光功率范圍寬等優點,本系統最終采用可控硅相控調光來調節燈具的明亮程度。
應用可控硅相控原理,通過控制可控硅的導通角,將電網輸入的正弦波電壓斬掉一部分,以降低輸出電壓的平均值,達到控制燈具供電電壓,從而實現調光。可控硅相控調光對照明系統的電壓調節速度快,調光精度高,調光參數可以分時段實時調整。由于調光電路主要是電子元件組成,相對來說體積小、設備質量輕、成本低。
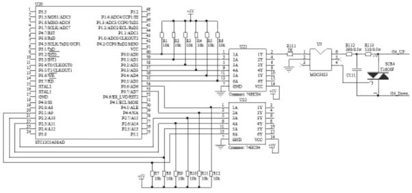
[page]
可控硅相控調光電路如圖3 所示。單片機的控制信號經74HC04反相后送到光耦MOC3023,光電隔離后輸入到可控硅T16C6F 的控制極,控制可控硅的導通角,實現調光。

圖3 可控硅相控調光電路
5.結束語
基于單片機控制的智能家居照明系統,具有成本低、開發時間短、安裝維護方便、容易滿足客戶不同需求等優點,市場前景廣闊。目前我國的消費水平并不高,對于系統龐大的高檔智能家居需求并不大,而智能家居照明系統的低成本,在家居市場上應用越來越廣泛。本文介紹的基于單片機控制的智能家居照明系統具有一定的市場推廣價值。




