【導讀】偏置電流在運放輸入端外部電阻后產生電壓會對使用者造成麻煩,產生系統誤差。比如對于一個同相單位增益緩沖電流,如果信號源電阻為 1MΩ,那么當 時,就會產生 10mV 的誤差,對于任何系統這個誤差都不能被忽略。
基于電感器的開關架構電源有3中常見的拓撲結構,分別是BUCK降壓電源、BOOST升壓電源以及BUCK-BOOST負壓電源,今天介紹的第4中拓撲——4開關BOB電源,在手機、汽車、嵌入式等領域都有廣泛應用,它的基本工作原理是怎樣的呢?有什么優勢呢?
一. 4開關拓撲
4開關BOB電源全稱是BUCK or BOOST升降壓電源,顧名思義,既可以降壓,又可以升壓,兼容BUCK和BOOST電源的功能。
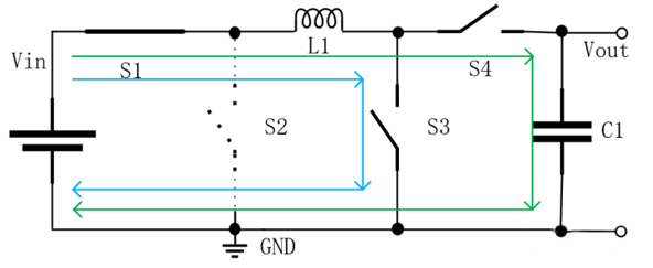
下圖是4開關BOB電源的拓撲示意圖,4個開關帶一個電感,通過控制開關的導通、斷開的不同狀態來衍生出不同的電源架構。

二. 降壓模式
當S4處于常閉、S3處于常開狀態時,反復開關的管子是S1和S2,這就構成了BUCK降壓結構。下圖就是BUCK的結構,有S1、S2兩個工作管子,這種BUCK被稱為同步BUCK,效率會高一些。有兩種工作周期,1:S1閉合、S2斷開,對電感L1充電,見下圖綠色曲線;2:S1斷開、S2閉合,電感對負載放電,見下圖藍色曲線。

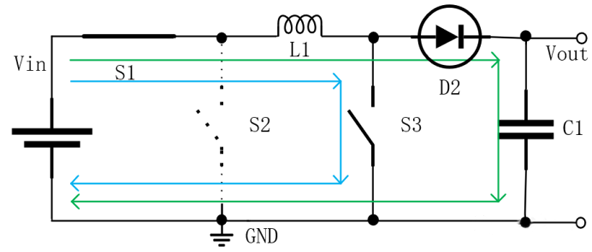
將上圖中的S2代替為二極管也可以起到降壓作用,然而效率會降低一些,二極管會消耗一部分功率,這種結構被稱為非同步BUCK,只有S1一個管子動作。當S1閉合時,對電感L1充電,見下圖綠色曲線;當S1斷開時,電感L1通過負載——>二極管D2進行放電,見下圖藍色曲線。

對于非同步BUCK,如果在上圖中SW點開關節點位置測量電壓,會發現一個奇怪的負電壓,如下圖紅色圈圈中那樣,這是因為二極管需要有一個導通低電壓,一般是0.7V,就剛好出現這個小小的負電壓。


三. 升壓模式
當S1處于常閉、S2處于常開狀態時,反復開關的管子是S3和S4,這就構成了boost升壓結構。下圖就是BOOST的結構,有S3、S4兩個工作管子,有兩種工作周期,1:S3閉合、S4斷開,對電感L1充電,見下圖藍色曲線;2:S3斷開、S4閉合,電感對負載放電,見下圖綠色曲線。

同樣地,也可以把S4代替為二極管,依然實現升壓結構。

總而言之,4開關架構電源,通過對開關進行配置,可以自由工作在降壓或者是升壓的模式。

四. 為什么需要BOB?
我們為什么需要BOB電源,這種電源有什么優勢?
有一些對于電源噪聲要求比較高的場合,我們傾向于使用低噪聲的LDO,LDO的輸入一般通過開關電源提供,最典型的架構是BUCK+LDO或者是BOOST+LDO。為了達到對電源的高效利用,電源系統中往往一個開關電源后面會接多路LDO,見下面示意圖,比如開關電源的輸入是3.0V,需要搭配多種LDO電源。

有同學會說,為什么不直接用一個BOOST聲壓電源來覆蓋這么多種電源需求呢?
如果使用BOOST這種一刀切滿足所有LDO要求的方法,假如高電壓的負載沒有工作時,見下圖紅色部分,依然使用BOOST的話,綠色LDO會額外增加功耗,因為LDO功耗與輸入和輸出的壓差成正比。對于下圖中,BOOST輸出是3.5V可以滿足所有LDO的需求,但是在3.3/2.9/2.8等LDO關閉時,BOOST繼續輸出3.5V的話,就會給LDO帶來額外功耗,LDO1.0的功耗是(3.5-1.0)*Io(Io是LDO的負載電流),無論怎么降低BOOST的輸出電源,它也不會低于3.0V。

不要小看這些功耗,對于移動嵌入式等產品而言,續航就是生命!
所以,升降壓電源就給我們帶來了更好的選擇,假如高電壓LDO沒有工作時,升降壓電源可以通過BUCK模式降低自己的輸出到1.2V,這樣的話LDO的功耗就會大大降低,
((1.2-1.0)*Io)/((3.5-1.0)*Io)=8%,這種架構的功耗只有原來功耗的8%,收益很明顯,當然實際的功耗收益和負載的工作狀態息息相關。

以上就是4開關電源的工作原理,你學廢了嗎?
(來源:工程師看海,作者:工程師看海)
免責聲明:本文為轉載文章,轉載此文目的在于傳遞更多信息,版權歸原作者所有。本文所用視頻、圖片、文字如涉及作品版權問題,請聯系小編進行處理。
推薦閱讀:





