【導讀】您可能很清楚,現代電氣工程乃至整個現代世界都與晶體管設備有著千絲萬縷的聯系。這些組件既充當開關又充當放大器。盡管場效應晶體管目前在電子領域占據主導地位,但初的晶體管是雙極晶體管,并且很快個雙極結晶體管(BJT)就緊隨其后。
您可能很清楚,現代電氣工程乃至整個現代世界都與晶體管設備有著千絲萬縷的聯系。這些組件既充當開關又充當放大器。盡管場效應晶體管目前在電子領域占據主導地位,但初的晶體管是雙極晶體管,并且很快個雙極結晶體管(BJT)就緊隨其后。
BJT 有兩種基本類型:NPN 和 PNP。這些字母指的是正摻雜和負摻雜半導體層的排列,如下圖所示:
彩色 PNP 和 NPN 圖
請注意,彩色 PNP 和 NPN 圖是簡化圖,并不反映集成電路 BJT 的實際物理配置。
NPN 與 PNP:為什么 PNP 晶體管很重要
根據我的經驗,NPN 晶體管比 PNP 晶體管更受關注。我想到了幾個原因:
NPN 晶體管的電壓和電流行為(至少在我看來)明顯更加直觀。
當需要開關或驅動器電路時,NPN 為數字輸出信號(例如微控制器生成的控制信號)提供更直接的接口。
實際上,NPN 在很多重要方面都比 PNP 更好。這導致 NPN 占據特別主導地位,因為 BJT 必須與 MOSFET 競爭,而當 BJT 團隊派出 NPN 參加比賽時,BJT 團隊更容易獲勝。 2009 年加州大學伯克利分校文檔的作者Chenming Hu甚至表示,由于這種情況(即較高的 NPN 性能和普遍偏愛 MOSFET),BJT“幾乎完全是 NPN 類型”。
因此,我們不能否認 PNP 不太常見,而且一般來說不太受歡迎,但這并不意味著我們應該忽視它們。本文的其余部分將討論 PNP 的特性和應用。
電荷載流子:電子與空穴
如上所示,PNP晶體管的發射極和集電極是通過p型摻雜形成的。這意味著 PNP 中的大部分載流子是空穴。
這一事實似乎與實際工程無關,因為只要電路正常工作,我們實際上并不關心使用什么類型的電荷載體。但事實證明,我們不能簡單地忽視空穴與電子的問題,因為空穴比電子“慢”。更具體地說,他們的流動性較低。
如下圖所示,電子遷移率始終高于空穴遷移率,盡管摻雜濃度確實會影響兩者之間的差異。 (請注意,該圖專門針對硅。)
電子遷移率圖
您可能已經猜到,較高的電子遷移率使 NPN 晶體管比 PNP 晶體管具有速度優勢。上面引用的加州大學伯克利分校的文件表明,較高的遷移率也會導致較高的跨導,而較高的跨導意味著較高的小信號增益。不過我對此并不確定。據我所知,遷移率僅對 MOSFET 跨導有顯著影響,對 BJT 跨導沒有影響。如果我錯了,請隨時在評論部分告訴我。
NPN 與 PNP IC 制造
PNP 不如 NPN 受歡迎的另一個原因是,它與許多電氣工程師永遠不需要擔心的事情有關:制造集成電路的實際過程。我看到各種跡象表明 NPN 比 PNP 更容易制造和/或更便宜,盡管很難找到有關此主題的詳細(和權威)信息。
不過,我確實找到了一個可靠的解釋,它與 BiCMOS 技術特別相關。我的舊 Sedra 和 Smith 教科書(《微電子電路》)說“大多數 BiCMOS 工藝”無法生產優化的 PNP 晶體管。使用 BiCMOS 的 IC 設計人員顯然不得不接受未優化的器件,或者也許“徹頭徹尾的平庸”是描述它們的更好方式。書中指出β值在10左右,高頻表現并不理想;相比之下,BiCMOS NPN 器件的 β 為 50 到 100,并且可以在高達千兆赫范圍的頻率下使用。
PNP 晶體管的實現
PNP 的基本操作與 NPN 相同,但極性相反,有時會導致電路配置不方便。
電流從發射極流向基極;發射極必須高于基極約 0.6 V,以便正向偏置基極-發射極結。
電流從集電極流出,集電極電壓低于發射極電壓。
共發射極配置對于 NPN 來說是直觀且直接的,但對于 PNP 來說就有點奇怪了,因為“共”發射極不是接地而是連接到正電源軌。
PNP的共發射極
PNP 晶體管電路的應用
我的目標不是列出所有可以采用 PNP 晶體管的電路。實際上,這是不可能的,因為 PNP 可以以無數種方式使用,盡管在許多情況下 NPN 可能更可取。相反,我將重點介紹一些我注意到的常見 PNP 晶體管的電路或應用。
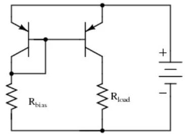
高側電流鏡或有源負載(例如我關于 增益裕度和相位裕度的文章中使用的負載)。
高邊電流鏡
互補驅動器/放大器配置,例如 B 類和 AB 類輸出級。
互補的驅動器/放大器配置
低壓差穩壓器。使用 PNP 而不是 NPN 作為傳輸元件可以使穩壓器的壓差電壓顯著降低,但同時也會增加靜態電流(有關更多信息,請參閱本應用筆記)。
負載一側接地的驅動器應用。 PNP 的發射極連接到驅動電壓,負載的另一側連接到集電極。
免責聲明:本文為轉載文章,轉載此文目的在于傳遞更多信息,版權歸原作者所有。本文所用視頻、圖片、文字如涉及作品版權問題,請聯系小編進行處理。
推薦閱讀:



