中心議題:
- 過壓保護器件需要修改電路
- 討論兩種類似應用
解決方案:
- 增大電路的最大輸入電壓
- 增加一個電阻和齊納二極管,用來對IN的電壓進行箝位
- 利用輸出端電容儲能
引言
MAX6495–MAX6499/MAX6397/MAX6398過壓保護(OVP)器件用于保護后續電路免受甩負載或瞬間高壓的破壞。器件通過控制外部串聯在電源線上的n溝道MOSFET實現。當電壓超過用戶設置的過壓門限時,拉低MOSFET的柵極,MOSFET關斷,將負載與輸入電源斷開。
過壓保護(OVP)器件數據資料中提供的典型電路可以滿足大多數應用的需求(圖1)。然而,有些應用需要對基本電路進行適當修改。本文討論了兩種類似應用:增大電路的最大輸入電壓,在過壓情況發生時利用輸出電容存儲能量。

圖1. 過壓保護的基本電路
增加電路的最大輸入電壓
雖然圖1電路能夠工作在72V瞬態電壓,但有些應用需要更高的保護。因此,如何提高OVP器件的最大輸入電壓是一件有意義的事情。圖2所示電路增加了一個電阻和齊納二極管,用來對IN的電壓進行箝位。如果增加一個三極管緩沖器(圖3),就可以降低對并聯穩壓器電流的需求,但也提高了設計成本。

圖2. 增大最大輸入電壓的過壓保護電路

圖3. 通過三極管緩沖器增大輸入電壓的過壓保護電路
齊納二極管的選擇,要求避免在正常工作時消耗過多的功率,并可承受高于輸入電壓最大值的電壓。此外,齊納二極管的擊穿電壓必須小于OVP的最大工作電壓(72V),擊穿時齊納二極管電流最大。
串聯電阻(R3)既要足夠大,以限制過壓時齊納二極管的功耗,又要足夠小,在最小輸入電壓時能夠維持OVP器件正常工作。
圖2中電阻R3的阻值根據以下數據計算:齊納二極管D1的擊穿電壓為54V;過壓時峰值為150V,齊納二極管的功率小于3W。根據這些數據要求,齊納二極管流過的最大電流為:
3W/54V = 56mA
根據這個電流,R3的下限為:
(150V - 54V)/56mA = 1.7kΩ
R3的峰值功耗為:
(56mA)² × 1.7kΩ = 5.3W
如果選擇比5.3W對應電阻更小的阻值,則會在電阻和齊納二極管上引起相當大的功率消耗。
為了計算電阻R3的上限,必須了解供電電壓的最小值。保證MAX6495正常工作的最小輸入電壓為5.5V。例如,假設供電電壓的最小值為6V,正常工作時R3的最大壓降為500mV。由于MAX6495的工作電流為150µA (最大),相應電阻的最大值為:
500mV/150µA = 3.3kΩ
圖2中的R3設置為2kΩ,可以保證供電電壓略小于6V時OVP器件仍可以正常工作。
注意,發生過壓故障時,R3和D1 (圖2)需要耗散相當大的功率。如果過壓條件持續時間較長(如:幾十毫秒以上),圖3所示電路或許更能勝任應用的要求。圖中射極跟隨器通過降低從R3與D1節點抽取的電流大大增加R3所允許的最大值。以β值為100的三極管為例,此時150µA的器件工作電流變成1.5µA。這種情況下,不能忽略5µA的二極管反向漏電流。R3為10kΩ,因此,由于漏電流在R3上產生的壓降會達到50mV。
在IN和GND間使用一個1µF (最小值)的陶瓷電容。確保器件的電壓范圍滿足輸入電壓的要求,須注意MOSFET的VDS_MAX額定值。
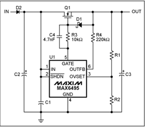
利用輸出端電容儲能
發生過壓時,典型應用電路能夠對輸出電容自動放電,以保護下游電路(圖4),有些應用需要利用輸出電容儲存能量,并且能夠在瞬間高壓的條件下繼續維持下游電路的供電,利用圖5電路可以達到這一目的。

圖4. 典型的限壓電路提供輸出電容放電通道
MAX6495–MAX6499/MAX6397/MAX6398通過內部100mA的電流源(見圖4)連接到GATE輸出,以對柵極電容和輸出電容放電。電流源先對GATE放電(電流I1,綠色箭頭),直到GATE的電壓等于OUTFB電壓,然后斷開FET,電流源繼續降低GATE電壓,最后,直到內部的箝位二極管變為正向偏置,對輸出電容放電(電流I2,紅色箭頭)。

圖5. 帶有輸出電容儲能功能的過壓限制電路
如果OUTFB沒有連接,則斷開了通過箝位二極管放電的通路,不再對輸出電容放電。然而,MOSFET的柵極就不再有保護箝位二極管,VGS_MAX有可能超出額定值。
在MOSFET源極和柵極之間增加一個外部箝位二極管(圖5中的D1)可重新建立輸出端與100mA恒流源之間的通路。在柵極和GATE引腳之間增加一個串聯電阻(圖5中的R3),將會限制輸出電容的放電電流,降低電流。限制放電電流的同時會增加電路的斷開時間,也降低了電路對瞬態過壓的響應速度。在串聯電阻兩端并聯一個電容(圖5中的C4)可以減輕對響應時間的影響,還可以選擇使用電阻R4,避免OUTFB浮空。
如果將SET外部的分壓電阻連接到輸出端,而不是輸入端(參考上述電路圖),使MAX6495–MAX6499/MAX6397/MAX6398工作在限幅模式,發生過壓時,電路會定期地對輸出電容進行充電。電容電壓跌落到過壓門限的滯回電壓以下時,MOSFET導通,對電容充電;當電容電壓達到過壓門限時,MOSFET斷開。
圖6給出了MAX6495–MAX6499/MAX6397/MAX6398工作在過壓監控模式的電路。輸入電壓經過電阻分壓后連接到SET引腳,當輸入過壓時,斷開MOSFET,并將一直維持斷開狀態,直到解除輸入過壓故障。

圖6. 過壓監測模式下的過壓比較配置




