- 鋰電池保護IC的工作原理
- 鋰電池保護IC測試電路設計方案
- 新方案的優缺點對比
- 用MOSFET做簡單的微電流源
- 采用高精度可變電位器
由于鋰電池的體積密度、能量密度高,并有高達4.2V的單節電池電壓,因此在手機、PDA和數碼相機等便攜式電子產品中獲得了廣泛的應用。為了確保使用的安全性,鋰電池在應用中必須有相應的電池管理電路來防止電池的過充電、過放電和過電流。鋰電池保護IC超小的封裝和很少的外部器件需求使它在單節鋰電池保護電路的設計中被廣泛采用。
然而,目前無論是正向(獨立開發)還是反向(模仿開發)設計的國產鋰電池保護IC由于技術、工藝的原因,實際參數通常都與標準參數有較大差別,在正向設計的IC中尤為突出,因此,測試鋰電池保護IC的實際工作參數已經成為必要。目前市場上已經出現了專用的鋰電池保護板測試儀,但價格普遍偏高,并且測試時必須先將IC焊接在電路板上。因此,本文中設計了一個簡單的測試電路,借助普通的電子儀器就可以完成對鋰電池保護IC的測試。
鋰電池保護IC的工作原理
單節鋰電池保護IC的應用電路很簡單,只需外接2個電阻、2個電容和2個MOSFET,其典型應用電路如圖1所示。

圖1鋰電池保護IC的典型應用電路
鋰電池保護IC測試電路設計

圖2鋰電池保護IC測試電路
[page]
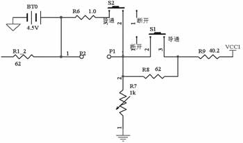
根據鋰電池保護IC的工作原理設計的測試電路如圖2所示,圖3詳細說明了圖2中模塊B的電路。模塊A在測試過流保護時為CS引腳提供電壓,模擬圖1中的CS引腳所探測到的電壓。調整模塊中的可變電位器可為CS引腳提供可變電源,控制其中的跳變開關可為CS提供突變電壓。模塊B為電源,模擬為IC提供工作電壓。調整電路中的可變電位器R7可為整個電路提供一個可變電壓,在測試過充電保護電壓和過放電保護電壓時使用??刂颇K中的開關S1的閉合為測試電路提供一個跳變電源,在測試IC的過充、過放和過流延遲時使用。
跳線端口P1、P2在測試IC工作電流時使用,在測試其他參數時將開關S2導通即可。測試IC工作電流時,將電流表接在P1、P2上,將開關S2斷開。模塊C是用2個MOSFET做成的微電流源,在測試OD、OC輸出高、低電平時向該引腳吸、灌電流,只要MOSFET選擇恰當,可以滿足測試需要。模塊D是2片MOSFET集成芯片,相當于圖1中的M1、M2,其中的兩個端口在測試MOSFET漏電流時使用,在測試其他參數時要將這兩個端口短接。模塊E是一個IC插座,該插座用于放置待測IC,最多可以放置4片IC(測試時只能放一片IC),測試完以后可以將IC取出,不留任何痕跡,不影響IC的銷售和再次測試。

圖3模塊B的電路圖
在測試電路的設計中,對電阻的選擇要慎重。在模塊A、B、C中由于有可變電位器的存在,如果其他電阻選擇不適當容易造成電路的燒毀,尤其是模塊A和B中的可變電位器的選擇對測試各種電壓的精度影響很大。本電路中兩個可變電位器都是1K/10圈的,精度較高。模塊C中的MOSFET的選擇要注意其工作電流范圍,在測試需要用到的電流只有兩個級別,一個是零點幾個微安,一個是幾十微安,因此一般要求能提供微安級以下的電流。另外,電源的穩定度對整個IC測試參數的影響很大,因此,在測試時盡量使用穩定性好的電源。
本設計的特點
本設計有以下三個特點。
●在測試IC過充、過放和過流的延遲時利用開關將電阻短路或開路來實現電路電源的突變,并且利用示波器同時抓電源和OC、OD跳變波形圖來測量延遲時間。
●為了實現測試OC、OD高、低電平時向引腳吸、灌電流,本電路用MOSFET做了兩個簡單的微電流源,選用的MOSFET型號為TN0201T,利用柵級電壓控制漏、源級電流,以漏、源級電流為電流源,精度可以達到0.1μA,基本可以滿足測試的需要。
●測試過流保護電壓時,即測試使OD引腳從高電平跳變為低電平的CS引腳電壓。短流保護電壓遠高于過流保護電壓,當電壓達到過流保護電壓時電路已經發生跳變,OD輸出一直為低電平,因此常規方法無法測試出短流保護電壓,于是,本文采用了一種間接的近似測試方法。IC對過電流保護的延遲時間大概為幾個到十幾個毫秒,而短流延遲時間則大概為十幾個微秒,因此可以根據過流延遲時間與短流延遲時間的不同來近似測試短流保護電壓。此參數使用專用的鋰電池保護板測試儀也無法測出。
本測試電路也存在一些不足。一是對IC測試的精度與電源穩定度、電表精度有關,其中,對各種電壓測試的精度還與可變電位器的精度有關;二是短流保護電壓測得的是近似值。
雖然目前市場上有很多鋰電池保護板測試儀,但價格昂貴,并且測試參數固定,不能滿足實際測試的需要。在實際的應用中,客戶最注重的鋰電池保護IC的幾個主要參數為:過充、過放和過流保護電壓、靜態工作電流和斷電電流、過充、過放和過流保護延遲,以及OD、OC引腳的輸出高、低電平。本文提供的測試方法可以很精確地測出上述參數,已經超出了鋰電池保護板測試儀所能測試的參數。因此,在一些對鋰電池保護IC參數要求很全面或條件比較受限制的場合,本文提供的測試電路和測試方法是一種較好的選擇。
上述測試電路和測試方法已經投入使用,現已成功測試千余片鋰電池保護IC。從測試結果來看,除了短流保護電壓是近似測試以外,其余參數測試都與專用的測試儀器測出的結果非常吻合;從客戶反映情況來看,該測試電路測出的參數準確,能滿足客戶需要。由于本測試電路沒有封裝(加外殼),可以根據客戶的需要增加適當電路測試出更多參數(如本文中提到的測試MOSFET漏電流大?。?。




