【導讀】端口對PC外設的發展起到了革命性的推動作用,并且正變得越來越流行,比如在采集測量數據或在機器上安裝軟件更新等應用中就非常常見。作為用于數據傳輸的一種總線系統,只要有移動設備連著的地方就有它的身影。雖然在日常生活中使用的連接器看起來非常結實,但USB應用開發人員仍然必須重視這些接口的保護。
在Intel公司的“高速USB平臺設計指南”中,甚至提高了考慮USB端口易感性因素的重要性。Intel建議用電流補償型扼流圈抑制EMI,再用其它元件防止靜電放電(ESD)。電子設備經常會遭受靜電放電。靜電放電脈沖電壓可能高達30kV,因此對所有類型的集成電路來說都是非常危險的。目前有些IC對靜電放電來說是“安全的”,但這種安全性只是對一小部分潛在威脅來說是有保證的。日常操作表明:額外保護是必不可少的。只有采取外部保護措施才能開發出整塊電路板不受靜電放電影響以及高度可靠的產品來。專門的抑制措施同樣也是必需的。無線聯網的電子設備如今是遍地開花,它們的數量正在與日俱增。
使自己的產品不受輻射干擾的影響非常重要。只有考慮了預期的干擾形式,才能在設計中及時集成必要的抑制元件,進而縮短開發周期。我們知道,自身產品的輻射型干擾也必須處于某個電平之下。這可以通過EMC測試實驗室進行很精確的評估。如果產品沒有通過這種測試,那么立馬返工的成本將超過抑制元件成本的好幾倍。
實際的抗干擾能力
在提到干擾對USB的影響時,差分模式數據傳輸與簡單的同軸電纜相比具有很大的優勢。在感性干擾效應(磁場)情況下,導線的絞合可以彌補干擾效應。鑒于每根雙絞線的部分電感的對稱性,干擾會彼此影響補償效果。這種抗干擾效果在實際應用中會大打折扣。
●USB控制器的輸入/輸出不是完全對稱的,因此USB信號顯示出共模干擾。
●Layout與HF/EMC不兼容,寄生電容和缺少波阻匹配會產生共模干擾。
●電路設計(USB濾波器)不充分,濾波器影響信號質量,和/或插損太低。
●接口設計(插座,外殼)不充分。不良的接地會減小電纜的屏蔽衰耗。濾波器具有不良的接地參考。
●USB電纜不對稱、屏蔽不良以及沒有足夠好的接地。這種電纜會劣化信號質量,輻射信號諧波,對外部干擾源起不到足夠的屏蔽衰減。
問題:其中一些點可能不受影響,這些點包括外購USB控制器的技術性實現,或最終用戶使用“便宜的”USB電纜。因此必須采取一些預防性措施,防止接口受到可能損壞USB控制器的外部干擾的影響,同時通過電纜限制信號的干擾輻射量。
保護元件的選擇
靜電放電(ESD)保護的定義為:依照EN 61000-4-2標準防止ESD脈沖,依照EN 61000-4-5防止浪涌脈沖,以及依照EN 61000-4-4防止突發(EFT)脈沖。瞬態電壓抑制器(TVS)二極管必須滿足這些功能。重要的是:為了保護諸如USB等快速數據線受到過壓的破壞,應該使用具有低電容特性的TVS和陶瓷ESD抑制器,以免USB信號發生失真。基于這個原因,Würth Elektronik eiSos公司開發出了專門在這方面作了優化的元件,并且在數據線上是不可見的。TVS二極管的電容值不到1pF,電容值最高0.2pF的陶瓷ESD抑制器是保護USB端口的理想選擇。
在選擇元件時需要問幾個問題:有沒有用于軌到軌連接的供電電壓((GND < I/O 信號 < Vcc)?用TVS二極管吧。沒有供電電壓嗎,還是應該選用陶瓷元件?在本例中,必須選用TVS二極管,其VDD引腳可以懸空,或使用ESD抑制器。
進一步的問題:期望的最大ESD電壓是多少?應該保護一個還是兩個USB端口?有時一條USB數據線會連接到了TVS二極管的兩個I/O引腳,這將產生更好的保護效果,這也是為何優先使用TVS二極管陣列的原因。
不要忘了電源
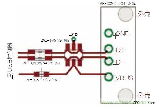
對于一個端到端的EMC兼容設計而言,對電源(VBUS)進行濾波也很重要。許多開發人員忽視了這一點,卻不知道他們的產品為何通不過EMC實驗室的測試。這里介紹了針對一個或兩個USB端口的兩種優化設計。兩條USB線可以用TVS二極管加以保護。所有4條信號線以及公共電源都得到了很好的靜電放電保護。進一步的優化可以通過用一個電流補償式數據線扼流圈和電容,搭建一個LC濾波器濾除輸入端的共模和差模干擾來實現。在電源端使用WE-CBF系列貼片磁珠可以實現卓越的抑制性能(圖1)。

圖1:具有靜電放電保護功能的雙端口USB端口
單通道保護元件(如WE-VE系列靜電放電抑制器)必須始終連接在信號線與地之間。不必使用小電容的靜電放電抑制器來保護電源,普通的SMD變阻器就足夠了。它可以吸收較高的能量和較高的電流,因此是設計的第一選擇(圖2)。

圖2:與屏蔽數據線不同,電源端不必使用小電容的靜電放電抑制器
針對USB端口的推薦Layout
從圖3可以明顯看出,有兩條差分信號線(D+和D-)從插頭連接器連接到TVS二極管,再通過電流補償式數據線扼流圈連接到USB控制器。這樣能夠得到出色的靜電放電保護功能,并能良好的抑制數據線對。VBUS通過TVS二極管路由到貼片磁珠。在貼片磁珠之后,可以插入額外的電容和另一個貼片磁珠來實現最大可能的PI濾波器衰減。

圖3:USB端口保護
在非常敏感的IC和/或高可靠性開發案例中,通過兩次連接TVS二極管引腳可以實現最優的靜電放電保護效果(圖4)。

圖4:USB端口的雙重保護
希望采用單通道保護元件的開發人員可以使用WE-VE系列靜電放電抑制器。這些抑制器總是必須從D+/D-連接到地。還要連接其它一些元件,如圖5所示。

圖5:采用單通道元件的保護機制
小結
在EMC兼容設計中應避免風險。必須要指出的是,干擾會威脅到數據通信的完整性——特別是對于通過USB實現的數據傳輸而言。EMC不是“可有可無”,或用來滿足什么法規和標準,而是一種質量指標。為了盡可能在設計早期就徹底排除EMC問題,業界推出了專門針對快速數據線特殊狀態剪裁的元器件,它們不僅可以減少開發工作量,而且最重要的是可以避免關鍵的EMC測試結果之后的返工。