【導讀】對于buck電路的成本,很多人認為與三級電路相比其優勢并不明顯。但實際上,從性能、尺寸、可靠性上來說,buck電路都要優于三級電路。就性能而言,三級電路與雙buck是不在一個層面的。
糾結于成本問題的設計者有可能是因為實踐機會較少,對成本的了解不夠深刻,所以出現了高估的現象。另一方面,一旦多家企業都開始產出,就必定將對電路進行優化,到時成本將不再是問題。下面就來對雙buck電路的成本問題進行討論。
就性能而言,三級電路與雙buck是不在一個層面的。但三級電路控制非常簡單,容易理解,不像雙buck電路控制復雜精確。三級電路采用的MOS功率器件太多,影響大批量的可靠性,這是其一,其二是傳統buck電路的缺點,無論哪種工作模式,均沒有雙buck的性能優秀。這是導致效率不高的原因之一。多數人都知道。其三是三級電路的工作特性,導致其干擾會比兩級的大。
以70W的HID鎮流器方案為例,有高頻的,有三級全橋低頻通用方案,還有兩級半橋雙buck方案,均以設計成功。其中,想說說低頻方案的兩級和三級最主要的特點:兩級半橋雙buck方案:成本上來說并不比三級便宜。但在性能上要比三級要好一些,如:輸出波形、溫升、效率等。但雙buck的控制較復雜,參數調試麻煩,互相牽制,調試之初稍有不慎,就會爆響,不過一旦參數調試OK后,便能可靠運行。至于恒功率控制精度及MCU整體控制和三級差不多,都是采用恒流方式來達到恒功率。三級全橋低頻通用方案:電路結構清晰,易懂,各部分獨立運作,便于調試,元件通用性強,便于采購。可以采用諧振點火,相對于兩級來說,可以省去點火MOSFET或IGBT。為了避免產品同質化,突出其差異化,現主要生產兩級半橋雙buck結構的金鹵燈電子鎮流器,相信隨著產量的提升,元器件成本就會有一定幅度的下降,到時將會比三級全橋結構更有優勢。
三級的效率其實不是問題。調試得當 91是沒太大問題的。可問題不在效率這里。換向鋁電解的問題,的確是個問題,不然CCI也不會出如此復雜的波形來控制。但這個問題,根本上來說,是可解決的,只是控制電路復雜一些而已。三級電路如果降壓為母線端,則需要高壓驅動,驅動麻煩。當然這樣的結果是取樣方便。如果在地端,則取樣不便。全橋不可控狀態。
論成本,半橋兩級和全橋三級難分誰高誰低。論性能,難分孰優孰劣,各有所長各有所短。關鍵是看誰能吃透原理,把控好工藝,這樣才能做出穩定可靠的產品,現在金鹵燈鎮流器行業因其技術門檻高的原因,價格并不作為主要因素考慮,絕大多數還停留在抄襲的層次,更談不上深刻理解甚至改進提高的層次雖然有但是極少。
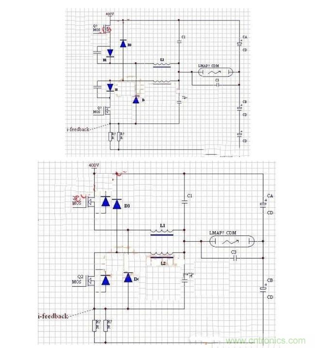
下面就把它還原成實際應用的兩個拓撲。

在圖2中,為了防止Q1Q2瞬間同時導通(即死區)造成“天地通”,特加多一個電感,即使Q1Q2短時間同時導通,因電流不會突變,在三兩個微秒內,不致傷害。

在圖3中,在充分評估了自己對死區時間把控的信心后,只用了一個電感;但Q1Q2體內都寄生著一個二極管,并且是慢恢復的,這樣會令并聯的D3D4不起作用,拖慢速度,發熱。所以串聯了D1D2低導通電壓的肖特基二極管,讓D3D4分別在自己的相區時段里單獨起續流作用。
可以看到,C1C2C3的關系是并聯的,為什么?因為CA、CB遠遠比它們大,在高頻脈沖電流狀態下C1C2C3相當于并聯。
再講時序,當換相,如:Q1停,輪到Q2工作的瞬間,當Q2開,此時L2上的壓降是200V(VA)+VL,慢慢過渡到200V(VA)-VL。這個瞬間給C2放電的電流并不經過電流采樣電阻,隨電功率大,C2容量也大,小功率時可以靠Q2硬撐,大功率時,幾十安的沖擊電流如何能撐?在這種拓撲里,為了兼顧電流采樣的有效性C3遠遠小于C1C2。
雙buck的成本有獨到的見解,并將其與三級電路之間進行了對比分析。最后通過實例的方式為大家進一步分析了其中的不同,希望大家在閱讀過本篇文章之后能夠有所收獲。




