【導讀】鑒于電源電路存在一些不穩定因素,而設計用來防止此類不穩定因素影響電路效果的回路稱作保護電路。在各類電子產品中,保護電路比比皆是,例如:過流保護、過壓保護、過熱保護、空載保護、短路保護等等,本文就整理了一些常見的保護電路。
電機過熱保護電路
生產中所用的自動車床、電熱烘箱、球磨機等連續運轉的機電設備,以及其它無人值守的設備, 因為電機過熱或溫控器失靈造成的事故時有發生,需要采取相應的保安措施。PTC熱敏電阻過熱保護電路能夠方便、有效地預防上述事故的發生 。
下圖是以電機過熱保護為例,由PTC熱敏電阻和施密特電路構成的控制電路。圖中,RT1、RT2、RT3為三只特性一致的階躍型PTC熱敏電阻器,它們分別埋設在電機定子的繞組里。 正常情況下,PTC熱敏電阻器處于常溫狀態,它們的總電阻值小于1KΩ。此時,V1截止,V2導通,繼電器K得電吸合常開觸點,電機由市電供電運轉。
當電機因故障局部過熱時,只要有一只PTC熱敏電阻受熱超過預設溫度時,其阻值就會超過10KΩ以上。 于是V1導通、V2截止,VD2顯示紅色報警,K失電釋放,電機停止運轉,達到保護目的。

PTC熱敏電阻的選型取決于電機的絕緣等級。通常按比電機絕緣等級相對應的極限溫度低40℃左右的范圍選擇PTC熱敏電阻的居里溫度。例如,對于B1級絕緣的電機,其極限溫度為130℃,應當選居里溫度90℃的PTC熱敏電阻。
逆變電源中的保護電路
逆變器經常需要進行電流轉換,如果電路中的電流超出限定范圍,將對電路和關鍵器件造成很大傷害,因此保護電路在逆變電源中就顯得尤為重要。
防反接保護電路
如果逆變器沒有防反接電路,在輸入電池接反的情況下往往會造成災難性的后果,輕則燒毀保險絲,重則燒毀大部分電路。在逆變器中防反接保護電路主要有三種:反并肖特基二極管組成的防反接保護電路,如下圖所示。

由圖可以看出,當電池接反時,肖特基二極管D導通,F被燒毀。如果后面是推挽結構的主變換電路,兩推挽開關MOS管的寄生二極管的也相當于和D并聯,但壓降比肖特基大得多,耐瞬間電流的沖擊能力也低于肖特基二極管D,這樣就避免了大電流通過MOS管的寄生二極管,從而保護了兩推挽開關MOS管。
這種防反接保護電路結構簡單,不會影響效率,但保護后會燒毀保險絲F,需要重新更換才能恢復正常工作。
采用繼電器的防反接保護電路,基本電路如下:

由圖中可以看出,如果電池接反,D反偏,繼電器K的線圈沒有電流通過,觸點不能吸合,逆變器供電被切斷。這種防反接保護電路效果比較好,不會燒毀保險絲F,但體積比較大,繼電器的觸點的壽命有限。
采用MOS管的防反接保護電路,基本電路如下所示:

圖中D為防反接MOS的寄生二極管,便于分析原理畫出來了。當電池極性未接反時,D正偏導通,Q的GS極由電池正極經過F、R1、D回到電池負極得到正偏而導通。Q導通后的壓降比D的壓降小得多,所以Q導通后會使D得不到足夠的正向電壓而截止。
當電池極性接反時,D會由于反偏而截止,Q也會由于GS反偏而截止,逆變器不能啟動。這種防反接保護電路由于沒有采用機械觸點開關而具有比較長的使用壽命,也不會像反并肖特基二極管組成的防反接保護電路那樣燒毀保險絲F.因而得到廣泛應用,缺點是MOS導通時具有一定的損耗。足夠暢通無阻地通過比較大的電流還保持比較低的損耗。
電池欠壓保護
為了防止電池過度放電而損壞電池,我們需要讓電池在電壓放電到一定電壓的時候逆變器停止工作,需要指出的一點是,電池欠壓保護太靈敏的話會在啟動沖擊性負載時保護。這樣逆變器就難以起動這類負載了,尤其在電池電量不是很充足的情況下。請看下面的電池欠壓保護電路。
可以看出這個電路由于加入了D1、C1能夠使電池取樣電壓快速建立,延時保護。

鋰電池充電保護電路
鋰電池過充,過放電都會影響電池的壽命。在設計時,要注意鋰電池的充電電壓,充電電流。然后選取合適的充電芯片。注意要防止鋰電池的過充,過放,短路保護等問題。同時,設計完成后要經過大量的測試。
鋰電池充電電路的設計
這里選擇了芯片TP4056為例子。根據所接電阻不同可以控制充電最大電流。可以設計充電指示燈,可以設計充電溫度即多少到多少度之間進行充電。

充電保護電路
選擇芯片DW01 和GTT8205的組合,可以做到短路保護,過充過放電的保護。

開關電源中的過流保護電路
開關電源中常用的過流保護方式
過電流保護有多種形式,如圖1所示,可分為額定電流下垂型,即フ字型;恒流型;恒功率型,多數為電流下垂型。過電流的設定值通常為額定電流的110%~130%。一般為自動恢復型。
圖1中①表示電流下垂型,②表示恒流型,③表示恒功率型。

圖1 過電流保護特性
用于變壓器初級直接驅動電路中的限流電路
在變壓器初級直接驅動的電路(如單端正激式變換器或反激式變換器)的設計中,實現限流是比較容易的。圖2是在這樣的電路中實現限流的兩種方法。
圖2電路可用于單端正激式變換器和反激式變換器。圖2(a)與圖2(b)中在MOSFET的源極均串入一個限流電阻Rsc,在圖2(a)中, Rsc提供一個電壓降驅動晶體管S2導通,在圖2(b)中跨接在Rsc上的限流電壓比較器,當產生過流時,可以把驅動電流脈沖短路,起到保護作用。
圖2(a)與圖2(b)相比,圖2(b)保護電路反應速度更快及準確。首先,它把比較放大器的限流驅動的門檻電壓預置在一個比晶體管的門檻電壓Vbe更 精確的范圍內;第二,它把所預置的門檻電壓取得足夠小,其典型值只有100mV~200mV,因此,可以把限流取樣電阻Rsc的值取得較小,這樣就減小了 功耗,提高了電源的效率。

圖2 在單端正激式或反激式變換器電路中的限流電路
當AC輸入電壓在90~264V范圍內變化,且輸出同等功率時,則變壓器初級的尖峰電流相差很大,導致高、低端過流保護點嚴重漂移,不利于過流點的一致 性。在電路中增加一個取自+VH的上拉電阻R1,其目的是使S2的基極或限流比較器的同相端有一個預值,以達到高低端的過流保護點盡量一致。
用于基極驅動電路的限流電路
在一般情況下,都是利用基極驅動電路把電源的控制電路和開關晶體管隔離開來。變換器的輸出部分和控制電路共地。限流電路可以直接和輸出電路相接,其電路如圖3所示。在圖3中,控制電路與輸出電路共地。工作原理如下:

圖3 用于多種電源變換器中的限流電路
電路正常工作時,負載電流IL流過電阻Rsc產生的壓降不足以使S1導通,由于S1在截止時IC1=0, 電容器C1處于未充電狀態,因此晶體管S2也截止。如果負載側電流增加,使IL達到一個設定的值,使得ILRsc=Vbe1+Ib1R1,則S1導通,使 電容器C1充電,其充電時間常數τ= R2C1,C1上充滿電荷后的電壓是VC1=Ib2R4+Vbe2。在電路檢測到有過流發生時,為使電容器C1能夠快速放電,應當選擇R4。
無功率損耗的限流電路
上述兩種過流保護比較有效,但是Rsc的存在降低了電源的效率,尤其是在大電流輸出的情況下,Rsc上的功耗就會明顯增加。圖4電路利用電流互感器作為檢測元件,就為電源效率的提高創造了一定的條件。
圖4電路工作原理如下:利用電流互感器T2監視負載電流IL,IL在通過互感器初級時,把電流的變化耦合到次級,在電阻R1上產生壓降。二極管D3對脈 沖電流進行整流,經整流后由電阻R2和電容C1進行平滑濾波。當發生過載現象時,電容器C1兩端電壓迅速增加,使齊納管D4導通,驅動晶體管 S1導通,S1集電極的信號可以用來作為電源變換器調節電路的驅動信號。

圖4無功耗限流電路
電流互感器可以用鐵氧體磁芯或MPP環型磁芯來繞制,但要經過反復實驗,以確保磁芯不飽和。理想的電流互感器應該達到匝數比是電流比。通常互感器的Np=1,Ns=NpIpR1/(Vs+VD3)。具體繞制數據最后還要經過實驗調整,使其性能達到最佳狀態。
用555做限流電路
圖5為555集成時基電路的基本框圖。

圖5 555集成時基電路的基本框圖
555集成時基電路是一種新穎的、多用途的模擬集成電路,有LM555,RCA555,5G1555等,其基本性能都是相同的,用它組成的延時電路、單穩態振蕩器、多諧振蕩器及各種脈沖調制電路,用途十分廣泛,也可用于直接變換器的控制電路。
555時基電路由分壓器R1、R2、R3,兩個比較器,R-S觸發器以及兩個晶體管等組成,電路在5~18V范圍內均能工作。分壓器提供偏壓給比較器1 的反相輸入端,電壓為2Vcc/3,提供給比較器2的同相輸入端電壓為Vcc/3,比較器的另兩個輸入端腳2、腳6分別為觸發和門限,比較器輸出控制R- S觸發器,觸發器輸出供給輸出級以及晶體管V1的基極。當觸發器輸出置高時,V1導通,接通腳7的放電電路;當觸發器輸出為低時,V1截止,輸出級提供一 個低的輸出阻抗,并且將觸發器輸出脈沖反相。當觸發器輸出置高時,腳3輸出的電壓為低電平,觸發器輸出為低時,腳3輸出的電壓為高電平。輸出級能夠提供的 最大電流為200mA,晶體管V2是PNP管,它的發射極接內部基準電壓Vr,Vr的取值總是小于電源電壓Vcc,因此,若將V2的基極(腳4 復位)接到Vcc上,V2的基—射極為反偏,晶體管V2截止。
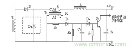
圖6為用555做限流保護的電路,其工作原理如下:UC384X與S1及T1組成一個基本的PWM變換器電路。UC384X系列控制IC有兩個閉環控制回路,一個是輸出電壓Vo反饋至誤差放大器,用于同基準電壓Vref比較之后產生誤差電壓(為了防止誤差放大器的自激現象產生,直接把腳2對地短接);另一個是變壓器初級電感中的電流在T2次級檢測到的電流值在R8及C7上的電壓,與誤差電壓進行比較后產生調制脈沖的脈沖信號。
當然,這些均在時鐘所設定的固定頻率下工作。UC384X具有良好的線性調整率,能達到0.01%/V;可明顯地改善負載調整率;使誤差放大器的外電路補償網絡得 到簡化,穩定度提高并改善了頻響,具有更大的增益帶寬乘積。UC384X有兩種關閉技術;一是將腳3電壓升高超過1V,引起過流保護開關關閉電路輸出;二 是將腳1 電壓降到1V以下,使PWM比較器輸出高電平,PWM鎖存器復位,關閉輸出,直到下一個時鐘脈沖的到來,將PWM鎖存器置位,電路才能重新啟動。電流互感 器T2監視著T1的尖峰電流值,當發生過載時,T1的尖峰電流迅速上升,使T2的次級電流上升,經D1整流,R9及C7平滑濾波,送到IC1的腳3,使 IC1的腳1電平下降(注意:接IC1腳1的R3,C4必須接成開環模式,如接成閉環模式則過流時555的腳7放電端無法放電)。
IC1的腳1與IC2的 腳6相連接,使IC2的比較器1同相輸入端的電壓降低,觸發器Q輸出高電平,V1導通,IC2的腳7放電,使IC1的腳1電平被拉低于1V,則IC1輸出 關閉,S1因無柵極驅動信號而關閉,使電路得到保護。若過流不消除,則重復上述過程,IC1重新進入啟動、關閉、再啟動、再關閉的循環狀態,即“打嗝”現 象。而且,過負載期間,重復進行著啟振與停振,但停振時間長,啟振時間短,因此電源不會過熱,這種過負載保護稱為周期保護方式(當輸入端輸入電壓變化范圍 較大時,仍可使高、低端的過流保護點基本相同)。其振蕩周期由555單穩多諧振蕩器的RC時間常數τ決定,本例中τ=R1C1,直到過載現象消失,電路才 可恢復正常工作。電流互感器T2的選擇同1.3的互感器計算方法。

圖6 用555做限流保護電路
圖6電路,可以用在單端反激式或單端正激式變換器中,也可用在半橋式、全橋式或推挽式電路中,只要IC1有反饋控制端及基準電壓端即可,當發生過流現象時,用555電路的單穩態特性使電路工作在“打嗝”狀態下。
幾種過流保護方式的比較
幾種過流保護方式的比較如下表所示。

推薦閱讀:


