【導讀】前面已經給大家介紹了20種電工常用接線方法,接下來繼續講解電機、變壓器、接觸器、晶閘管、自耦調壓器等各種常用接線方法。
21絕緣耐壓測試儀線路
這種絕緣耐壓測試儀可測燈具,將待測燈具與A、B兩接線柱接好,按下按鈕SB1,中間繼電器KA1得電并自鎖;然后將調壓器VT(1∶10,輸出0~250V)調至需測的電壓值,如需調到1500V則將VT調到電壓表指示150V(同理,作2000V耐壓時,調到電壓表指示200V),經時間繼電器KT延時后,電源自動切斷,見圖21。
若被測物絕緣擊穿,電流即迅速增加,過電流繼電器KI動作,KA2得電動作并自鎖,KA1失電,KA1的常開觸點切斷主回路電源,蜂鳴器HA發出聲響,按下SB2后電路全部關斷。應用操作這種儀器時,要特別注意人身安全,工作通電時,高壓測試區禁止人靠近。

圖21:絕緣耐壓測試儀線路
22用一根導線傳遞聯絡信號線路

圖22:用一根導線傳遞聯絡信號線路
在某些生產過程中,需要兩地的生產人員能傳遞簡單的信息,以協調工作。圖22所示是用一根導線傳遞聯絡信號線路。兩地中各有一只雙擲開關控制信號燈聯絡,信號燈分別裝在兩地,一地一個。當甲地向乙地發聯絡信號時,撥動開關S1,乙地的指示燈亮,待乙地完成甲地所指示的任務后,乙地可把開關撥至“聯絡”位置,通知甲地工作已完成。
23用單線向控制室發信號線路
圖23所示線路可使甲乙兩地都能向總控制室發聯絡信號。當甲地向總控制室發信號時,按下按鈕SB1,控制室的電鈴告警。同理當乙地向總控制室發信號時按下SB2即可。甲乙兩地信號可用信號鈴聲的時間長短或次數區分。

圖23:用單線向控制室發信號線路
24利用熱繼電器制作限電器線路
熱繼電器多用于電動機過流保護,但在一些集體用電單位或用電場所也可作為限電器。
具體制作方法如圖24所示。熱繼電器手動復位時,需將熱繼電器復位螺絲旋出。選用熱繼電器的額定電流和用戶總的額定電流一致。

圖24:利用熱繼電器制作限電器線路
25兩種自裝交流電源相序指示器
用電阻、電容、氖泡可組成一小型電源相序指示器。當電源按順相序L1、L2、L3接入時,氖燈就亮;按逆相序L2、L1、L3接入時則氖燈不亮。線路如圖25(a)所示。
第二種方法是:用一只2μF、耐壓為500V的電容和兩只相同功率(220V/60W)的白熾燈泡,便可做成一個交流電源相序指示器,見圖25(b)。

圖25:兩種自裝交流電源相序指示器
工作原理:由于電容移相,改變了其中一相的相位差,作用到HL1和HL2上的矢量電壓不等,其規律是L2相矢量電壓大于L3相矢量電壓。故按圖25(b)連接后,電容接電源L1相,那么可知燈泡光線較強的一端是L2相,光線弱的一端則為L3相。
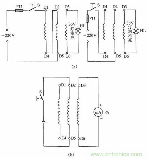
26測定電動機三相繞組頭尾的兩種方法
在電動機6根引出線標記無法確認時,我們可利用交流電源和燈泡檢查電動機三相繞組的頭尾端,以免將繞組接錯。

圖26:測定電動機三相繞組頭尾的兩種方法
用交流電源和燈泡確定電動機三相繞組的方法是:首先用36V低壓燈做試燈,分出電動機每一相線圈的兩個線端,然后將兩相線圈串接后通入220V電源,剩下的一相線圈兩端接36V的燈泡線路通入電源后,燈泡發亮,說明所串聯的兩相是頭尾相接;燈泡不亮,說明是頭頭相接,如圖26(a)所示。
然后將測出的兩相線圈頭尾做一標記,再按此方法將其中一相與原來接燈泡的一相線圈串聯,另一相連接燈泡,再按同樣道理判斷,電動機三相繞組的頭尾就很容易區分出來了。
另一種方法是用萬用表測定電動機三相繞組頭尾,首先用萬用表測量出電動機6個接線端哪兩個線端為同一相,然后將萬用表的直流毫安擋撥到最小一擋,并將表筆接到三相繞組的某一組兩端,而電池正負極接到另一相的兩個線端上。
如圖26(b)所示,當開關S閉合瞬間,如表針擺向大于零,則說明電池負極所接的線端與萬用表正極表筆所接的線端是同極性的(均可認為是頭)。依此類推,便可測出另外兩相的頭和尾。
27用耳機、燈泡組成簡易測線通斷器
圖27(a)、(b)是最簡便的線路通斷檢測器。當測得導線通路時,燈泡會發光,耳機在通斷瞬時會發響;當線路斷路時,耳機不響,燈泡不亮。這種方法簡單易行,非常適合初學電工制作工具儀表或代替萬用表做測量,其優點是攜帶方便。

圖27:用耳機、燈泡組成簡易測線通斷器
28一種簡易測量導線通斷的接線方法
圖28所示是一感應測電筆線路。它可方便地測出導線的斷芯位置。在用來測導線斷芯位置時,在導線一端接上220V的電源相線,然后用感應測電筆的探頭柵極靠近被測導線,并沿線移動。如果發光二極管在移動中突然熄滅,那么此處便是導線斷芯位置。

圖28:一種簡易測量導線通斷的接線方法
29用行燈變壓器升壓或降壓一法

圖29:用行燈變壓器升壓或降壓一法
在某些地方,因網路電壓長期較低或者是由于夜間用電量減少,網路電壓升高,一些電器不能正常工作或損壞,利用行燈變壓器升壓或降壓可滿足需要,見圖29。
采用此法應注意兩點:一是在接線前必須把行燈變壓器次級一端與殼體的連接線(保護接地線)拆除;二是要注意行燈變壓器的初、次級繞組的電流都不能超過各自的額定電流值。
30檢查晶閘管一簡法
利用圖30所示的簡便方法可檢查晶閘管的好壞。當開關S斷開時燈泡不亮,而當開關S閉合后燈泡發亮,說明晶閘管能導通工作,否則晶閘管就是壞的。此方法對一般晶閘管均能測試,燈泡選用1.5V小電珠燈泡。

圖30:檢查晶閘管一簡法
31用電焊機干燥電動機線路
如果電動機受潮,而體積又較大,很不容易拆下放在烘箱內干燥。可將電焊機低壓電通入電動機三相繞組,用電流升溫干燥電動機。此方法適用于干燥20~60kW的電動機,電焊機的容量應根據電動機容量而選用。
通入電動機繞組線圈的電流可由電焊機來調節,但在烘干時應注意通入電動機的電流不能超過電動機本身額定電流太多,并且注意觀察電動機和電焊機溫度都不能升得過高。線路參見圖31。

圖31:用電焊機干燥電動機線路
32變壓器短路干燥法
把變壓器的一側繞組短路,另一側用自耦變壓器施加電壓,使變壓器繞組內流過額定電流,依靠繞組銅損(I2R)產生的熱量來加熱變壓器,可達到干燥變壓器的目的,如圖32所示。本方法簡便實用,干燥升溫快。但需用自耦變壓器容量也較大,一般比被干燥變壓器的容量大10%以上。
另外此法也容易產生局部過熱,并且耗電量較大,所以,一般只適用于被干燥變壓器容量不大的情況下。為了安全起見,一般都從變壓器低壓側施加電壓,而把高壓側短接。對三繞組變壓器,只能把其中一個繞組接電源,另一個短路接地,而第三個繞組要開路。使用短路干燥法應注意觀察短路側的電流不能超過該側的額定電流太多。

圖32:變壓器短路干燥法
33巧用變壓器
有些地區的電壓常低于220V;而有些地區的電壓則高于220V;那么用現有的雙繞組變壓器接成自耦變壓器來升高或降低電源電壓;即能使額定電壓為220V的用電器正常工作;如圖33所示。當開關S打在“升壓”位置時;變壓器相當于一個自耦變壓器;將電源電壓升高6.3V;如將開關S打在“正常”位置時;負載是直接接到電源上;輸出電壓仍為電源電壓。
圖中的黑圓點表示繞組的同名端。如果將初、次級的連接線改為同名端相連;則輸出電壓將降低6.3V。采用這種接法;負載電流不得大于初、次級的額定電流。網路電壓如經常比220V低(或高)30~40V;可選220V/36V的變壓器連接。

圖33:巧用變壓器
34擴大單相自耦調壓器調節電壓范圍線路
一般的單相自耦調壓器調壓范圍是0~250V。但有時需要高于250V的可調電壓,那么按圖34接線,可以得到0~406V連續可調的輸出電壓。當S打在“1”擋位置時,輸出電壓為0~250V;將S打在“2”擋位置時,輸出電壓為220~406V。

圖34:擴大單相自耦調壓器調節電壓范圍線路
35單相、三相自耦調壓器的接線
單相自耦調壓器在工廠等應用極為廣泛。其接線線路如圖35(a)所示。
三相自耦調壓器的接線線路如圖35(b)所示,這種接觸式自耦調壓器為可調型,它可作為帶負載無級平滑調節電壓用的用電設備。三相自耦調壓器是將3個單相自耦調壓器疊裝而成的,電刷同軸轉動,按Y形接法連接。

圖35:單相、三相自耦調壓器的接線
36自制一種能消除感應電的驗電筆
在測驗三相交流電時,如果帶電的線路較長,即使三相交流電缺一相電源,用一般的驗電筆測試也很難判斷出是哪根電線缺相(因為線路較長,并行的線與線之間產生的電容容量增大,使不帶電的某一根電線產生感應電)。
為了快速、準確地判斷,可在一般的低壓驗電筆的氖泡上并聯一只1500pF小電容,這樣在測強電時,電筆照常發光。而測得的是感應電時,感應電會通過電容再經過人體被大地吸收掉,所以電筆不發光。在自制這種驗電筆時應把電筆上串聯的保護電阻放在測電筆線路的最前端以保障安全,見圖36。

圖36:自制一種能消除感應電的驗電筆
37單電源變雙電源線路
在實際工作中,往往用電設備為雙電源,并且對稱。在手頭只有單電源的情況下,按圖37所示連接,即可使其變為雙對稱電源使用。

圖37:單電源變雙電源線路
38一種限位器接線方法
車間安裝的行車、吊葫蘆的起重電動機上,往往需安裝保護限位裝置,在電動機通電后,避免人為操作失誤或接觸器觸點粘連或鐵芯極面臟而不釋放造成超上限或超下限工作。因此,限位器在工廠和企業應用極為廣泛。
這里介紹一種常用限位器接線方法,這種限位器主要用于行車的上下電動機限位。當吊鉤高于限制位置時,它會使電動機自動斷開電源。這種方法一般是斷開主電機電源線,而不是用控制線控制接觸器通斷電動機停止限位,其優點是萬一接觸器觸點熔在一起不能斷開時,限位器同樣能起到保護限位的作用。其接線方法如圖38所示。

圖38:一種限位器接線方法
39交流電焊機一般接法
交流電焊機一般接法如圖39所示。當合上刀閘QS時,按下按鈕SB1,接觸器KM得電吸合;松開按鈕SB1時,KM自鎖觸點自鎖,電焊機繼續得電工作。當按下SB2時,電焊機停止工作。

圖39:交流電焊機一般接法
40自制交直流兩用弧焊機
交流弧焊機加上一套硅整流裝置,就可成為一臺交直流兩用弧焊機,見圖40。
電路中VD1~VD4為4只硅整流二極管;R1~R4、C1~C4組成硅整流器件的過壓保護電路;FR為過流繼電器,保護硅整流器件。當負載電流超過額定值時,電流互感器次級電流相應增加,帶動繼電器FR動作,FR常閉觸點打開,接觸器KM釋放,觸點打開切斷電焊機電源。硅整流器件用0.25kW風扇作風冷設備。圖中,C5為濾波電容,R5為泄放電阻。

圖40:自制交直流兩用弧焊機
41利用硅整流器件電鍍線路
在電鍍過程中,常常利用硅整流器件的調壓電路進行工作,其工作原理如圖41所示。當需進行工作時,按下按鈕SB1,接觸器KM1線圈通電,主回路中觸點閉合,線路輸出直流電壓。與此同時,KM2也得電動作,接通電扇,對硅整流器件以及調壓器吹冷風降溫。線路中KI為過流繼電器。

圖41:利用硅整流器件電鍍線路



