【導讀】集成電路是利用氧化,光刻,擴散,外延,蒸鋁等集成工藝,把晶體管,電阻,導線等集中制作在一小塊半導體(硅)基片上,構成一個完整的電路。
一、集成電路及其特點
集成電路是利用氧化,光刻,擴散,外延,蒸鋁等集成工藝,把晶體管,電阻,導線等集中制作在一小塊半導體(硅)基片上,構成一個完整的電路。按功能可分為模擬集成電路和數字集成電路兩大類,其中集成電路運算放大器(線性集成電路,以下簡稱集成運放)是模擬集成電路中應用最廣泛的,它實質上是一個高增益的直接耦合多級放大電路。
集成電路的特點
1. 單個元件精度不高,受溫度影響也大,但元器件的性能參數比較一致,對稱性好。適合于組成差動電路。
2. 阻值太高或太低的電阻不易制造,在集成電路中管子用得多而電阻用得少。
3. 大電容和電感不易制造,多級放大電路都用直接耦合。
4. 在集成電路中,為了不使工藝復雜,盡量采用單一類型的管子,元件種類也要少所以,集成電路在形式上和分立元件電路相比有很大的差別和特點。常用二極管和三極管組成的恒流源和電流源代替大的集電極電阻和提供微小的偏量電流,二極管用三極管的發射結代替
5. 在集成電路中,NPN管都做成縱向管,β大;PNP管都做成橫向管,β小而PN結耐壓高。NPN管和PNP管無法配對使用。對PNP管,β和(β+1)差別大,IB往往不能忽略。
二、集成運放電路的組成及各部分的作用
1. 組成

2. 作用
如圖所示,集成運放電路由四部分組成,輸入級是一個雙端輸入的高性能差動放大電阻,要求其Ri高,Aod大,KCMR大,靜態電流小,該級的好壞直接影響集成運放的大多數性能參數,所以更新變化最多。中間級的作用是使集成運放具有較強的放大能力,故多采用復合管做放大管,以電流源做集電極負載。輸出級要求具有線性范圍寬,輸出電阻小,非線性失真小等特點。偏置電路用于設置集成運放各級放大電路的靜態工作點
三、集成運放的電壓傳輸特性

1.符號
同相輸入端表示輸入電壓與輸出電壓相位相同,若uP >0,則uO >0;uP <0,則uO <0.
反相輸入端表示輸入電壓與輸出電壓相位相反,若uN >0,則uO <0;反之uN <0,則uO >0.
2.電壓的傳輸特性

所謂電壓傳輸特性,實際上是一種關系曲線如圖4-3,即輸出電壓uo和輸入電壓ui之間的關系曲線。關系曲線明顯地為兩個區域,線性放大區和飽和區,斜線反映了線性放大區輸入與輸出之間的關系。斜率就是電壓放大倍數Av=uo/ui,輸出與輸入幅值(或有效值)之比,兩端水平線是飽和區的現象,表明輸出電壓uo不隨輸入ui =uP - uN 而變,而是恒定值+Uom(或-Uom),由特性曲線還看出線性區非常窄,這是因為差模開環放大倍數Aod非常高,可達幾十萬倍,只有當ui =|uP - uN |< 28μV時,電路才工作在線性區。
四、集成運放中的電流源電路
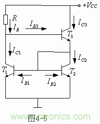
1.鏡像電流源(圖4-5.4)
1 組成
由三極管T2和接成二極管T1的組成,發射結并聯,即UBE1 = UBE2

2 工作原理
IC2 = IR /(1+2/β) (4-1)
如果β>>2,則
IC2 ≈ IR = (VCC-UBE)/R (4-2)
3 問題
a)IC2隨VCC變化; b)要使IC2小,R必須很大
c)對溫度漂移沒有抑制作用 d)輸出電阻不夠大 RO =rce2
2.威爾遜電流源(圖4-7.5)
1 組成
在鏡像電流源基礎上加了T3
2 工作原理

(4-3)

其中
IR =(VCC-UBE3-UBE2)/R (4-3)
3 特點和問題
恒流輸入管T3的Re3 ≈rbe /2,使它的IC3穩定性大為提高,IC3與IR之間的誤差也大大減小。但電源電壓變化時,IC3和IR幾乎按同樣比例變化。要求 為uA級時,R仍然太大。
3.微電流源(圖4-9. 6)
1 組成
在鏡像電流源T2管的發射極上加接電阻Re 。

2 工作原理
UT .ln(IC1 /IC2)=IC2Re (4-4)
3 特點
小而穩。用不大的Re就可以使IC2為uA級。由于引入Re, IC2更加穩定。由于UBE2 <
4.多路電流源
用同一個參數電流IR ,同時產生幾個輸出電流,給多個放大管提供偏置電流或作為有源負載。
5.電流源的應用
1 為集成運放各級提供小而穩的偏置電流
2 作為各放大級的有源負載,提高電壓增益。
優點:(a)用三極管代替大電阻,節省硅片面積,降低成本。
(b)用較少的級數可獲得很高的增益,由于級數少和電路輸出阻抗大,集成運放的消振問題容易解決
(c)由于放大管集電極電流與集電極電位無關,電路可以在很寬的電源電壓范圍內工作而偏置電流基本不變。