【導讀】無源濾波器缺點:帶負載能力差,無放大作用,特性不理想邊沿不陡峭,各級互相影響。
無源濾波器缺點:帶負載能力差,無放大作用,特性不理想邊沿不陡峭,各級互相影響。
01、RC濾波特征
1)C值的選?。篊不能選的太小,否則負載電容對濾波電路的影響很大,一般IC的輸入電容往往有1~10pF的輸入電容。C值選的太大,則會影響濾波電路的高頻特性,因為大電容的高頻特性一般都不好。
2)R值的選取:R值過小會加大電源的負載,R值過大則會消耗較多的能量。
RC濾波電路的最大缺陷就是他不僅消耗我們希望抑制的信號能量,而目也消耗我們希望保留的信號能量。
另外由于受電容高頻特性的限制也不能用在太高頻的場合,數MHz以上需要用LC濾波器。

02、電容濾波電路
分析電容濾波電路工作原理時,主要是用到了電容器的隔直通交特性和儲能特性。
前面整流電路輸出的脈動性直流電壓可分解成一個直流電壓和一組頻率不同的交流電,交流電壓部分就會從電容器流過到地,而直流電壓部分卻因電容器的通交隔直特性而不能接地才流到下一級電路。
這樣電容器就把原單向脈動性直流電壓中的交流部分的濾去掉了。
另外電容濾波電路也可以用電容儲能特性來解釋,當單向脈動直流電壓處于高峰值時電容就充電,而當處于低峰值電壓時就放電,這樣把高峰值電壓存儲起來到低峰值電壓處再釋放。
把高低不平的單向脈動性直流電壓轉換成比較平滑的直流電壓。
濾波電容的容量通常比較大,并且往往是整機電路中容量最大的一只電容器。
濾波電容的容量大,濾波效果好。電容濾波電路是各種濾波電路中最常用一種。
電源濾波電容如何選取,掌握其精髓與方法,其實也不難。
1)理論上理想的電容其阻抗隨頻率的增加而減少(1/jwc),但由于電容兩端引腳的電感效應,這時電容應該看成是一個LC串連諧振電路。
自諧振頻率即器件的SFR參數,這表示頻率大于SFR值時,電容變成了一個電感,如果電容對地濾波,當頻率超出FSR后,對干擾的抑制就大打折扣,所以需要一個較小的電容并聯對地,可以想想為什么?
原因在于小電容,SFR值大,對高頻信號提供了一個對地通路,所以在電源濾波電路中我們常常這樣理解:大電容慮低頻,小電容慮高頻,根本的原因在于SFR(自諧振頻率)值不同。
當然也可以想想為什么?如果從這個角度想,也就可以理解為什么電源濾波中電容對地腳為什么要盡可能靠近地了。
2)那么在實際的設計中,我們常常會有疑問,我怎么知道電容的SFR是多少?
就算我知道SFR值,我如何選取不同SFR值的電容值呢?是選取一個電容還是兩個電容?
電容的SFR值和電容值有關,和電容的引腳電感有關,所以相同容值的0402,0603,或直插式電容的SFR值也不會相同。
3)通過網絡分析儀直接量測其自諧振頻率,想想如何量測?
知道了電容的SFR值后,用軟件仿真,如RFsim99,選一個或兩個電路在于你所供電電路的工作頻帶是否有足夠的噪聲抑制比。
仿真完后,那就是實際電路試驗,如調試手機接收靈敏度時,LNA的電源濾波是關鍵,好的電源濾波往往可以改善幾個dB。
電容的本質是通交流,隔直流,理論上說電源濾波用電容越大越好。
但由于引線和PCB布線原因,實際上電容是電感和電容的并聯電路,(還有電容本身的電阻,有時也不可忽略)這就引入了諧振頻率的概念:ω=sqrt(1/(LC)) 在諧振頻率以下電容呈容性,諧振頻率以上電容呈感性。
因而一般大電容濾低頻波,小電容濾高頻波。
這也能解釋為什么同樣容值的STM封裝的電容濾波頻率比DIP封裝更高。至于到底用多大的電容,這是一個電容諧振頻率參考:
電容值DIP(MHz)SMT(MHz)1.0μF 2.550.1μF8160.01μF25501000pF 80160100pF25050010pF8001600
不過僅僅是參考而已,用老工程師的話說——主要靠經驗。
更可靠的做法是將一大一小兩個電容并聯,因為大電容高頻特性差,小電容高頻特性好。
一般要求相差兩個數量級以上,以獲得更大的濾波頻段。
03、電感濾波電路

電感濾波電路的原理也和電容器濾波差不多,也是因為電感器的通直阻交特性和儲能特性。
從儲能方面來解釋的話和電容器是一樣的原理,從通直阻交特性方面來解釋電感器的濾波電路時,電感器是把單向脈動性直流電壓分解出來的交流電壓部分進行阻礙,而電容器卻是短路接地。
電感量越大濾波效果越好,由電感器單獨作濾波電路的情況很少,一般會和電容一起組合使用。
04、L形RC濾波電路

L形RC濾波電路就是在普通電容濾波電路中電容器前面加個電阻器,電阻器是串聯在電路中,而電容器是并聯在電路中,這時電阻器和電容器形成了的L字形狀,所以稱它們為L形RC濾波電路。
它的濾波原理和濾波效果都和普通電容濾波電路是差不多,這時電容器和電阻器也構成了分壓電路,因為電容的容抗很小,所以對交流分量的分壓衰減很大,這樣交流量通過電容器短路接地,達到濾波的目的。
對于直流電壓部分,由于電容器對直流電呈隔離狀態,這時電容器對電阻器沒有分壓作用,直流不會流過電容器。
在這種濾波電路中,如果電阻器的阻值不變時,加大濾波電容的容量可以提高濾波效果,濾波電容的容量越大越好。
如果濾波電容的容量不變,加大電阻器的阻值也可以提高濾波效果,但是濾波電阻的阻值不能太大,因為濾波電阻的阻值太大的話,直流輸出電壓就會變小。
05、LC濾波與RC濾波比較:
1)LC濾波主要是電感的電阻小,直流損耗小。對交流電的感抗大,濾波效果好。
缺點是體積大,笨重。成本高。用在要求高的電源電路中。
2)RC濾波中的電阻要消耗一部分直流電壓,R不能取得很大,用在電流小要求不高的電路中。
RC體積小,成本低。濾波效果不如LC電路。
3)LC濾波一般用在高頻電路或電源電路上中 而RC用在低頻電路中。
4)LC濾波器應用的頻率范圍為1kHz~1.5GHz.由于受限于其中電感的Q值,頻率響應的截至區不夠陡峭。
5)RC濾波器相對于LC濾波器來說,更容易小型化或者集成,LC相對體積就大多了。
6)RC濾波器有耗損,LC濾波器理論上可以無耗損,所以電源部分電路一般都是LC電路。
7)RC比LC的體積要小,成本要底。
8)RC用在低頻電路中,LC濾波一般用在高頻電路中。

9)RC濾波中的電阻要消耗一部分直流電壓,R不能取得很大,用在電流小要求不高的電路中.RC體積小、成本低。
濾波效果不如LC電路; LC濾波主要是電感的電阻小,直流損耗小。對交流電的感抗大、濾波效果好。
缺點是體積大、笨重、成本高。用在要求高的電源電路中。
10)濾波級數越多效果也好,但是帶來的是損耗和成本越高,所以不建議超過3級。

11)RC濾波器一般常與運算放大器組合使用,構成有源濾波器,多作為低頻信號的濾波。
例如,在鎖相環路中作為環路濾波器使用
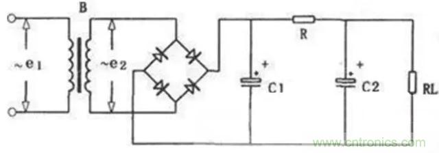
06、π形RC濾波電路
首先從結構上來講,這種濾波電路是由兩個電容器和一個電阻器組成,它實際上就是L形濾波電路中電阻器前面再加個電容器接地就成了π形RC濾波電路。
兩個電容同時進行濾波作用,后面一個濾波電容可以把前面電容未濾完整的直流電壓進一步濾波,這樣兩個電容同時進行濾波,濾波效果當然是更加理想。
可以加大第一只濾波電容的容量來提高濾波效果,但第一只濾波電容的容量不能太大。
因為剛開機接通電源時,第一只濾波電容容量太大的話充電時間會太長,這一充電電流是流過整流二極管的,當充電電流太大、持續時間太長時,會損壞整流二極管。
所以采用這種π形RC濾波電路時,可以使第一只電容容量略有減少,通過調整后面的L形RC濾波電路來提高濾波效果。
07、多節π形RC濾波電路
多節π形RC濾波電路就是在普通π形RC濾波電路后面再接一個L形RC濾波電路形成多節π形RC濾波電路。
其濾波原理和上面普通π形RC濾波電路一樣,只是這種濾波電路會有多個直流電壓輸出端,越是后面的輸出端的直流電壓濾波效果越好。
第一個濾波輸出端電壓最高,最后一個濾波輸出端電壓最低,這主要是因為各節電阻器都有電壓降。
多節π形RC濾波電路是整機電路中用得最多一種濾波電路。
08、π形LC濾波電路
這種濾波電路與普通π形RC濾波電路在結構上基本上是一樣的,只是將電阻器更換成電感器而已。
因為電阻器對直流電和交流電存在相同的電阻,而電感器對交流電感抗大,對直流電感抗小,這樣既可以提高交流濾波效果,還不會降低直流輸出電壓,因為電感器對直流電不存在感抗,不會像電阻器那樣對直流電也存在電壓降。
電感器的通直阻交特性是這種濾波電路的最大優點,但是電感器的成本高所以這種濾波電路沒有π形RC濾波電路使用得多。