【導讀】自耦減壓啟動是籠型感應電動機(又稱異步電動機)的啟動方法之一。它具有線路結構緊湊、不受電動機繞組接線方式限制的優點,還可按允許的啟動電流和所需要的啟動轉矩選用不同的變壓器電壓抽頭,故適用于容量較大的電動機。
一、自耦減壓啟動
自耦減壓啟動是籠型感應電動機(又稱異步電動機)的啟動方法之一。它具有線路結構緊湊、不受電動機繞組接線方式限制的優點,還可按允許的啟動電流和所需要的啟動轉矩選用不同的變壓器電壓抽頭,故適用于容量較大的電動機。

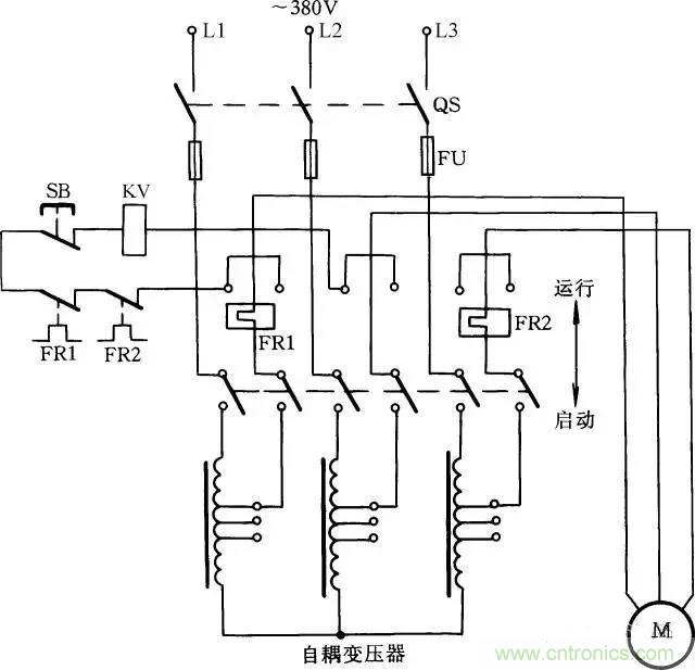
圖1 自耦減壓啟動
工作原理如圖1所示:啟動電動機時,將刀柄推向啟動位置,此時三相交流電源通過自耦變壓器與電動機相連接。待啟動完畢后,把刀柄扳至運行位置切除自耦變壓器,使電動機直接接到三相電源上,電動機正常運轉。此時吸合線圈KV得電吸合,通過連鎖機構保持刀柄在運行位置。停轉時,按下SB按鈕即可。
自耦變壓器次級設有多個抽頭,可輸出不同的電壓。一般自耦變壓器次級電壓是初級的40%、65%、80%等,可根據啟動轉矩需要選用。
二、手動控制Y-△降壓啟動
Y-△降壓啟動的特點是方法簡便、經濟。其啟動電流是直接啟動時的1/3,故只適用于電動機在空載或輕載情況下啟動。

圖2 手動控制Y-△降壓啟動
圖2所示為QX1型手動Y-△啟動器接線圖。圖中L1、L2和L3接三相電源,D1、D2、D3、D4、D5和D6接電動機。當手柄扳到“0”位時,八副觸點都斷開,電動機斷電不運轉;當手柄扳到“Y”位置時,1、2、5、6、8觸點閉合,3、4、7觸點斷開,電動機定子繞組接成Y形降壓啟動;當電動機轉速上升到一定值時。
將手柄扳到“△”位置,這時l、2、3、4、7、8觸點接通,5、6觸點斷開,電動機定子繞組接成△形正常運行。
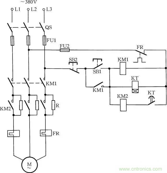
三、定子繞組串聯電阻啟動控制
電動機啟動時,在電動機定子繞組中串聯電阻,由于電阻上產生電壓降,加在電動機繞組上的電壓低于電源電壓,待啟動后,再將電阻短接,使電動機在額定電壓下運行,達到安全啟動的目的。

定子繞組串聯電阻啟動控制線路如圖3所示。當啟動電動機時,按下按鈕SB1,接觸器KM1線圈得電吸合,使電動機串入電阻降壓啟動。這時時間繼電器KT線圈也得電,KT常開觸點經過延時后閉合,使KM2線圈得電吸合。KM2主觸點閉合短接啟動電阻,使電動機在全電壓下運行。停機時,按下停機按鈕SB2即可。
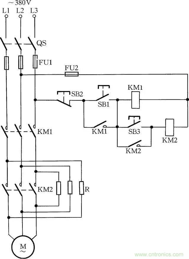
四、手動串聯電阻啟動控制
當三相交流電動機標牌上標有額定電壓為220/380V(△/Y)的接線方法時,不能用Y-△方法做降壓啟動,可用這種串聯電阻或電抗器方法啟動。

線路如圖4所示。當需啟動電動機時,按下開關按鈕SB1,電動機串聯電阻啟動。待電動機轉速達到額定轉速后,再按下SB3,電動機電源改為全壓供電,使電動機正常運行。
五、定子繞組串電阻(或電抗)降壓啟動另一法

圖5 定子繞組串電阻(或電抗)降壓啟動另一法
按下啟動按鈕SB1,KM1、KT獲電動作,其常開輔助觸點閉合自鎖,電動機定子繞組串入電阻降壓啟動。時間繼電器達到整定時間后,KT常開延時閉合觸點閉合,KM2獲電動作,其主觸點閉合將電阻短接,電動機定子繞組加上電源全電壓,啟動過程結束,如圖5所示。
這種線路適用于要求啟動平穩的中等容量的籠型異步電動機。它的不足是啟動轉矩因啟動電流減小而降低。另外,啟動電阻要消耗一定的功率,所以不宜頻繁啟動。
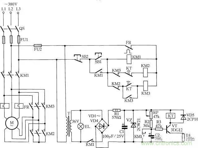
六、用晶體管延時電路自動轉換Y-△啟動控制
用電子元件組成的延時電路具有體積小、價格低等優點。用晶體管延時電路自動轉換Y-△啟動控制線路如圖6所示。當按下啟動按鈕SB1時,交流接觸器KM1和KM2同時得電,電動機接成Y形啟動,與此同時,KM1的常開輔助觸點把晶體管延時電路接通。繼電器KT延時動作,其常閉觸點KT打開,切斷KM2的線圈回路;與此同時,其常開觸點KT閉合,使接觸器KM3得電吸合,電動機接成△形正常運行。
調整線路中電容C2容量的大小或電位器RP,可控制三極管達到導通的時間,即延時時間。

圖6 用晶體管延時電路自動轉換Y - △啟動控制
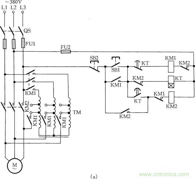
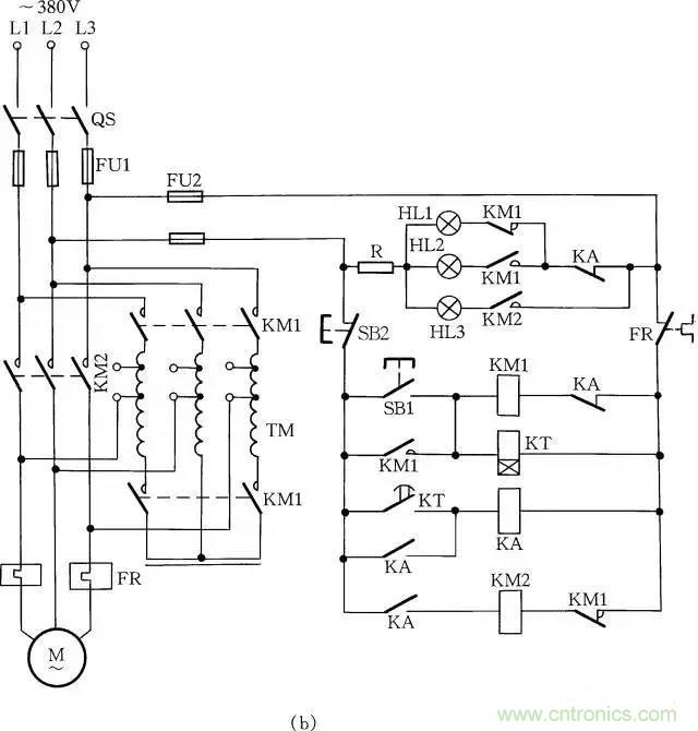
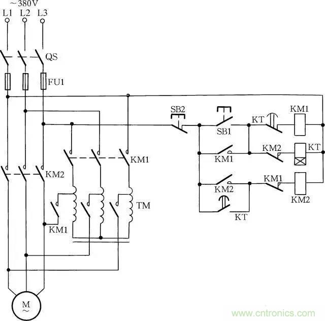
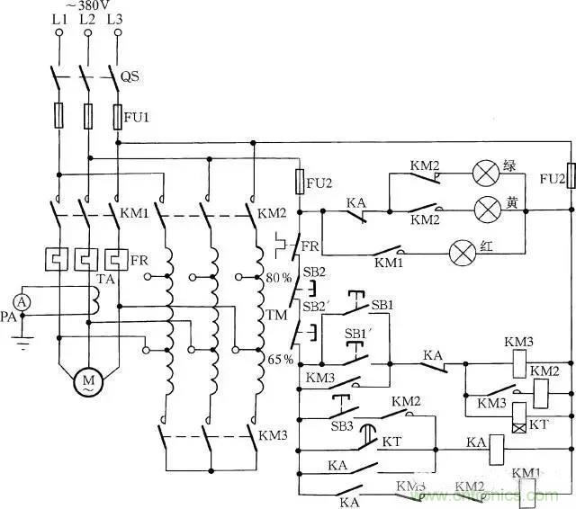
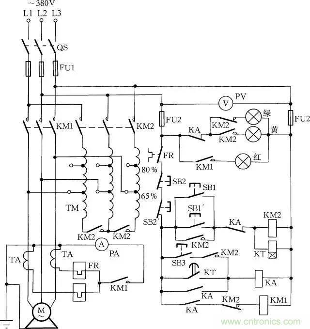
七、采用自耦變壓器與時間繼電器啟動的兩種控制
對容量較大的220/380V△/Y形籠型電動機不能用Y-△方法啟動,可用自耦變壓器及時間繼電器完成自動控制啟動。見圖7(a),只要按下操作按鈕SB1,KM1吸合,進行降壓啟動,經一段時間,電動機達到額定轉速后,時間繼電器KT動作,KM1失電,KM2得電,電動機在全壓下正常運轉。按下SB2停止按鈕,電動機便失電停轉。而另一種采用自耦變壓器與時間繼電器啟動控制的線路如圖7(b)所示,它的線路較完善,故在啟動大型電動機時采用這種方法非常多見。工作時按下啟動按鈕SB1,電動機降壓啟動。待電動機啟動完畢,通過時間繼電器能自動轉換為全壓運行。另外圖7(b)中還加有指示燈線路,用于指示整個啟動過程的情況。

圖7 采用自耦變壓器與時間繼電器啟動的兩種控制

圖7 采用自耦變壓器與時間繼電器啟動的兩種控制
八、自耦變壓器手動啟動控制
自耦變壓器手動啟動控制線路如圖8所示。當啟動電動機時,按下SB1按鈕,這時KM1接觸器得電吸合,電動機通過自耦變壓器啟動。待電動機啟動完畢后,按一下SB3按鈕,電動機即可變為正常全壓運行。

圖8 自耦變壓器手動啟動控制
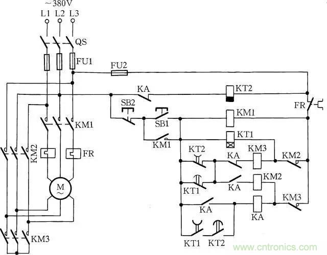
九、用中間、時間繼電器延時轉換的Y-△降壓啟動控制
這種控制線路在設計上增加了一級中間繼電器和時間繼電器,可以防止大容量電動機在Y-△轉換過程中,由于轉換時間短,電弧不能完全熄滅而造成的相間短路。它適用于55kW以上△形接法的大容量電動機,見圖9所示。
工作原理是:當接通電源時,時間繼電器KT2獲電動作,為啟動做好準備。按下啟動按鈕SB1,KM1、KT1、KM3獲電動作。KM1常開輔助觸點閉合自鎖,電動機繞組接成Y形接法降壓啟動。KT1達到整定延時時間后,KT1延時斷開的常閉觸點斷開,使KM3失電釋放;同時KT1延時閉合的常開觸點閉合,使中間繼電器KA獲電動作。KA常閉觸點斷開使KT2失電釋放,同時KA常開觸點閉合。當KT2斷電,延時觸點達到延時時間(0.5~1s)閉合后,KM2才獲電動作。這時電動機由Y形接法轉換為△形接法,啟動過程結束。

圖9 用中間、時間繼電器延時轉換的Y-△降壓啟動控制
十、用時間繼電器自動轉換Y-△啟動控制
用時間繼電器自動轉換Y-△啟動電動機控制線路如圖10所示。當按下按鈕SB1時,接觸器KM3、KM1吸合,這時電動機為Y形啟動。當經過一定延時,電動機啟動完畢后(時間繼電器一般控制在30s),時間繼電器KT常閉觸點斷開,使KM3失電釋放,同時由于KM3的釋放又接通了KM2線圈的電源,KM2吸合,電動機改為△形運行。

圖10 用時間繼電器自動轉換Y-△啟動控制
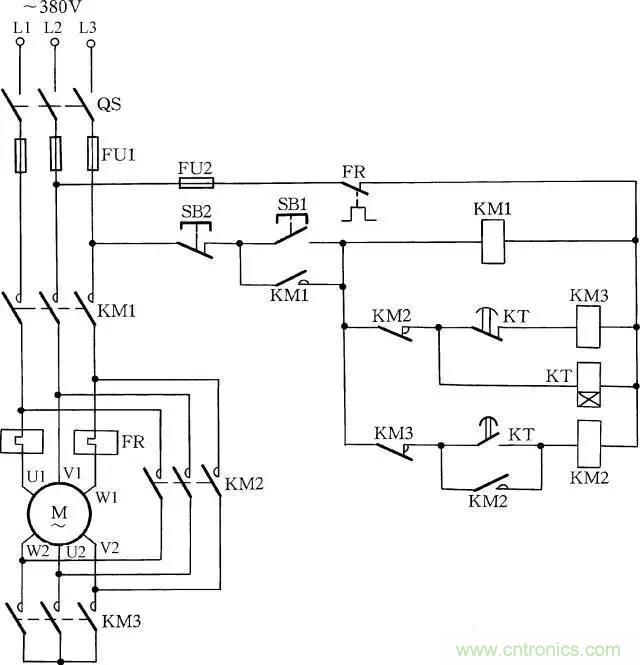
十一、籠型電動機Y-△換接啟動控制
線路如圖11所示。在啟動電動機時,先合上開關QS,按下按鈕SB1,接觸器KM1得電吸合,接觸器自鎖。Y形啟動接觸器KM3線圈和時間繼電器KT線圈保持通電,KM3常開主觸點接通,電動機接成Y形啟動。同時常閉輔助觸點KM3分斷,使△形運行接觸器KM2線圈斷路。待時間繼電器延時到一定時間后(時間繼電器可由電動機的容量和啟動時負載的情況來調整),時間繼電器KT的常閉延時分斷和常開延時閉合的觸點分別動作,使KM3斷電,使KM2線圈通電,并使其觸點自鎖,電動機接成△形運行。同時KM2常閉輔助觸點斷開,使KT和KM3線圈斷電。

圖11 籠型電動機Y-△換接啟動控制
圖11中熱繼電器FR與電動機一相繞組串聯,其整定電流應為電動機相電流的額定值。在△形接法的電動機中,熱繼電器按上述方法連接,較為可靠。
十二、手動Y-△降壓啟動控制
在條件較差的地區,也可自裝手動Y-△降壓啟動控制線路,見圖12。按下啟動按鈕SB1時,KM1得電,其常開觸點閉合,KM3得電,常閉觸點斷開,常開觸點閉合,電動機繞組接成Y形降壓啟動。當轉速達到(或接近)額定轉速時,按下SB3按鈕,使KM3失電釋放,KM2得電吸合,電動機由Y形接法轉換成△形接法。這種控制線路適用于55kW以下、13kW以上的△形接法的電動機。

圖12 手動Y-△降壓啟動控制
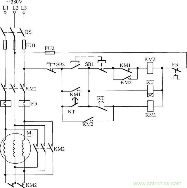
十三、采用補償器的啟動控制
線路如圖13所示。按下啟動按鈕SB1,接觸器KM1、時間繼電器KT得電,KM1常開觸點閉合自鎖。接觸器KM1主觸點閉合,使補償器接入電動機降壓啟動回路,電動機開始啟動。時間繼電器KT按整定時間延時,電動機達到運轉速度后,其常閉觸點打開,使接觸器KM1失電,主觸點打開,補償器脫離,同時常閉觸點閉合。另外,時間繼電器KT常開觸點也接通,這時接觸器KM2得電,其常開觸點閉合自鎖,KM2常閉觸點打開,時間繼電器KT失電,接觸器KM2主觸點閉合,電動機投入正常運轉。

圖13 采用補償器的啟動控制
十四、用兩個接觸器實現Y-△降壓啟動控制

圖14 用兩個接觸器實現Y-△降壓啟動控制
按下啟動按鈕SB1,KM1、KT獲電動作,KM1常開輔助觸點閉合自鎖,電動機繞組接成Y形降壓啟動。經過一段時間,KT延時斷開的常閉觸點斷開,KM1失電釋放,其常閉輔助觸點閉合。同時KT延時閉合的常開觸點閉合,KM2獲電動作,其常閉觸點打開,將Y形接線斷開;其常開觸點閉合,使KM1得電動作,閉合其主回路常開觸點,電動機由Y形接法轉換為△形接法。
這種線路僅適應于功率在13kW以下△形接法的小容量電動機,否則由于KM2接觸器常閉輔助觸點接在主電路中,容量小,很易燒損。
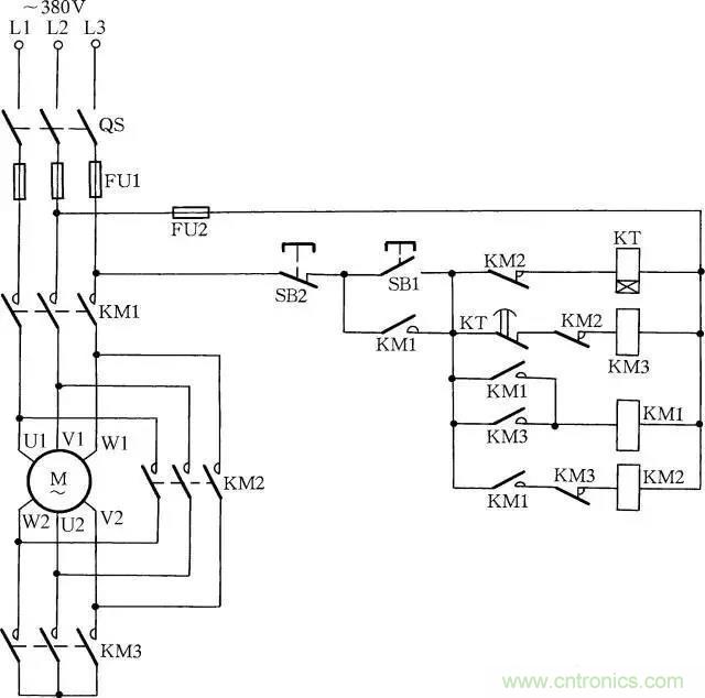
十五、用3個接觸器實現Y-△降壓啟動控制
用3個接觸器的Y-△降壓啟動控制線路如圖15所示。按下啟動按鈕SB1,KM1、KT、KM3獲電動作,電動機繞組接成Y形降壓啟動。時間繼電器達到整定延時時間后,延時閉合的常開觸點閉合,延時斷開的常閉觸點斷開,KM3失電釋放,這時KM3常閉輔助觸點閉合,使KM2獲電動作,電動機繞組由Y形接法轉換成△形接法,啟動過程結束。
這種控制線路適用于55kW以下、13kW以上的△形接法的電動機。

圖15 用3個接觸器實現Y-△降壓啟動控制
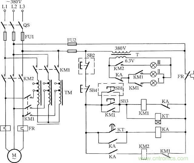
十六、常用自動補償降壓啟動柜
在需要自動控制啟動的場合,常采用XJ01型自動啟動補償器,它主要由自耦變壓器、交流接觸器、中間繼電器、時間繼電器和控制按鈕等組成。
XJ01型自動啟動補償器工作原理如圖16(a)所示:接通電源,燈Ⅰ亮,按下啟動按鈕SB1,KM1線圈得電,KM1主觸點閉合,電動機降壓啟動。KM1閉合自鎖,燈Ⅱ亮。KM1常閉觸點斷開,燈Ⅰ滅,KT得電,其常開觸點延時閉合,KA線圈獲電,常閉觸點KA斷開,KM1斷電,KM1常開觸點斷開。同時常開觸點KA閉合,KM2線圈得電,KM2主觸點閉合,電動機全壓運行,KM2常開觸點閉合,燈Ⅲ亮。
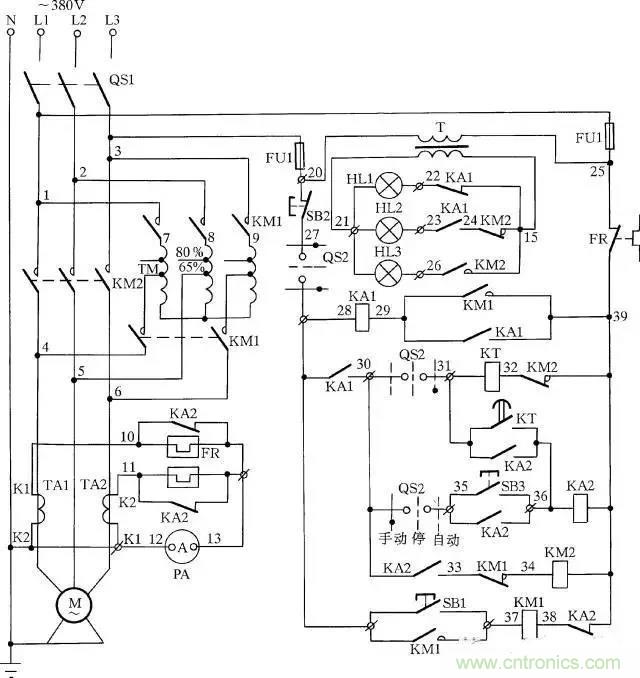
功率較大的電動機也可采用配套的配電柜來滿足啟動的要求,圖16(b)所示是75kW電動機啟動配電柜的線路。這種啟動器具有自動操作功能和手動操作功能兩種。自動操作時,合上電源開關,綠色指示燈亮,按下按鈕開關SB1時,KM3和時間繼電器KT得電吸合,同時KM3常開觸點閉合,KM2也吸合,松開SB1按鈕,KM3自鎖觸點繼續接通KM3、KM2、KT線圈回路,保持繼續吸合。這時,電源電壓便通過自耦變壓器降壓后接入電動機,使電動機降壓啟動,經過一定時間,KT時間繼電器動作,使KT延時常開觸點閉合,中間繼電器KA得電吸合并自鎖。KA的吸合,斷開了KM3、KM2、KT的通電線圈使它們釋放復位,同時在KM3、KM2釋放后,其控制常閉觸點閉合,接通KM1接觸器,KM1接觸器便投入電動機運行狀態,電動機在全壓下運行。同時黃燈(啟動指示燈)熄滅,紅燈(運行指示燈)亮。當需停止電動機運行時,可按下停止按鈕SB2,電動機即停止工作。電路中SB3按鈕為手動直接投入運行按鈕,它的作用是當時間繼電器失靈不能自動投入運行時,可先按下自動按鈕SB1等電動機達到額定轉速接近同步轉速時,即電流表的指針逐漸下降到接近電動機額定電流時,再按下SB3按鈕,便使電動機投入運行。這種配電柜可控制14~75kW的三相異步電動機。電路中的熔斷器、熱繼電器及變壓器與電動機容量也要配套使用。
對于90~115kW的電動機,可使用XJ011系列自動控制自耦式減壓啟動柜,線路如圖16(c)所示,工作原理同上。使用時要注意以下幾點。
①XJ011系列自耦減壓啟動柜在使用前需用500V的兆歐表測量導線對地電阻不小于1MΩ,并將各個接點加以緊固。
②安裝時,電源線、負荷電動機線應從箱底部穿入,L1、L2、L3標定線接電源或斷路器上樁頭,MA、MB、MC接三相電動機。
③自耦變壓器備有額定電壓65%及80%的二擋抽頭,在應用中可根據負荷的大小來決定使用抽頭的位置。
④時間繼電器可在0~60s范圍內調節,可根據需要調節啟動電動機時間。熱繼電器的額定電流應根據電動機的額定電流值整定。
⑤啟動柜一般啟動時間為10~20s。如果電動機容量較大,負載較重,最長啟動時間可調整到25s。
⑥啟動柜如需要遠距離操作,可按線路圖中SB1′、SB2′,引出連接。
⑦在使用配電柜過程中,如熱繼電器發生誤動作,可將熱繼電器的動作電流適當調大一點;如發生過載動作,則需按下熱繼電器“復位”按鈕,方能繼續使用。
⑧配電柜在使用期間,要經常清除塵埃,并定期檢查各電器接觸部位是否接觸良好,有問題要及時檢修。
⑨接觸器在工作時,如有噪聲或延時釋放現象,將銜鐵極面積塵或油垢擦凈后,即能恢復正常。
⑩檢修配電柜時,要檢查接觸器觸點有無燒毛現象。如觸點燒毛,應用細紋銼將觸點修光。
大型配電柜啟動裝置也可由電工自己進行制作。一般可用角鋼和鐵皮先焊制一個一定尺寸的柜子,然后根據電動機的功率大小選用額定容量足夠的接觸器、斷路器、自耦變壓器、互感器以及熱繼電器等,安裝時電源由上向下延伸,即上樁頭接電源,下樁頭接負載。電源相間留有足夠大的空間,自耦變壓器金屬外殼、配電柜底殼以及電動機金屬外殼要分別用接地線連接在一起并接地,以確保電氣運行安全。按照圖16(d)所示線路進行組裝。它的工作原理是:在啟動時,由5排主觸點的接觸器先動作,接通自耦變壓器,然后電源通過自耦變壓器降壓后,供給電動機M啟動,待轉速接近到達電動機本身的額定轉速時,時間繼電器動作,使啟動接觸器釋放,在釋放后通過中間繼電器把運行接觸器KM2線圈回路接通,從而使380V電壓直接通過運行接觸器的吸合接入到電動機M上,啟動結束。

圖16(a) XJ01型自動啟動補償器

圖16(b) 75kW電動機啟動配電柜

圖16(c) 90~115kW電動機XJ011系列
自動控制自耦式減壓啟動柜

圖16(d) 自制組裝大型自動補償降壓啟動配電柜
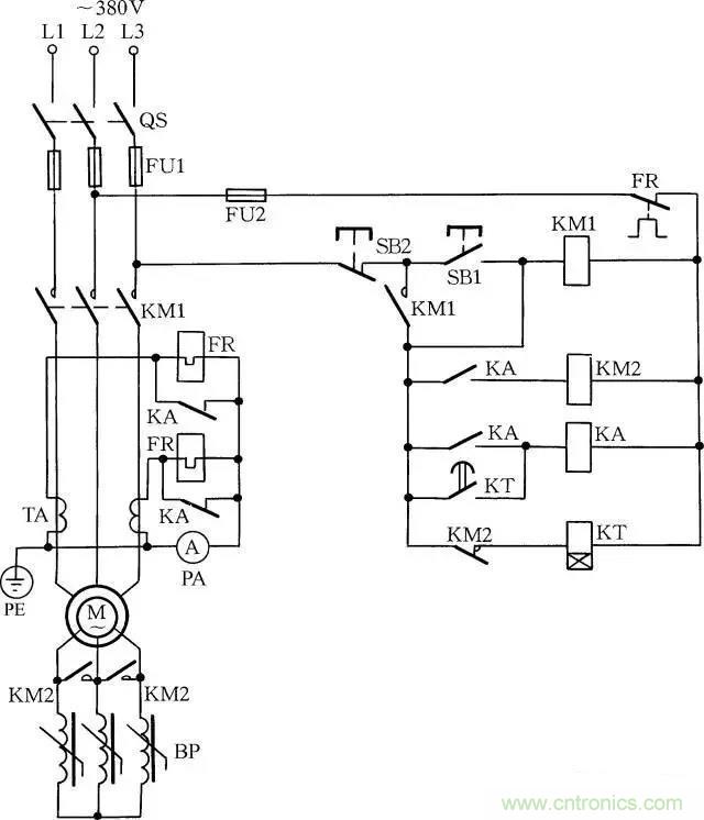
十七、頻敏變阻器啟動控制
圖17所示是繞線式異步電動機應用頻敏變阻器的啟動控制線路。它是利用頻敏變阻器的阻抗隨著轉子電流頻率的變化而顯著變化的特點來工作的。
啟動時按下啟動按鈕SB1,KM1獲電動作,其常開輔助觸點閉合自鎖,電動機轉子電路串入頻敏變阻器啟動。當時間繼電器KT達到整定時間后,其延時閉合的常開觸點閉合,中間繼電器KA獲電動作,其常開觸點閉合,KM2獲電動作,KM2常閉觸點斷開,使時間繼電器KT斷電,同時KM2常開觸點閉合,將頻敏變阻器短接,啟動過程結束。
元件短接KA的作用是,以免因啟動時間過長造成熱繼電器誤動作:在啟動時,由其常閉觸點將熱繼電器的發熱。啟動結束后,KA動作把熱繼電器投入運行。

圖17 頻敏變阻器啟動控制
十八、延邊三角形降壓啟動
延邊三角形降壓啟動線路見圖18。按下啟動按鈕SB1,KM1獲電動作,其常開輔助觸點閉合自鎖,KM3、KT獲電動作,電動機繞組接成延邊三角形降壓啟動。KT達到整定時間后,延時斷開的常閉觸點斷開,使KM3失電釋放,KM3常閉輔助觸點閉合。同時,KT延時閉合的常開觸點閉合,KM2獲電動作,其常開輔助觸點閉合自鎖,電動機繞組由延邊三角形轉換為三角形接法,啟動過程結束。這種接法適用于要求啟動轉矩較大的場合。

圖18 延邊三角形降壓啟動
免責聲明:本文為轉載文章,轉載此文目的在于傳遞更多信息,版權歸原作者所有。本文所用視頻、圖片、文字如涉及作品版權問題,請聯系小編進行處理。