【導讀】啟動期間的點火起動和關斷期間的負載突降是造成汽車電源線路中產生電壓瞬變的常見起因。這些欠壓(UV)和過壓(OV)瞬變的幅度很大,可能會對并非專用于極端條件下運行的電路造成損壞。目前已開發出專用的UV和OV保護器件,用于斷開敏感型電子器件與電源瞬變之間的連接。
Q:是否有適合汽車應用的過壓和欠壓保護器件?
A:可采用特定的電源路徑控制器來保護您的系統。
啟動期間的點火起動和關斷期間的負載突降是造成汽車電源線路中產生電壓瞬變的常見起因。這些欠壓(UV)和過壓(OV)瞬變的幅度很大,可能會對并非專用于極端條件下運行的電路造成損壞。目前已開發出專用的UV和OV保護器件,用于斷開敏感型電子器件與電源瞬變之間的連接。
LTC4368就是一款專用的UV和OV保護器件。它利用窗口比較器來監測和驗證輸入電源。通過連接至UV和OV監測器引腳的電阻分壓器網絡監測電源電壓。窗口比較器輸出驅動兩個N通道MOSFET的柵極,以閉合或斷開電源和負載之間的連接。
LTC4368的窗口比較器在其監測器引腳上提供25 mV遲滯,以改善抗干擾度。遲滯可防止因電源線路中存在紋波或其他高頻振蕩導致MOSFET進行錯誤的導通/關斷切換。LTC4368提供的25 mV遲滯相當于監測器引腳閾值的5%,這在UV和OV保護器件中很常見。
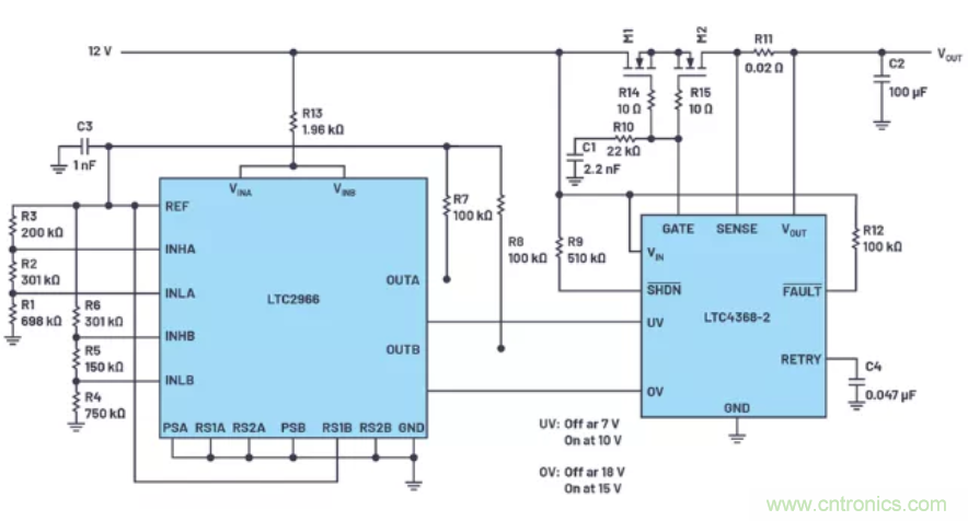
為了保護電路或降低點火負載,在啟動或關閉期間,必須將某些汽車附件電路與電源線路斷開。由于存在較大瞬變,這些電路可能需要更多遲滯(超過LTC4368單獨提供的遲滯)。對于這類應用,可以將LTC4368與提供可調遲滯的電源監測器(例如 LTC2966)匹配,以滿足提供更高遲滯的要求。圖1所示為寬電壓范圍汽車電路保護器示例。在這個電路中,LTC2966用作窗口比較器,LTC4368則負責將負載連接至電源。

圖1.利用寬電壓監測器遲滯實施電源路徑控制。
提供電路保護的汽車UV/OV和過流監測器
圖1所示的解決方案可保護易受汽車電源線路中欠壓、過壓和過流瞬變影響的電子器件。
LTC2966監測反向電壓、欠壓和過壓情況。監測閾值和遲滯電平由INH和INL引腳上的電阻網絡,以及RS1和RS2引腳上的電壓來配置。
OUTA是UV窗口比較器輸出,OUTB是OV窗口比較器輸出。這些輸出的極性可以通過PSA和PSB引腳選擇為相對于輸入反相或同相。在圖1中,它們配置為同相。LTC2966的OUTA和OUTB輸出上拉至LTC2966的REF引腳,然后直接饋入LTC4368的UV和OV引腳。
LTC4368提供反向電流和過流保護。電流檢測電阻R11的大小決定了反向電流電平和過流電平。LTC4368根據其過流比較器和LTC2966提供的監測信息來確定是否應將負載連接至電源。UV、OV和SENSE(過流)引腳都是影響決策的因素。如果三個引腳都滿足條件要求,則GATE引腳拉至VOUT 以上,負載則通過雙路N通道MOSFET電源路徑連接至電源。如果三個引腳中有任何一個不滿足要求,則GATE引腳拉至VOUT以下,負載與電源斷開。
直接由電池供電的汽車應用易受發動機啟停期間較大的電壓波動影響。在這種保護解決方案中,電壓監測閾值由標稱工作電壓,以及汽車啟動或負載突降情況下的預期電壓決定,同時確保下游電子器件受到保護。
當汽車點火裝置通電啟動車輛時,會產生啟動瞬變。在此應用中,LTC2966的通道A配置為檢測啟動瞬變。

圖2.VOUT 與VIN的關系曲線。
圖2所示為電源路徑處于活動狀態時的輸入電壓。啟動監測器通道A配置為具有7 V降壓閾值和10 V升壓閾值。負載突降監測器通道B配置配置為具有18 V升壓閾值和15 V降壓閾值。這些閾值通過查看不同的啟動和負載突降波形規格獲得。如果需要,可以通過調節LTC2966的INL和INH輸入的電阻分壓器串來輕松配置不同閾值。
配置

圖3.電阻分壓器決定電壓監測器閾值。
圖3顯示如何計算得出此應用的電阻分壓器值。LTC2966的REF引腳提供2.404 V。

圖4.范圍和比較器輸出極性選擇。
圖4所示為該電路的范圍和輸出極性配置。每個通道的范圍根據要監測的特定通道的電壓范圍來選擇。范圍由RS1A/B和RS2A/B引腳配置。LTC2966輸出引腳的極性,無論是拉高或是拉低,都是通過設置PSA和PSB引腳來確定的。在此應用中,LTC4368的輸入引腳決定LTC2966輸出引腳的極性。對于要連接至電源的負載,UV引腳的電壓必須大于0.5 V,OV引腳的電壓必須小于0.5 V。
反向電壓保護
在圖1所示的解決方案中,LTC2966和LTC4368都受反向電壓保護:LTC4368內置−40 V反向電壓保護,LTC2966則需要選擇保護器件。

圖5.適用于LTC2966的反向電壓保護方法。
圖5顯示了適用于LTC2966的兩種反向電壓保護方法:一種是電阻解決方案,一種是二極管解決方案,具體選擇哪種取決于應用。
在二極管解決方案中,二極管只在電路正常運行(即正電壓)期間保持激活。LTC2966的電源電流為幾十微安,因此使用一個低功率二極管就足夠了,可以提供尺寸小巧的解決方案。在反向電壓事件期間,二極管會阻止電流從LTC2966電源引腳流出。選擇哪種二極管,由二極管的反向擊穿電壓決定。為了匹配LTC4368,應該選擇40 V二極管。使用二極管解決方案之后,正向壓降可能會對欠壓鎖定閾值和電壓監測閾值精度產生負面影響。
在電阻解決方案中,要選擇足夠大的電阻,以便在反向電壓事件期間,安全限制從LTC2966電源線路中引出的電流。但是,也要適當考慮電阻的大小,確保對欠壓鎖定和電壓監測閾值精度的影響最小。選擇合適的封裝尺寸,可以確保電阻保持安全功耗。
在這種應用中,所監測的電壓足夠低,與輸入串聯的二極管正向電壓會嚴重影響電壓監測閾值的精度。使用電阻解決方案時,可選擇使用1.96 kΩ限流電阻,以保護LTC2966不受反向電壓影響。如果輸入電壓下拉至−40 V以下,則選擇的電阻大小就能夠將輸入引腳輸出的電流限制在20 mA。低值電阻僅導致幾毫伏壓降,因此電阻對閾值精度的影響可以忽略不計。
過流和浪涌電流保護

圖6.應用過流和浪涌電流保護。
LTC4368負責為應用提供過流和浪涌電流保護。圖6顯示了相關組件。LTC4368內部的比較器監測電流檢測電阻R11兩端的壓降。如果是正向(VIN 至VOUT,過流比較器在SENSE至VOUT 的電壓超過50 mV時斷路。如果是負向(VOUT 至VIN,過流比較器在SENSE至VOUT 的電壓超過–3 mV時斷路。此應用使用一個20 mΩ檢測電阻,將限流值設置為+2.5 A和–150 mA。
浪涌電流限制允許應用在不置位正向過流保護的情況下上電。R10和C1為浪涌電流限制器件。
在本應用中,將浪涌電流限制為1 A,遠低于2.5 A的正向限流值。C1基于所需的浪涌限流值和C2的大小來選擇。R10可防止C1降低反向極性保護響應速度,使快速下拉電路穩定下來,并防止在故障情況下發生震顫。
C4電容用于在正過流事件后設置重試延遲。重試延遲是檢測到過流事件后,MOSFET柵極保持低電平的時間。在此應用中,重試延遲為250 ms。在MOSFET柵極添加10Ω電阻R14和R15,用于防止PCB布局寄生電容產生電路振蕩。
功能演示
啟動事件

圖7.完整的啟動波形。
對原型進行了基準特性測試,結果如圖7所示。在點火激活之前,VIN 大于為通道A配置的10 V上升監測閾值。LTC4368-2 UV被LTC2966的OUTA引腳拉高至其500 mV閾值以上,使得電源路徑激活,且VIN。
在啟動過程中,12 V總線下拉至6 V。超過7 V降壓監測閾值之后,OUTA立即下拉LTC4368-2的UV引腳。LTC4368-2對此做出響應,它將GATE引腳拉低,切斷開關元件的電源,使VOUT 降至0 V。由電壓監測電阻分壓器編程設置的3 V遲滯允許LTC2966忽略啟動期間總線上出現的紋波。因此,在啟動周期完成之前,開關元件一直保持關閉。啟動周期結束時,電池電壓恢復到其標稱值,該值大于10 V閾值。OUTA引腳將LTC4368-2 UV引腳拉高,開關元件重新通電。

圖8.展開的啟動恢復。
圖8顯示啟動恢復行為。可以看到,LTC4368-2的內部恢復定時器(一般為36 ms)在重新接通開關元件的電源之前滿足要求。還可以看出,重新接通開關元件的電源之后,VIN 暫時被拉低。這是因為對電路的負載電容和串行輸入電感充電導致的。這表明需要寬電壓監測閾值遲滯。此負載電容充電瞬變會被LTC2966忽略。

圖9.完整的負載突降波形。
圖9顯示電路的負載突降行為。在熄火之前,VIN為標稱值。電源路徑已激活,且VOUT = VIN。在負載突降過程中,電池電壓上拉至100 V。超過18 V升壓監測閾值之后,OUTB立即上拉LTC4368-2的0 V引腳。LTC4368-2對此做出響應,它將GATE引腳拉低,使電源路徑斷開,VOUT 降至0 V。開關元件保持斷開,直到負載突降放電至15 V。超過15 V降壓閾值后,LTC2966的OUTB下拉LTC4368-2的0 V引腳,在LTC4368-2內部恢復定時器超時后,TC4368-2再次接通開關元件的電源。

圖10.反向電壓保護測量。
圖10顯示采用1.96 kΩ電阻的情況,它在反向電壓事件期間限制LTC2966電源引腳輸出的電流。應用的輸入電壓從0 V降至–40 V。VINA和VINB引腳輸出的電流限制在20 mA,VINA和VINB引腳的電壓保持低于接地電壓幾百毫伏。LTC2966安全經受反向電壓事件。
正向過流保護
圖11顯示由R10和C1確定的浪涌限流值。如預料的一樣,浪涌電流限制在1 A,VOUT在不置位過流限值的情況下直接上拉至12 V。

圖11.浪涌電流限值。

圖12.置位正向過流保護和重試延遲。
圖12顯示LTC4368對正向過流事件的響應。當SENSE和VOUT引腳之間的電壓超過50 mV時,LTC4368中的正向過流比較器斷路。電流檢測電阻R11的值為20 mΩ,可將應用的限流值設置為2.5 A。
在本演示中,電流陡然升高,直至過流保護置位。如預期的一樣,過流保護在2.5 A時激活。LTC4368去除來自電源VOUT 的負載,負載電流降至0 V。LTC4368重試定時器滿足要求之后,LTC4368將電源重新連接至負載。如果過流狀況消失,負載將保持與電源連接的狀態。否則,LTC4368將去除來自電源的負載。可以通過在RETRY引腳增加電容來增加重試延遲。如果需要,可以通過讓RETRY引腳接地來鎖定VOUT。在此電路中,重試定時器設置為250 ms。有關重試定時器的配置說明,請參見LTC4368數據手冊。

反向過流保護
圖13.置位反向過流保護。
圖13顯示LTC4368對反向過流瞬變的響應。反向過流比較器檢測VOUT 和SENSE引腳之間的電壓。用于反向過流置位的電壓閾值取決于具體的產品型號。LTC4368-1在50 mV時置位,LTC4368-2在3 mV時置位。此應用使用LTC4368-2型號。電流檢測電阻R11為20 mΩ。這將反向過流限值設置為150 mA。
在本例中,當電源為負載提供100 mA時,VOUT中存在電壓階躍,所以 VOUT的值大于VIN。隨著VOUT增大,ILOAD減小。電壓階躍足夠大,迫使電流從負載流向電源。這種情況會一直持續,直到反向電流達到150 mA,反向過流比較器斷路。反向過流比較器斷路時,GATE引腳被拉低。這會去除來自電源的負載,防止負載進一步后向驅動電源。LTC4368會讓柵極保持低電平,直到它檢測到VOUT降至低于VIN100 mV。
結論
本文中的汽車應用顯示,使用專用保護器件可以簡化汽車保護電路的實施方案。采用極少的附加電路將LTC2966和LTC4368-2組合在一起,可提供準確、可靠和全面的瞬變保護。這些器件應用靈活,可配置用于多種應用。
LTC4368
● 寬工作電壓范圍:2.5V 至 60V
● 過壓保護至 100V
● 反向電源保護至 –40V
● 雙向電子電路斷路器:
○ +50mV 正向檢測門限
○ –50mV 反向 (LTC4368-1)
○ –3mV 反向 (LTC4368-2)
● 可調 ±1.5% 欠壓和過壓門限
● 低工作電流:80μA
● 低停機電流:5μA
● 控制背對背 N 溝道 MOSFET
● 可隔離 50Hz 和 60Hz AC 電源
● 可熱插拔的電源輸入
● 引腳可選的過流自動重試定時器或鎖斷
● 10 引腳 MSOP 和 3mm x 3mm DFN 封裝
推薦閱讀: