【導讀】近年來,人們對固態斷路器和固態功率控制器的興趣越來越濃厚。鑒于SiC JFET在高額定電壓下具有低開態電阻而且它在需要時進行限流的能力毫不遜色,它們一直被視為此應用的理想器件。我們調查了常關型SiC FET在雙柵極結構中的使用情況,以簡化大電流直流斷路器和交流斷路器的開發。
近年來,人們對固態斷路器和固態功率控制器的興趣越來越濃厚。鑒于SiC JFET在高額定電壓下具有低開態電阻而且它在需要時進行限流的能力毫不遜色,它們一直被視為此應用的理想器件。我們調查了常關型SiC FET在雙柵極結構中的使用情況,以簡化大電流直流斷路器和交流斷路器的開發。
有許多研究對固態斷路器的優勢進行了探索,它們可以大致分為混合斷路器和沒有機械部件的完全固態斷路器。本文重點介紹固態斷路器。表1展現了在與現有機電斷路器和繼電器比較時,固態斷路器的優勢和劣勢概覽。固態斷路器的已知重要優勢是能夠在1納秒/微秒內中斷電流,而機電斷路器需要的時間為毫秒級。在中斷內阻抗非常低的電力來源時,例如電動車電池,這一優勢會變得越來越寶貴。它還可以用于中斷直流電路,而無需周全的電弧防止措施。沒有移動部件和接觸降級的特點使其能在進行現場更換前執行更多周期的故障防護。然而,固態斷路器的電阻比機械接觸高,從而使其成本與電流比要高得多。對于基本單極器件,由于半導體的額定電壓變高,在相同面積的所用材料下,電阻會隨著V2或V2.5一起增加。由于斷路器電壓級的升高,這會直接影響成本。

表1:固態斷路器與機電斷路器的特征比較
為什么用SiC進行電路保護
固態保護電路的主要功能是在開態下以盡可能小的電阻損耗傳導電流,并能夠在系統控制器建議中斷電流時中斷電流。在不到600 V的低壓下,硅MOSFET的電阻低,是打造斷路器、繼電器和電子保險絲的成本經濟的選擇,而且已經應用于48V電池系統。一旦所需的電壓超過600 V,即使超結(SJ)MOSFET等先進的硅技術的電阻也會過高。IGBT雖然能夠提供非常低的微分阻抗,但是在其導電特征中有拐點,從而使導電過程中的功率損耗過高,這反過來導致需要去除更多熱量。在電壓超過3000 V時,則使用IGCT實施斷路器。
圖1顯示的是硅SJ MOSFET、GaN FET、SiC MOSFET和基于SiC-JFET的SiC FET的具體導通電阻。應該很明顯的一個事實是,在從600至2000 V的大電壓范圍內,SiC FET能在單位面積內實現極低的電阻。這允許人們開發出導電損耗極低、極為小巧和經濟高效的固態斷路器。在散熱受限的應用中,它們會非常有用。所有SiC器件也都能夠承受很高的瞬時升溫(例如在短路事件中),這一特點在處理四倍于硅器件的單位面積能量時十分有用。這是因為寬帶隙會導致需要高得多的溫度才能通過熱量生產足夠的載波子,從而降低開關的電壓閉鎖能力。4H-SiC的導熱系數比GaN或基于Si的器件高三倍,允許高效散熱,從而允許在更高的電流密度下運行。

圖1:比較多種半導體的具體導通電阻與電壓
基于SiC的電路保護的主要應用
鑒于固態電路保護的成本普遍較高,它很可能用于速度、可控性、可靠性和重量輕這幾個特征比成本溢價要重要的情況。這是典型的新技術,而且由于總是會隨著技術(尤其是SiC)的成熟和擴展出現的成本降低,它的應用領域會更廣。
鑒于直流電力來源(太陽能、電動車電池、能量存儲等)和直流負載的迅速增長,直流斷路器領域正在考察需要使用750 V – 1200 V FET的基于SiC的斷路器。在電動車、船、飛機應用中,需要非常低的導電損耗,且電弧閃光帶來了安全隱患,因此固態斷路器是一個好解決方案。固態解決方案的能力是快速中斷短路事件,不讓電流上升到5 kA或10 kA以上,這一能力十分寶貴。在保護層級中,可以在主斷路器和下游斷路器之間實現更快的協調。
大功率交流斷路器也能從固態解決方案的使用中獲益,這主要是因為現在可以使用與機械接觸相媲美的1200 V SiC FET來實現導通電阻,且整體解決方案可以大幅簡化現場維護。固態開關直接帶來的快速電流中斷和浪涌電流限制能改進功能,從而帶來更多價值。
家居空間中的交流斷路器可以利用SiC器件無與倫比的低導電損耗,以便在除了傳統負載外的使用太陽能電池板、能量存儲和電動車的新興環境中實現智能解決方案來管理能量。盡量降低生成的熱量可實現具有成本效益的斷路器面板,而不需要任何風扇來冷卻。
除了固態斷路器外,這些器件還用于構造固態功率控制器,它可在船和飛機上的多個發電來源與負載之間調節受管理的功率流。像故障電流一樣,浪涌電流也能得到有效控控制。
固態斷路器在鐵路牽引中也能發揮作用,能促進更好地管理接觸網與系統功率電子器件之間的更快的故障響應。這可以幫助降低下游功率電子器件的體積、重量和成本。系統可靠性和壽命也能受益。
在一系列新興應用中,SiC JFET被用作雙向限流開關、自供電斷路器和超共源共柵高壓斷路器。
在功能安全方面,對于即使失去柵極功率,晶體管保持開態也有好處的應用,常開型SiC JFET是十分有用的器件。可考慮在高壓側使用常關型器件而在低壓側使用常開型JFET的全橋整流器。此橋仍然存在,作為到輸入側的常關器件,但是由于低壓側JFET可以在兩個都打開時讓輸出短接,它們可以在失去控制力時作為分流器。此種方法可以改進電動機逆變器的設計,在該應用中簡單地使用常開器件作為低壓側FET可以簡化功能安全性的管理。
在上述所有領域,固態解決方案監視其運行狀況的能力以及允許輕松按計劃維護而不是在故障后再維修的能力都是顯著優勢,而事實表明雙柵極SiC FET提供了這方面的最佳選項。
JFET、SiC FET和雙柵極SiC FET結構
圖2比較了SiC MOSFET和SiC JFET的基本結構。圖1中表明了SiC JFET具有較低的單位面積導通電阻,這要歸功于無低遷移溝道和無需保護柵氧化層免受強磁場影響,強磁場需要附加屏蔽,而這會增加導通電阻。然而,JFET是常開型器件,而為了打造常關型器件,可以將低壓硅MOSFET與SiC JFET以共源共柵結構串聯,如圖2所示,這可使RDS(on)增加5 – 15%。這個串聯連接的器件可以配置為基本共源共柵結構,也就是SiC FET,也可以配置為雙柵極器件,讓低壓MOSFET和SiC JFET的柵極都可以從外部接觸到。

圖2:JFET中的低溝道電阻導致的SiC MOSFET和SiC FET的電阻差異

圖3:基于SiC JFET的器件的結構
在圖3中,左側的圖顯示的是與傳統MOSFET一樣采用TO-247封裝的SiC JFET。中間的圖顯示的是如何在高壓SiC JFET晶粒的源極墊上堆疊低壓MOSFET以形成SiC FET共源共柵結構。在封裝內,SiC JFET的柵極連接到低壓MOSFET的源極,構成了完整的共源共柵連接。該器件可以像常關型MOSFET一樣使用。右側的圖顯示的是如何在相同的TO-247-4L封裝中讓MOSFET柵極和JFET柵極外露,便于用戶控制。這被稱為雙柵極FET(DG FET)。在圖內示例中,1200 V JFET在VGS = 2 V時的電阻為7 m?,在VGS = 0 V時的電阻為8 m?。SiC FET中,在開態下,該JFET運行時的VGS接近0 V。器件電阻為9 m?,其中1 m?是由低壓MOSFET帶來的。在右側的雙柵極器件中,在開態下,MOSFET打開,而且由于JFET可以在柵極電壓為2至2.5 V時運行,其電阻會降至7 m?,而復合器件的電阻降至8 m?。這一開態行為如圖4所示。

圖4:VGS = 2 V與VGS = 0 V相比電阻較低,可用于1200 V雙柵極FET
圖5以溫度函數的形式顯示了1 mA下JFET的VGS的行為,相當于感知了柵源SiC PN結的膝點電壓。在器件打開時,柵極驅動電路可以感知該電壓,進而直接決定TJ。這種感知的TJ方法遠比感知VDS(on) = (ID ? RDS(on))要準確。各個器件的小電流膝點電壓差異不大,因為它不受許多會導致RDS(on)變化的過程因素的影響。在將溫度感知二極管集成到SiC芯片時,它的速度和準確性也都很出色。最后,在功率模塊中使用NTC感知溫度和/或感知控制集成電路的TJ無法與這種JFET VGS感知方法能實現的必要響應速度和準確性相比。

圖5:使用SiCJFET的開態VGS監視其結溫
在已知運行條件下的JFET TJ變化可以與檢查正常運行條件下器件老化的基準進行對比。TJ過高可能標志著使用壽命即將終止,讓您可以在發生嚴重故障前更換。因為TJ響應速度達到微秒級,十分準確,所以還可以在瞬時事件中監視芯片升溫,從而在開關損壞前關閉,例如在斷路器激活時。
在簡單的4端子DG FET中,低壓FET中的開態壓降會影響外部測量的VGS,因此必須進行校正才能得到結溫。在引腳數較大的封裝中,可以直接使用JFET源極電勢來提高提取的TJ的準確性。也可以將DG FET作為兩個分立器件,并帶一個RDS(on)超低的邏輯電平SMT分立FET,而這可讓您直接接觸JFET柵極和源極。

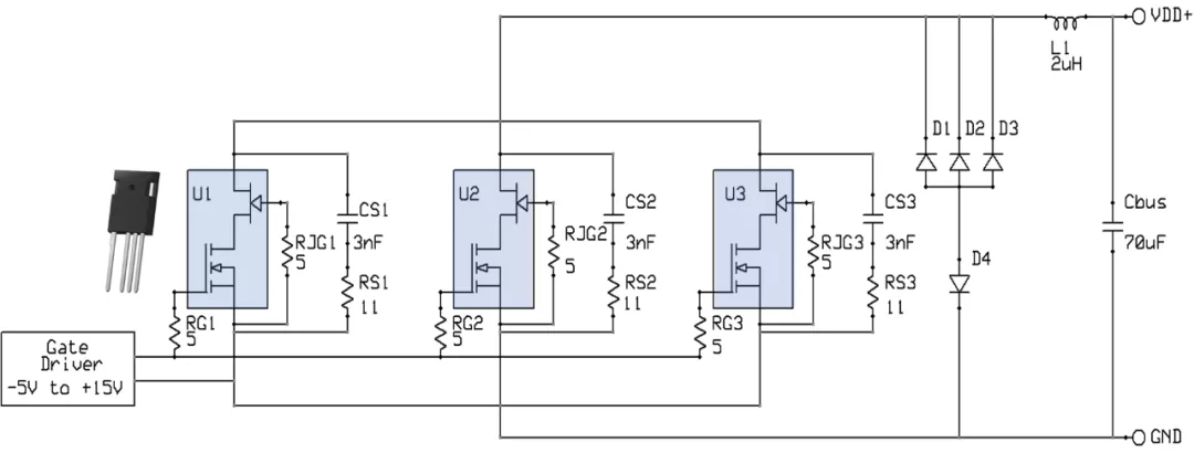
圖6:固態斷路器(功率元件)的電路結構
固態斷路器
固態斷路器常用的電路實施如圖6所示。兩個開關以共源極結構連接,提供雙向電壓閉鎖和電流。跨單個FET或一對FET使用RC緩沖電路(Rs,Cs)。瞬時電壓抑制器件(MOV,TVS)跨晶體管放置,用來吸收線路和負載電感在切斷電流時產生的電感能量。這種電路結構可以用于許多應用。例如,在電動出行應用中,可使用此電路代替直流隔離開關。因為所有電池能量都經過固態開關,所以額定值為500 - 1500 A,1200 V的斷路器需要不到1m?的電阻。這需要將許多器件并聯,而使用RDS(on)超低的器件可簡化這一任務。
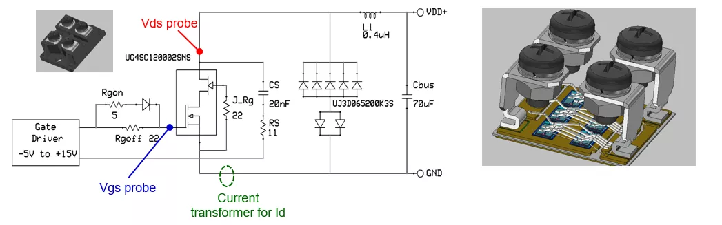
圖7顯示的實驗裝置可用于證實并聯雙柵極SiC FET和中斷大故障電流的能力。三個TO247-4L器件并聯,每個都是9 m?,1200 V,整體開關電阻為3 m?。

圖7:固態斷路器測試電路示意圖,其中的開關由三個雙柵極SiCFET并聯構成。SiC肖特基二極管D1-D4(UJ3D065200K3S)用作TVS(而不是MOV),以在關閉瞬間保護開關。

左-圖8:1200 V雙柵極器件中的RDS(on)與溫度的關系
右-圖9:1200 V雙柵極器件中的Vth與溫度的關系
圖8表明器件導通電阻具有正溫度系數,確保在器件打開時可以很好地分擔電流。這些器件與標準MOSFET一同運行,如在本測試中的-5至15 V柵極驅動下,但是也可以使用0至12 V的單極柵極驅動。在每個MOSFET和JFET柵極處都設有一個5 ?電阻以協助開關期間的并聯運行。這個5 ? JFET RG會讓開關關閉放緩。由于該電阻比JFET的固有柵極電阻大很多,它可幫助設置共源共柵的關閉速度,讓三個并聯器件的開關行為匹配。跨每個器件放置一個RC緩沖電路,因為這種結構可以盡量減小緩沖電路和開關之間存在的雜散電感。JFET Vth隨溫度發生的輕微變化(圖9)對確保在開關瞬間實現出色的電流分擔也十分重要。
圖10表明的是三個并聯FET的測量得到的關閉行為。總線電壓為400 V,TVS夾鉗是使用200 A,650 V SiC肖特基二極管UJ3D065200K3S創建的,該二極管可以吸收用于刺激線路電感的大小為2 μH電感的雪崩能量。在1000 A下,該能量為1 J,因此可以將三個此類二極管并聯以提供足夠的裕度。柵極脈沖VGS用于讓電流在10 μs內漸變至1150 A,然后關閉。由于2 μH電感器中持續存在電流,器件電壓上升的速度取決于開關速度(在此情況下,由JFET的RG決定),并且要使用緩沖電路。一旦器件達到由TVS二極管擊穿決定的鉗位電壓,電流就會傳輸至TVS二極管。如果采用這種布置,三個TO-247器件可以平穩關閉1150 A電流,如圖10所示。請注意,SiC FET中的電流會在不到500 ns的時間內中斷,然后傳輸至雪崩的TVS陣列。電流返回至零的5 μs持續時間是由峰值電流決定的,而下降的斜率則由BV(TVS)/L1決定。VDS波形中的短暫電壓峰值是開關關閉時相對較快的di/dt以及器件和TVS二極管之間的雜散電感導致的。這可以通過降低關閉速度和/或調整RC緩沖電路來進一步緩和。

圖10:在圖7所示的測試電路中,三個并聯1200 V雙柵極器件在1150 A下測量得到的關閉瞬態波形。TVS鉗位電壓約為900 V。
圖11將雙柵極器件適宜性研究擴展到了SOT-227封裝中的2 m?,1200 V模塊內,該模塊內共有6個此類器件并聯。可以使用一個22 ?電阻降低共源共柵結構的開關速度,且器件配有一個11 ?,20 nF的緩沖電路。為了方便進行電流較大的測試,線路電感器降低至0.4 μH,并使用五個并聯的200 A,650 V二極管作為TVS。圖12顯示的是測試得到的波形,此時,模塊用于中斷1950 A的峰值電流。VDS波形中的電壓峰值可以通過使用22 ?電阻調整JFET關閉和使用較大的RC緩沖電路來消除。

圖11:固態斷路器測試電路示意圖,其中的開關是由SOT-227封裝中的雙柵極模塊與六個并聯的9 m?,1200 V器件構成的。它與封裝寄生元件一起形成了2.2 m?,1200 V且額定值大于300 A的器件。
商業應用
當然,完整的固態斷路器實施會使用兩個此類開關并讓它們以共源極結構相連。為了應對較大的電流,人們正在開發使用更多并聯器件的模塊。雖然在這些示例中,在共源共柵形式下使用雙柵極器件是由標準硅MOSFET/IGBT柵極驅動器來驅動的,但是更為復雜的實施可以使用低壓MOSFET作為啟動開關直接驅動SiC JFET的柵極。這可以支持SIC JFET實現極低的導電損耗,還可以支持結溫感知能力。堆疊在JFET上的電流感知低壓MOSFET可以消除對昂貴的外部電流感知方式的需求。
SiC晶體管可以處理大量雪崩能量,最高可達給定面積的硅的4倍。然而,隨著線路電感和電流增加,吸收SiC器件中的所有雪崩應力變得無法實現,從而導致需要使用并聯MOV器件。因此,固態斷路器解決方案的成本將取決于SiC開關和所用MOV的成本。MOV的鉗制特性使其電阻要高得多,因此峰值電壓會比在這些演示中使用SiC TVS二極管時要高得多。MOV的大小經過調整可讓峰值電壓低于SiC器件的額定擊穿電壓,如果SiC組件的額定電壓降低,則此MOV必須更大。在本文的示例中,總線電壓位于400 – 600 V范圍內,MOV讓峰值電壓保持在1200 V 以下以應對最糟糕的關閉電流,從而允許使用1200 V的SiC器件。理論上,可以將峰值電壓控制在1500 – 1700 V的成本較低的MOV可能要求使用1700 V器件,而這會讓SiC解決方案的成本提高接近一倍。換言之,SiC的成本和MOV的成本與體積之間存在此消彼長的情況,這種逐漸變化伴隨著斷路器必須承受的最糟糕的能量。在某些應用中,最終的體積和重量方面的考慮會限制斷路器的大小,導致需要額定電壓高且更昂貴的SiC斷路器。

圖12:在圖11所示的測試電路中,1200 V雙柵極模塊在1950 A下測得的關閉瞬態波形。TVS夾鉗電壓約為900 V。
隨著SiC器件采用量的提高,它的成本在迅速降低,市場預測SiC器件的情況時大部分目光都集中在電動車細分市場的可能增長上。預計未來幾年內,產量驅動的效率會將SiC晶圓的成本降低一半。預測中的SiC JFET技術的提升將會穩步降低RDSA,還將與產量帶來的效率一起將成本降到新低。圖13中顯示了這些因素以及預測的SiC收入增長(來源:IHS Markit)。當前的大部分預測沒有計入大規模采用固態斷路器會帶來的影響,這大概是由于固態斷路器與機電斷路器的成本差異造成的。如果確實所有電池電量都要經過固態斷路器,則僅電動車中采用的固態斷路器就會讓預測的市場規模翻倍。如果將這種邏輯推廣到第三節中討論的其他應用領域,則即使生產和使用的直流電中只有一小部分經過固態斷路器和控制器,市場潛力也會是圖13預想中的幾倍。

圖13:預測的SiC收入增長,SiC晶圓成本的演變和技術進步(RDSA降低)。固態斷路器可能會在二十一世紀二十年代的后五年內讓SiC市場翻倍。
結論
使用600 – 1200 V級半導體的固態斷路器可能正在接近其采用量的引爆點。鑒于SiC器件可以提供的低RDSA,它們格外適合這個電壓級,且事實表明,基于SiC JFET的解決方案在這方面表現出色。電動車和其他應用領域的SiC整體市場的增長正在形成一個良性循環,促使成本降低。技術進步正在迅速降低SiC FET的RDSA,而且這種趨勢還會在未來幾年內繼續發展,使得RDSA再降低二分之一到三分之二。這些不斷自我強化的趨勢將推動固態斷路器的成本效益的提高以及后續采用。對斷路器的所有系統級優勢的了解和探索固態、這些器件提供的有助于監視降級情況的度量方法的能力,以及工業4.0現在顯現出來的趨勢都表明,固態電路保護領域即將發生重大變革。
(來源:UnitedSiC)
免責聲明:本文為轉載文章,轉載此文目的在于傳遞更多信息,版權歸原作者所有。本文所用視頻、圖片、文字如涉及作品版權問題,請電話或者郵箱editor@52solution.com聯系小編進行侵刪。
推薦閱讀:





