【導讀】一些微控制器單元通常帶有一個內部 RC 振蕩器,運行時可以不用外部陶瓷或石英晶體振蕩器。但是,你需要微調此RC振蕩器。
一些微控制器單元通常帶有一個內部 RC 振蕩器,運行時可以不用外部陶瓷或石英晶體振蕩器。但是,你需要微調此RC振蕩器。
很有可能,你最喜歡的 MCU 就有一個內部 RC 振蕩器。所有主要制造商的眾多微控制器系列都包含此模塊,包括德州儀器、意法半導體和 Microchip 的微控制器系列。幾乎所有制造商都提供了應用說明,并介紹了如何校準其 MCU 的內部振蕩器。
使用內部振蕩器有很多好處,你可能真的不需要外部晶體或陶瓷振蕩器。除了有些關鍵應用需要非常精確的時序,例如串行端口、定時器和 USB 接口。即使對于這些應用中的大多數,如果你對其進行微調,內部振蕩器也可能滿足嚴格的時序要求。

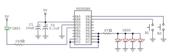
NXP 的 9S08SH8 微控制器的 GPIO 應用。注意沒有外部振蕩器。
內部振蕩器的優點
內部振蕩器無處不在是有原因的。以下是它們的一些好處:
1.它們需要更少的外部組件。不再需要外部振蕩器電路或其反饋電路。這會對預算、PCB 面積和成品小工具的整體尺寸有著重要幫助。
2. 他們留下一兩個引腳可用于 I/O。 大多數具有低引腳數的 MCU 會為每個引腳分配多個功能,供用戶選擇其用途。因此,如果你選擇在 MCU 中使用內部振蕩器,你將釋放時鐘輸入引腳,或者釋放晶體或陶瓷諧振器所在的兩個引腳。

ATmega328 MCU 的 DIP28 引腳,Arduino Uno 的核心。引腳 9 和 10 用于晶體諧振器,或者分別用于 GPIO 引腳 PB6 和 PB7
3.它們在IC內部保持高頻。 盡管一些微控制器在低于 100kHz 的低頻下使用晶體或陶瓷諧振器,但使用 10MHz 或以上的外部振蕩器更為常見。這種高時鐘頻率幾乎總是由 CPU 獨占使用,并在 MCU 內部對其外圍模塊(ADC、UART、SPI、USB、GPIO 等)進行預分頻。
在某些 PCB 中,芯片外部存在高頻可能是一個問題,因此將高頻保持在內部通常是一個好做法。
內部振蕩器的缺點
內部振蕩器由集成電路內部的電阻和電容組成。因為這些器件有一定的工藝水平差異,所以兩個相同的微控制器芯片的內部振蕩器頻率會有差異。
想要了解多RC振蕩器信息,可以找一些關于施密特觸發器振蕩器工作原理的資料文章。
除了準確地獲得芯片內的電阻和電容的預期值(精度),以及獲得所有芯片的完全相同的值(可重復性)之外,還有溫度問題。事實證明,電容和電阻都會隨溫度發生輕微變化,這對于內部振蕩器尤其重要。因此,你不僅要考慮不同芯片的工作頻率略有不同,而且還要擔心它們的頻率會隨溫度變化。
如果你的環境溫度不會發生顯著變化,那么一旦校準了內部振蕩器,你就不必擔心它。但是,如果預計溫度會發生顯著變化并且你的系統對頻率變化非常敏感(如實時時鐘或高速通信系統),那么外部振蕩器是更好的選擇。
如果 RC 振蕩器如此糟糕,為什么制造商不在 MCU 中嵌入晶體或陶瓷振蕩器?
IC 制造工藝在可以小型化的材料非常有限,正如你可能猜想的那樣,石英和陶瓷不在其中。
RC振蕩器并沒有那么糟糕。事實上,現代MCU用戶指南報告的內部振蕩器頻率精度通常低于±10%,可以微調到±0.5%以下。你可以不耗費心思去微調內部振蕩器。
結論
盡管晶體和陶瓷振蕩器因其準確性和穩定性而非常可靠,但 RC 振蕩器對于許多要求不高的應用來說還是相當不錯的,并且還會有一些額外的好處。
另一方面,RC 振蕩器并不完美,因此你必須評估你的應用,以便能夠判斷何時使用內部振蕩器,何時使用晶體或陶瓷振蕩器更好。
免責聲明:本文為轉載文章,轉載此文目的在于傳遞更多信息,版權歸原作者所有。本文所用視頻、圖片、文字如涉及作品版權問題,請聯系小編進行處理。
推薦閱讀:



