- 電荷泵的基本原理
- 脈沖頻率調制(PFM)方案
- 電容具有等效串聯阻抗(ESR)和等效串聯電感(ESL)
- 利用更多的開關和電容可以實現更多的電壓轉換
白光LED通常由一個恒定直流電流源驅動,以保持恒定的亮度。在采用單顆鋰離子電池供電的便攜式應用中,白光LED以及電流源上的電壓降之總和可以比電池電壓更高或更低,這意味著白光LED某些時候需要對電池電壓進行升壓。完成這樣應用的最好辦法是使用升壓DC-DC轉換器。這種方法可以大大地優化效率,但代價是成本和PCB面積增加。另外一種提升電池電壓的方法是使用電荷泵,也稱為開關電容轉換器。本文將詳細地分析這種器件的工作原理。
電荷泵的基本原理
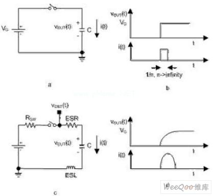
電容器是一種用來儲存電荷或電能,并在指定的時間以預設的速率將之釋放的組件。

圖1︰從一個電壓源對電容進行充電(圖a和b是理想情況,c和d是實際情況)。
如果一個理想的電容以理想的電壓源VG進行充電(見圖1a),將依據Dirac電流脈沖函數立即存儲電荷(圖1b)。存儲的總電荷數量按以下方式計算︰Q=CVG
實際的電容具有等效串聯阻抗(ESR)和等效串聯電感(ESL),兩者都不會影響到電容存儲電能的能力。然而,它們對開關電容電壓轉換器的整體轉換效率有很大的影響。實際電容充電的等效電路如(圖1c)所示,其中RSW是開關的電阻。充電電流路徑具有串行電感,通過適當的器件布局設計可以降低這個串行電感。
一旦電路被加電,將產生指數特性的瞬態條件,直到達到一個穩態條件為止。電容的寄生效應限制峰值充電電流,并增加電荷轉移時間(圖1d)。因此電容的電荷累積不能立即完成,這意味著電容兩端的初始電壓變化為零。電荷泵就利用了這種電容特性,如(圖2a)所示。

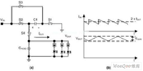
圖2︰a.電荷泵電路,b.相關的波形。
[page]
電壓變換在兩個階段內實現。在第一個階段期間,開關S1和S2關閉,開關S3和S4打開,而C1被充到輸入電壓:

在第二個階段,開關S3和S4關閉,而S1和S2打開。因為電容兩端的電壓降不能立即改變,輸出電壓突變到輸入電壓值的兩倍︰

使用這種方法可以實現電壓的倍壓。開關訊號的工作周期通常為50%,這通常能產生最佳的電荷轉移效率。以下讓我們更詳細地了解電荷轉移過程以及開關電容轉換器寄生效應如何影響其工作。(圖2b)中顯示了開關電容電壓倍壓器的穩態電流和電壓波形。根據功率守恒的原理,平均的輸入電流是輸出電流的兩倍。
在第一階段,充電電流流入到C1。該充電電流的初始值決定于電容C1兩端的初始電壓、C1的ESR以及開關的電阻。在C1充電后,充電電流呈指數級地降低。充電時間常數是開關周期的幾倍,更小的充電時間常數將導致峰值電流增加。在這個時間內,輸出電容CHOLD提供負載電流線性放電的電量,放電量等于:

在第二階段,C1+連接到輸出,放電電流(電流大小與前面的充電電流相同)通過C1流到負載。在這個階段,輸出電容電流的變化大約為2IOUT。盡管這個電流變化應該能產生一個輸出電壓變化為2IOUTESRC_HOLD,使用低ESR的陶瓷電容使得這種變化可以忽略不計。此時,CHOLD按下面的電量線性電位充電︰

當C1連接到輸入和接地之間時,CHOLD依照以下的電量線性電位放電︰

以下等式計算出輸出漣波峰對峰電壓值的總數︰

更高的開關頻率可以采用更小的輸出電容來獲得相同的紋波。
[page]
電荷泵的寄生效應導致輸出電壓隨著負載電流的增加而下降。事實上,總是存在2IOUT的RMS電流流過C1和兩個開關(2Rsw),導致產生以下的功耗︰

除了這些純粹的電阻損耗,IOUT的RMS電流流過開關電容C1的等效電阻,產生的功耗為總之,因為陶瓷電容低的ESR以及高的開關頻率,輸出漣波以及輸出電壓降取決于開關電阻。
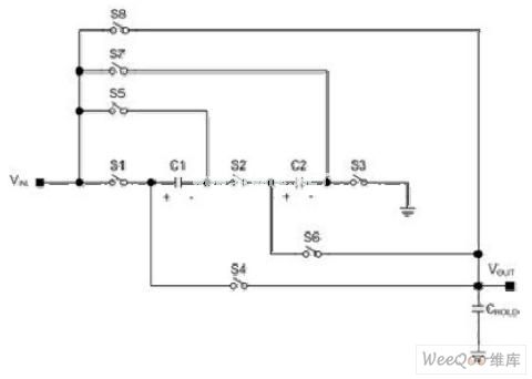
利用更多的開關和電容可以實現更多的電壓轉換。(圖3)展示了使用電容的這個特性的電路。

圖3︰具有1倍和1.5倍增益的開關電容電路。
同樣的,電壓轉換在兩個階段內完成。在第一個階段,開關S1到S3關閉,而開關S4到S8打開。因此C1和C2并聯,假設C1等于C2,則充電到一半的輸入電壓︰

輸出電容CHOLD提供輸出負載電流。隨著這個電容的放電,輸出電壓降低到期望的輸出電壓以下,第二個階段是被激活來將輸出電壓增高到這個值以上。在第二階段,C1和C2并聯,連接在VIN和VOUT之間。開關S4到S7關閉,而S1到S3和S8打開。因為電容兩端的電壓降并不能突變,輸出電壓跳變到輸入電壓值的1.5倍︰

電壓升壓是通過以下的模式完成︰通過關閉S8并保持S1到S7打開,電壓轉換可以獲得1倍的增益。
脈沖頻率調制(PFM)方案
圖4介紹了一種簡化的脈沖頻率調制(PFM)調壓方案,該方案利用了多個增益。

圖4︰開關電容電壓調節器框圖。
下調的輸出電壓通過PUMP/SKIP比較器與1.2V的電壓基準比較。PUMP/SKIP比較器輸出電壓在啟動時線性上升,提供軟啟動功能。當輸出電壓超過期望的極限,器件不會開啟,消耗的電源電流將很小。在這種空閑狀態的期間,輸出電容CHOLD提供輸出負載電流。隨著這個電容不斷放電以及輸出電壓降低到期望的輸出電壓以下,電荷泵被激活直到輸出電壓再次達到高于這個值。
在輕負載下,PFM調節架構的主要優勢是很明顯的。通常通過輸出電容提供負載電能。電源電流非常低,輸出電容只需要偶爾通過電荷泵進行再次充電。
總之,調壓電荷泵在一個寬的輸入范圍內不能維持高的效率,因為輸入-輸出電流比根據基本的電壓轉換進行調節,任何比輸入電壓乘以電荷泵增益所得的值更低的輸出電壓將導致轉換器內額外的功耗,并且效率會成比例地降低。

轉換器根據輸入/輸出比例改變增益的能力允許在整個輸入電壓范圍內完成最優秀的效率。理想的情況是,增益應該是線性式變化。現實中,給予固定的電容和開關數量,只可能達到有限的增益配置。[page]
在圖4中,輸入電壓被調節,并被饋入到三個比較器的正向結點。比較器的所有反向結點連接到輸出電壓。根據輸入/輸出電壓比,比較器的輸出提供帶有一個3位字的增益控制電路,增益控制電路用于選擇最小的增益G,這樣就可以獲得期望的電壓轉換。然而,在白光LED應用中,選擇正確的增益G不僅僅根據輸入和輸出電壓。

圖5:這個開關電容器白光LED驅動器可用于四個LED
圖5是利用可適性電荷泵提升電壓的發光二極管驅動器,增益可達一及一點五倍。電荷泵的輸入端連接VIN接腳,而輸出端則連接VOUT接腳。VOUT的電壓會通過調節,穩定在VREG這個恒定的水平。對于采用共陽極配置的LED,每個LED的輸入電流都可利用內部電流源加以控制,其峰值驅動電流可通過外置電阻(RSET)加以設定。

這個計算方法正確與否取決于以下的先決條件:亦即VOUT-VLED的數值必須大至足以使信道組件不會出現飽和現象。事實上,若要為發光二極管提供所需的恒定電流,電流源的電壓必須有最低的規定,而這個最低的電壓稱為上限電壓(VHR),其數值會隨著RHR電阻的變動而改變:

電荷泵必須不斷轉換適用的增益倍數,以確保電流恒定,決定采用哪一增益倍數的考慮因素包括發光二極管的正向壓降、電流源的電壓以及輸入電壓(參考圖5)。因此即使輸入電壓范圍極為廣泛,電荷泵仍能以最有效率的一倍增益作業,以減少電池的耗電量。
使用開關電容比基于電感的開關方法具有某些優勢,其中一個明顯的優勢就是消除了電感以及相關的電磁設計問題。開關電容轉換器通常具有相對低的噪音和最小的輻射EMI。此外,應用電路很簡單,只需要幾個小電容。因為在沒有電感的情況下,最后的PCB器件高度通常比同等的開關轉換器更小。