中心議題:
- 大功率LED頻閃光源驅動解析
解決方案:
- 大功率LED頻閃光源的特點分析
- 大功率LED 頻閃燈驅動電路的結構分析
對于高速運動的物體,我們無法清楚地觀察其中間的運動過程(如在物理實驗中的自由落體、平拋和小車的快速水平運動等等) 。為了解物體運動的整個過程,通常需要高頻率的頻閃閃光燈作光源。由于這種頻閃光源可以快速連續發出短暫閃光,而且發光的時間間隔是相等的,所以在一張照片上采用連續曝光的方式,就可以拍攝到高速運動物體的運動軌跡(如圖1 所示) 。對于勻速或周期運動的物體,當調節頻閃光源的閃動頻率,使其與被測物的轉動或運動速度接近或同步時,被測物雖然高速運動著,但看上去卻是緩慢運動或相對靜止。頻閃光源可以利用視覺的暫留作用,觀測到高速運動物體的表面質量與運行狀況。由頻閃光源為主體構成的閃光測速儀,可用于機電設備中旋轉物體轉速和周期性振動頻率等的測量。因為它采用頻閃閃光燈測速,不直接接觸被測物體,不會影響到物體的運動狀態,所以它是一種較為理想的測量工具。

圖1 自由落體和平拋物體的運動軌跡
傳統的頻閃光源體積大、價格高、閃光管老化快,使用操作過程也很復雜。如果采用大功率LED(LightEmitting Diode 發光二極管) 取代汞燈頻閃光源,則可以大大縮小光源的體積,不但能夠延長數倍壽命,而且價格僅是傳統的頻閃光源的幾十分之一。它還可以與照相機直接連接,利用數碼相機并配合視頻投影系統進行現場演示,使用十分方便。[page]
1、頻閃光源的特點
頻閃光源是一種特殊光源。由于光源在工作時發出的是高頻率、連續的閃光,所以對光源的響應速度、照度及發光間隔等參數都有較高的要求。
1.1、光源的響應時間應足夠短
連續拍攝高速運動的物體時,光源每發光一次,數碼照相機的CCD(類似光學相機的膠片) 也曝光一次。單位時間內光源的連續閃光速度越快,每秒拍攝到的動作越多。所以要得到物體較好的運動軌跡,必須保證光源有較快的閃光速度。如拍攝小球的自由落體運動,若小球的高度為115m ,由h =12gt^2求得下落時間是0155s。為了拍攝出清楚的運動軌跡,曝光應為10 次以上,這就要求光源每秒約閃亮20 次(連拍速度20 幀P秒) 。

圖2 LED 響應時間曲線圖
響應時間從使用角度來看,就是LED 點亮與熄滅所延遲的時間,即圖2 中的tr 、tf (圖中t0 值很小,可以忽略) 。LED 的上升時間tr 是指從接通電源、使發光亮度達到正常的10 %開始,一直到發光亮度達到正常值的90 %所經歷的時間。LED 的下降時間tf是指從正常發光減弱至原來的10 %所經歷的時間。不同材料的LED 響應時間也有一定的差異,如GaAs、GaAsP、GaAlAs 其響應時間小于 10^(-9)s ,GaP 則為10^(-7) s。
而通過調整LED 的驅動電路,還可以改變控制脈沖的寬度,使LED 的發光時間得到控制。因此它們可用在10~100MHz 高頻系統,完全可以滿足拍攝高速運動物體軌跡的需要。
另外, 數碼相機也有連拍功能( continuousshooting) ,但由于數碼相機拍攝要經過光電轉換及媒體記錄等過程,其中無論轉換還是記錄都需要花費時間,特別是記錄花費的時間較多,因此所有數碼相機的連拍速度都不會很快。目前的數碼相機中,最快的連拍速度為7 幀P秒,離20 幀P秒還有很大差距。所以利用數碼相機的連拍功能還不能很好地拍攝高速運動物體的運動軌跡。[page]
1.2、光源的照度應足夠大
小功率LED 的額定電流為20mA ,額定電流大于20mA 的都可以算作大功率LED。一般的功率數有:015W、1W、2W、5W、8W、10W等。大功率LED 的光通量單位為lm(流明) 。通常閃光測速儀中使用的汞燈功率為20W,一般教學用頻閃光源也是使用兩個20W汞燈作為照明光源。大功率LED 的發光效率遠遠高于汞燈,目前,大功率LED 的光效已經超過110 lmPW,而低壓汞燈約為60 lmPW。而且LED 響應速度也比汞燈快得多,瞬間就可以達到很高亮度,更適合作頻閃光源。實踐證明,兩個8W的LED 的照度,完全可以滿足閃光測速儀和自由落體等物理實驗的拍攝需要。
2、大功率LED 頻閃光源
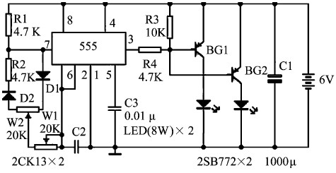
用555 時基電路可組成各種形式的自激式多諧振蕩器。大功率LED 頻閃光源,主要由1 個555 多諧振蕩器構成的信號發生器、1 個功率放大器和2 個LED 組成。信號發生器的作用是產生所需要的工作頻率脈沖,并且振蕩頻率可以根據需要調整。功率放大器將脈沖信號放大后,驅動大功率LED 發光。改變信號發生器的振蕩頻率,可使光源的頻閃時間間隔隨之變化;過增、減LED 個數或更換不同功率的LED ,可以改變光源的總亮度。如圖3 所示,電路中的555 多諧振蕩器電路,既可以調節振蕩頻率,又可以調整振蕩脈沖的占空比。信號發生器的振蕩頻率就是LED 閃光的頻率,可以根據拍攝對象調整。而振蕩脈沖的占空比,決定了LED 每次頻閃的延續時間。

圖3 大功率LED 頻閃燈驅動電路[page]
為了能連續調節占空比并能調節振蕩頻率,在555 的第6 腳和第7 腳之間接有W1、W2、R2、D1 和D2 組成的調節網絡。對C2 充電時,電流是通過R1、D1、W2、和W1 ,放電時,通過W1、W2、D2 和R2。當R1 = R2 ,W2 調到中心點或不用W2 時,因充放電時間基本相等,其占空比約為50 % ,此時調節W1 僅改變頻率,占空比不變。如W2 調節到偏離中心點,再調節W1 ,不僅振蕩頻率改變了,而且對占空比也有影響。W1 不變,調節W2 時,僅可改變占空比,而對頻率無影響。因此,使用電路時,應首先調節W1 ,使頻率至規定值,再調節W2 以獲得合適的占空比。
大功率LED 構成的頻閃光源非常小巧,如兩個8W的LED 構成的光源,體積只有照相用閃光燈大小,完全可以和數碼照相機連為一體使用,用于教學演示實驗十分方便。這樣的光源完全可以滿足一般教學需要,如自由落體、平拋等運動圖像的拍攝,以及觀測高速運動物體的表面質量與運行狀況。大功率LED 作為照明光源,必須注入足夠的電功率。LED 芯片的溫升不能過高,如果管芯結溫超過標準限定值,將導致不可恢復性光強衰減。因此,使用時要有足夠的散熱措施,盡量使LED 保持良好的工作狀態。由于其成品對密封性要求不高,可與外界空氣環境直接發生對流,并采用帶鰭片的鋁材或銅材散熱片,保證散熱片溫度不超過60 ℃。
結論:
大功率LED 頻閃光源配合數碼相機,每秒可以拍攝20 幀以上的畫面,完全可以描述一般運動物體的軌跡。用LED 頻閃光源測量旋轉物體轉速的范圍也很寬,可達300~20 000rPmin ,測速精度為012 級。它還可以觀測高速運動物體(轉動、振動) 的表面質量與運行狀況。總之,由LED 組成的頻閃光源,在功能上可以完全取代汞燈頻閃光源;并且,由于LED 頻閃光源的體積小,耗電少,不必連接交流電源,更容易攜帶,所以它的應用前景更為廣闊。相信在不久的將來,這類照明系統能在更多領域獲得廣泛應用。





