【導讀】近年,電視機顯示屏已經逐步從CCFL時代過渡到LED時代。顯示屏日益大型化,LED背光驅動技術也是不斷發展。本文將從傳統升壓型LED驅動以及降壓型LED驅動分別進行講解,教大家一步步做好大尺寸LED屏的背光驅動設計。
傳統升壓型LED驅動
傳統的LED驅動采用升壓型Boost電路,簡化電路形式如圖1所示。

圖1:傳統升壓型LED驅動
升壓型的LED背光驅動,其輸入電壓VIN低于LED Light Bar的管壓VF,通過V1、L1、D1進行升壓,LED定電流和電流平衡控制模塊實現電流控制。
圖1中,多路的LED Light Bar存在一個VFmax (VF最大值),每路VF電壓與VFmax的電壓差為△VF =(VFmax-VF)。如流過每條LED Light Bar的電流設定為ILED的話,則每路的功率損耗P=△VF×ILED。該損耗最終加在LED定電流和電流平衡控制模塊上,產生發熱,整個驅動電路能效降低,造成能源浪費。
解決該問題可以有兩種方法:
1、LED Light Bar廠家控制每條Light Bar的VF電壓,保證VF電壓的一致性,減小△VF,也就是需要篩選單顆LED,嚴格控制VF范圍。
2、改變LED驅動電路形式,驅動技術進行創新,采用降壓型的開關電路。
降壓型LED驅動工作原理
降壓型LED驅動采用降壓型開關電路,簡化的電路形式如圖2所示。

圖2:降壓型LED驅動電路
輸入電壓VIN高于燈條的VF電壓,通過開關管、電感、續流二極管進行降壓,LED定電流和電流平衡控制模塊實現電流控制。
為了減小流過LED的紋波電流,電感電流一般工作在電流連續模式,電感的電流波形如下圖3所示

圖3:電感的電流波形

圖4:降壓型LED驅動工作原理
動作原理如下:當開關管導通時,電路簡化為圖4,開關管從t0時刻導通,到t1時刻截止,t0~t1時間為TON時間。在TON時間,電感電流iL電流變化為△iL,
VIN-VO=L(diL/dt)=L(△iL/△t)= L(△iL/TON) (1)
[page]
當開關管關斷時,電路簡化為圖五,開關管從t1時刻截止,到t2時刻導通,t1~t2時間為TOFF時間。在TOFF時間,電感電流iL電流變化為-△iL,此時電感L上的電壓為(忽略續流二極管的壓降)
- VO = L(diL/dt)=L(-△iL/△t)=- L(△iL/TOFF) (2)
TON + TOFF=T (3)
VIN電壓已知,燈條的電壓VO和電流也已知,設定iL電流的△iL,可以為10%~30%的iL,考慮到開關損耗,一般開關頻率f可設定在50~200K。
因此根據公式(1)、(2)和(3),可以計算出電感L的感量。
如果覺得電感L太大,可以適當增加△iL或者適當提高開關頻率f 。
OZ9906 應用設計
Micro O2公司的OZ9906內部集成開關型的Buck控制電路,最多可以驅動六路LED Light Bar,6路燈條可以單獨進行電流控制,主要應用于大尺寸屏幕的LED背光驅動。典型的應用電路如圖6所示。

圖6:OZ9906 應用設計
O Z9906控制IC,由于六路LED Light Bar的Buck電路單獨控制,因此固有存在的VF電壓差異性的問題得到了解決,不再產生額外的功率損耗,提升了轉換效率。
以奇美公司的58寸LED顯示屏進行實例設計。該屏背光由五條LightBar組成,Light Bar的規格參數為:電流典型值IF=170mA,正向電壓典型值VF=148V,VFmax值=163V。
O Z9906最多可支持六條LightBar,在五條LightBar的應用場合下,把PIN20的ISEN6用電阻上拉到VREF電壓,即可禁止ISEN6功能,只啟用其他五路電流控制電路。

圖7:O Z9906最多可支持六條LightBar
1、系統框圖
電視顯示系統包括電源板、主板、背光驅動板等, 電源板提供VLED、12V給背光板,主板提供背光控制信號BL_ON和調光PWM信號給背光板。背光驅動ICOZ9906 檢測PANEL內部五條燈條的流過的電流,進行定電流和電流平衡控制,點亮背光系統。
2、IC內部框圖
IC內部框圖請見圖8。

圖8:IC內部框圖
IC內部框圖主要包括IC供電模塊、亮度調節控制模塊、開關頻率設置模塊、異常狀態保護模塊、LED燈條定電流模塊和Buck驅動控制模塊。
3、電原理圖
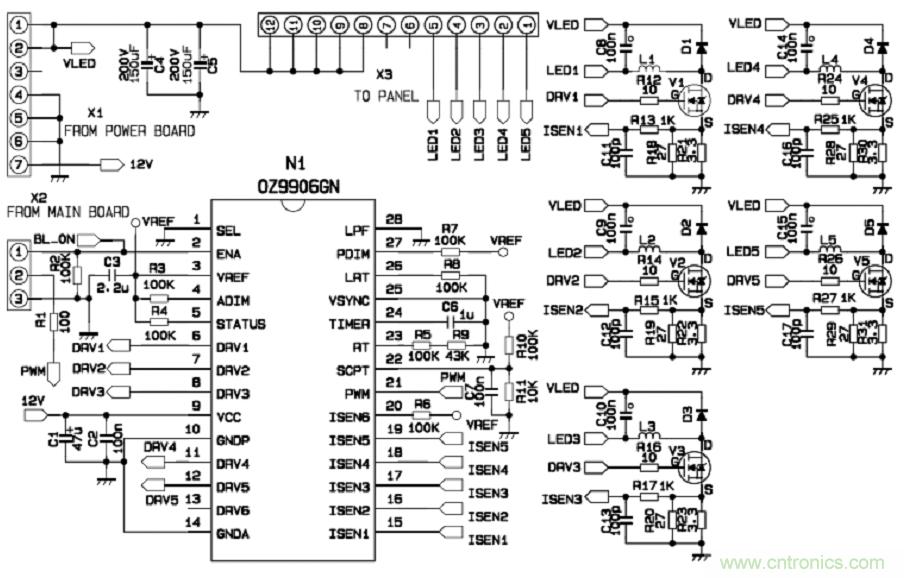
背光驅動板控制器IC 采用OZ9906GN,電原理圖請見圖9。

圖9:背光驅動板控制器IC電原理圖
電源板通過插座X1提供VLED和12V給背光驅動板,主板通過插座X2提供背光開關信號BL_ON和調光PWM信號給背光驅動板,背光驅動板通過插座X3控制燈條電壓/電流,點
亮顯示屏。
[page]
4、設計步驟
設計步驟一:設置燈條電流
電流檢測RSENSE 電阻阻值。在PIN4ADIM 的電壓大于2.5 V 時, ILED(mA)=500/RSENSE,已知ILED= 170mA,因此RSENSE=500/170=2.94Ω
設計步驟二:設置控制器的開關頻率f
由于ILED 電流較小, 可以選擇小電流的開關MOSFET。小電流MOSFET的Ciss結電容一般會較小,容易驅動,因此開關頻率可以適用提高,設置在150kHz。
f(kHz)=21500/RT(kΩ)
因此, RT = 21500/f(kHz)=21500/150=143kΩ。
設計步驟三:Buck線路中L電感量計算
燈條的電壓/ 電流為163 V/170mA,因此i L電流為170 mA,VLED需要高于163V,設定為175V;設定iL電流的△iL為20%的iL,△iL=170mA×20%=34mA,開關頻率在步驟2已經設定為150kHz。
根據:
VIN-VO=L(△iL/TON)→175-163=L(0.034A/TON)→TON =0.034L/12
VO=L(△iL/TOFF)→163=L(0.034A/TOFF)→TOFF=0.034L/163
Ton+Toff=T→Ton+Toff=6.67μS→Ton+ Toff=6.67μS
因此,(0.034L/12+0.034L/163)=6.67 uS→L=2.19mH。
電感L的感量可以根據電感的工藝制作情況和實際電路的動作波形進行微調。
設計步驟四:Buck線路中開關MOSFET、續流二極管選型
輸入VLED電壓設置在175 V ,考慮開關波形的尖峰和設計余量,MOSFET和續流二極管耐壓選擇250 V 規格; 流過電感的iL 電流為170mA , △iL 設定為34mA ,MOSFET、續流二極管電流選擇1A規格即可。MOSFET可以選用力杰公司的EMBJON25Q(250V/1A),二極管可以選用PANJIT公司的ES1E(300V/1A)。
設計步驟五:設置保護動作的延時時間
為了避免保護電路誤觸發,可以通過PIN24 Timer外接電容設定保護動作的延時時間,當Timer的電壓達到閥值電壓3V時,保護動作觸發。
延時時間TTIMER(S)=CTIMER(μF)一般設定延時時間為1?2s。
5、實測波形
實測其中一路的波形, 電感L上流過的電流(通道1,深藍色)、MOSFET的開關波形(通道2,淺綠色)、燈條電流波形(通道3,紅色)如圖10所示。可知,MOSFET的開關頻率為146.8k H z,燈條電流164.9m A,達到設計目的,顯示屏正常點亮。

圖10:實測波形
總結
在多路LED Light Bar應用場合,降壓型LED驅動電路能夠很好地解決多路LED Light Bar固有存在的VF電壓差問題,提高轉換效率。Micro O2公司的OZ9906內部集成了六路開關型的Buck控制電路和電流平衡電路,外圍電路簡單,設置方便,為大屏幕LED背光驅動提供了很好的解決方案。
相關閱讀:
LED車燈驅動電路設計
http://m.shuilikongzhifa.com/power-art/80018719
LED照明驅動器的設計要點分析
http://m.shuilikongzhifa.com/power-art/80019420
LED驅動電源的應用及問題解析
http://m.shuilikongzhifa.com/opto-art/80020733
如何根據應用選擇LED驅動?
http://m.shuilikongzhifa.com/opto-art/80019597





