中心論題:
- 深入了解IGBT的柵極特性,對設計模塊的驅動保護技術是十分重要的
- 柵極串聯電阻和驅動電路內阻抗對IGBT的開通過程影響較大,對驅動脈沖的波形也有影響
- IGBT驅動電路必須具備控制電路-柵極的電隔離和提供合適的柵極驅動脈沖的功能
- 采用慢降壓柵技術實現IGBT的過流保護電路
解決方案:
- 設計時應讓柵極電路的阻抗足夠低以盡量消除集電極-柵極寄生電容密勒效應的負面影響
- 設計時綜合考慮柵極串聯電阻和驅動電路內阻抗對IGBT的開通過程及驅動脈沖的波形的影響
- 采用慢降柵壓技術來控制故障電流的下降速率,達到短路保護的目的。
- 盡量減小主電路的布線電感,采用低感型吸收電容器以減小關斷過電壓
引言
IGBT是MOSFET與雙極晶體管的復合器件。它既有MOSFET易驅動的特點,又具有功率晶體管電壓、電流容量大等優點。其頻率特性介于MOSFET與功率晶體管之間,可正常工作于幾十kHz頻率范圍內,故在較高頻率的大、中功率應用中占據了主導地位。
IGBT是電壓控制型器件,在它的柵極-發射極間施加十幾V的直流電壓,只有μA級的漏電流流過,基本上不消耗功率。但IGBT的柵極-發射極間存在著較大的寄生電容(幾千至上萬pF),在驅動脈沖電壓的上升及下降沿需要提供數A的充放電電流,才能滿足開通和關斷的動態要求,這使得它的驅動電路也必須輸出一定的峰值電流。
IGBT作為一種大功率的復合器件,存在著過流時可能發生鎖定現象而造成損壞的問題。在過流時如采用一般的速度封鎖柵極電壓,過高的電流變化率會引起過電壓,為此需要采用軟關斷技術,因而掌握好IGBT的驅動和保護特性是十分必要的。
柵極特性
IGBT的柵極通過一層氧化膜與發射極實現電隔離。由于此氧化膜很薄,其擊穿電壓一般只能達到20~30V,因此柵極擊穿是IGBT失效的常見原因之一。在應用中有時雖然保證了柵極驅動電壓沒有超過柵極最大額定電壓,但柵極連線的寄生電感和柵極-集電極間的電容耦合,也會產生使氧化層損壞的振蕩電壓。為此。通常采用絞線來傳送驅動信號,以減小寄生電感。在柵極連線中串聯小電阻也可以抑制振蕩電壓。
由于IGBT的柵極-發射極和柵極-集電極間存在著分布電容Cge和Cgc,以及發射極驅動電路中存在有分布電感Le,這些分布參數的影響,使得IGBT的實際驅動波形與理想驅動波形不完全相同,并產生了不利于IGBT開通和關斷的因素。這可以用帶續流二極管的電感負載電路(見圖1)得到驗證。

圖1 IGBT開關等效電路和開通波形
在t0時刻,柵極驅動電壓開始上升,此時影響柵極電壓uge上升斜率的主要因素只有Rg和Cge,柵極電壓上升較快。在t1時刻達到IGBT的柵極門檻值,集電極電流開始上升。從此時開始有2個原因導致uge波形偏離原有的軌跡。
首先,發射極電路中的分布電感Le上的感應電壓隨著集電極電流ic的增加而加大,從而削弱了柵極驅動電壓,并且降低了柵極-發射極間的uge的上升率,減緩了集電極電流的增長。
其次,另一個影響柵極驅動電路電壓的因素是柵極-集電極電容Cgc的密勒效應。t2時刻,集電極電流達到最大值,進而柵極-集電極間電容Cgc開始放電,在驅動電路中增加了Cgc的容性電流,使得在驅動電路內阻抗上的壓降增加,也削弱了柵極驅動電壓。顯然,柵極驅動電路的阻抗越低,這種效應越弱,此效應一直維持到t3時刻,uce降到零為止。它的影響同樣減緩了IGBT的開通過程。在t3時刻后,ic達到穩態值,影響柵極電壓uge的因素消失后,uge以較快的上升率達到最大值。
由圖1波形可看出,由于Le和Cgc的存在,在IGBT的實際運行中uge的上升速率減緩了許多,這種阻礙驅動電壓上升的效應,表現為對集電極電流上升及開通過程的阻礙。為了減緩此效應,應使IGBT模塊的Le和Cgc及柵極驅動電路的內阻盡量小,以獲得較快的開通速度。
IGBT關斷時的波形如圖2所示。t0時刻柵極驅動電壓開始下降,在t1時刻達到剛能維持集電極正常工作電流的水平,IGBT進入線性工作區,uce開始上升,此時,柵極-集電極間電容Cgc的密勒效應支配著uce的上升,因Cgc耦合充電作用,uge在t1-t2期間基本不變,在t2時刻uge和ic開始以柵極-發射極間固有阻抗所決定的速度下降,在t3時,uge及ic均降為零,關斷結束。

圖2 IGBT關斷時的波形
由圖2可看出,由于電容Cgc的存在,使得IGBT的關斷過程也延長了許多。為了減小此影響,一方面應選擇Cgc較小的IGBT器件;另一方面應減小驅動電路的內阻抗,使流入Cgc的充電電流增加,加快了uce的上升速度。
在實際應用中,IGBT的uge幅值也影響著飽和導通壓降:uge增加,飽和導通電壓將減小。由于飽和導通電壓是IGBT發熱的主要原因之一,因此必須盡量減小。通常uge為15~18V,若過高,容易造成柵極擊穿。一般取15V。IGBT關斷時給其柵極-發射極加一定的負偏壓有利于提高IGBT的抗騷擾能力,通常取5~10V。
柵極串聯電阻對柵極驅動波形的影響
柵極驅動電壓的上升、下降速率對IGBT開通關斷過程有著較大的影響。IGBT的MOS溝道受柵極電壓的直接控制,而MOSFET部分的漏極電流控制著雙極部分的柵極電流,使得IGBT的開通特性主要決定于它的MOSFET部分,所以IGBT的開通受柵極驅動波形的影響較大。IGBT的關斷特性主要取決于內部少子的復合速率,少子的復合受MOSFET的關斷影響,所以柵極驅動對IGBT的關斷也有影響。
在高頻應用時,驅動電壓的上升、下降速率應快一些,以提高IGBT開關速率降低損耗。
在正常狀態下IGBT開通越快,損耗越小。但在開通過程中如有續流二極管的反向恢復電流和吸收電容的放電電流,則開通越快,IGBT承受的峰值電流越大,越容易導致IGBT損害。此時應降低柵極驅動電壓的上升速率,即增加柵極串聯電阻的阻值,抑制該電流的峰值。其代價是較大的開通損耗。利用此技術,開通過程的電流峰值可以控制在任意值。
由以上分析可知,柵極串聯電阻和驅動電路內阻抗對IGBT的開通過程影響較大,而對關斷過程影響小一些,串聯電阻小有利于加快關斷速率,減小關斷損耗,但過小會造成di/dt過大,產生較大的集電極電壓尖峰。因此對串聯電阻要根據具體設計要求進行全面綜合的考慮。
柵極電阻對驅動脈沖的波形也有影響。電阻值過小時會造成脈沖振蕩,過大時脈沖波形的前后沿會發生延遲和變緩。IGBT的柵極輸入電容Cge隨著其額定電流容量的增加而增大。為了保持相同的驅動脈沖前后沿速率,對于電流容量大的IGBT器件,應提供較大的前后沿充電電流。為此,柵極串聯電阻的電阻值應隨著IGBT電流容量的增加而減小。
IGBT的驅動電路
IGBT的驅動電路必須具備2個功能:
1. 是實現控制電路與被驅動IGBT柵極的電隔離;
2. 是提供合適的柵極驅動脈沖。實現電隔離可采用脈沖變壓器、微分變壓器及光電耦合器。

圖3 由分立元器件構成的IGBT驅動電路
圖3為采用光耦合器等分立元器件構成的IGBT驅動電路。當輸入控制信號時,光耦VLC導通,晶體管V2截止,V3導通輸出+15V驅動電壓。當輸入控制信號為零時,VLC截止,V2、V4導通,輸出-10V電壓。+15V和-10V電源需靠近驅動電路,驅動電路輸出端及電源地端至IGBT柵極和發射極的引線應采用雙絞線,長度最好不超過0.5m。

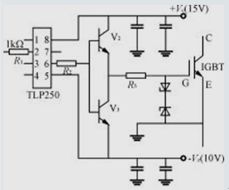
圖4 由集成電路TLP250構成的驅動器
圖4為由集成電路TLP250構成的驅動器。TLP250內置光耦的隔離電壓可達2500V,上升和下降時間均小于0.5μs,輸出電流達0.5A,可直接驅動50A/1200V以內的IGBT。外加推挽放大晶體管后,可驅動電流容量更大的IGBT。TLP250構成的驅動器體積小,價格便宜,是不帶過流保護的IGBT驅動器中較理想的選擇。
IGBT的過流保護
IGBT的過流保護電路可分為2類:一類是低倍數的(1.2~1.5倍)的過載保護;一類是高倍數(可達8~10倍)的短路保護。
對于過載保護不必快速響應,可采用集中式保護,即檢測輸入端或直流環節的總電流,當此電流超過設定值后比較器翻轉,封鎖所有IGBT驅動器的輸入脈沖,使輸出電流降為零。這種過載電流保護,一旦動作后,要通過復位才能恢復正常工作。
IGBT能承受很短時間的短路電流,能承受短路電流的時間與該IGBT的導通飽和壓降有關,隨著飽和導通壓降的增加而延長。如飽和壓降小于2V的IGBT允許承受的短路時間小于5μs,而飽和壓降3V的IGBT允許承受的短路時間可達15μs,4~5V時可達30μs以上。存在以上關系是由于隨著飽和導通壓降的降低,IGBT的阻抗也降低,短路電流同時增大,短路時的功耗隨著電流的平方加大,造成承受短路的時間迅速減小。
通常采取的保護措施有軟關斷和降柵壓2種。軟關斷指在過流和短路時,直接關斷IGBT。但是,軟關斷抗騷擾能力差,一旦檢測到過流信號就關斷,很容易發生誤動作。為增加保護電路的抗騷擾能力,可在故障信號與啟動保護電路之間加一延時,不過故障電流會在這個延時內急劇上升,大大增加了功率損耗,同時還會導致器件的di/dt增大。所以往往是保護電路啟動了,器件仍然壞了。
降柵壓旨在檢測到器件過流時,馬上降低柵壓,但器件仍維持導通。降柵壓后設有固定延時,故障電流在這一延時期內被限制在一較小值,則降低了故障時器件的功耗,延長了器件抗短路的時間,而且能夠降低器件關斷時的di/dt,對器件保護十分有利。若延時后故障信號依然存在,則關斷器件,若故障信號消失,驅動電路可自動恢復正常的工作狀態,因而大大增強了抗騷擾能力。
上述降柵壓的方法只考慮了柵壓與短路電流大小的關系,而在實際過程中,降柵壓的速度也是一個重要因素,它直接決定了故障電流下降的di/dt。慢降柵壓技術就是通過限制降柵壓的速度來控制故障電流的下降速率,從而抑制器件的dv/dt和uce的峰值。圖5給出了實現慢降柵壓的具體電路。

圖5 實現慢降柵壓的電路
正常工作時,因故障檢測二極管VD1的導通,將a點的電壓鉗位在穩壓二極管VZ1的擊穿電壓以下,晶體管VT1始終保持截止狀態。V1通過驅動電阻Rg正常開通和關斷。電容C2為硬開關應用場合提供一很小的延時,使得V1開通時uce有一定的時間從高電壓降到通態壓降,而不使保護電路動作。
當電路發生過流和短路故障時,V1上的uce上升,a點電壓隨之上升,到一定值時,VZ1擊穿,VT1開通,b點電壓下降,電容C1通過電阻R1充電,電容電壓從零開始上升,當電容電壓上升到約1.4V時,晶體管VT2開通,柵極電壓uge隨電容電壓的上升而下降,通過調節C1的數值,可控制電容的充電速度,進而控制uge的下降速度;當電容電壓上升到穩壓二極管VZ2的擊穿電壓時,VZ2擊穿,uge被鉗位在一固定的數值上,慢降柵壓過程結束,同時驅動電路通過光耦輸出過流信號。如果在延時過程中,故障信號消失了,則a點電壓降低,VT1恢復截止,C1通過R2放電,d點電壓升高,VT2也恢復截止,uge上升,電路恢復正常工作狀態。
IGBT開關過程中的過電壓
關斷IGBT時,它的集電極電流的下降率較高,尤其是在短路故障的情況下,如不采取軟關斷措施,它的臨界電流下降率將達到數kA/μs。極高的電流下降率將會在主電路的分布電感上感應出較高的過電壓,導致IGBT關斷時將會使其電流電壓的運行軌跡超出它的安全工作區而損壞。所以從關斷的角度考慮,希望主電路的電感和電流下降率越小越好。但對于IGBT的開通來說,集電極電路的電感有利于抑制續流二極管的反向恢復電流和電容器充放電造成的峰值電流,能減小開通損耗,承受較高的開通電流上升率。一般情況下IGBT開關電路的集電極不需要串聯電感,其開通損耗可以通過改善柵極驅動條件來加以控制。
IGBT的關斷緩沖吸收電路
為了使IGBT關斷過電壓能得到有效的抑制并減小關斷損耗,通常都需要給IGBT主電路設置關斷緩沖吸收電路。IGBT的關斷緩沖吸收電路分為充放電型和放電阻止型。充放電型有RC吸收和RCD吸收2種。如圖6所示。

圖6 充放電型IGBT緩沖吸收電路
RC吸收電路因電容C的充電電流在電阻R上產生壓降,還會造成過沖電壓。RCD電路因用二極管旁路了電阻上的充電電流,從而克服了過沖電壓。

圖7 三種放電阻止型吸收電路
圖7是三種放電阻止型吸收電路。放電阻止型緩沖電路中吸收電容Cs的放電電壓為電源電壓,每次關斷前,Cs僅將上次關斷電壓的過沖部分能量回饋到電源,減小了吸收電路的功耗。因電容電壓在IGBT關斷時從電源電壓開始上升,它的過電壓吸收能力不如RCD型充放電型。
從吸收過電壓的能力來說,放電阻止型吸收效果稍差,但能量損耗較小。對緩沖吸收電路的要求是:
1. 盡量減小主電路的布線電感La;
2. 吸收電容應采用低感吸收電容,它的引線應盡量短,最好直接接在IGBT的端子上;
3. 吸收二極管應選用快開通和快軟恢復二極管,以免產生開通過電壓和反向恢復引起較大的振蕩過電壓。
結語
本文對IGBT的驅動和保護技術進行了詳細的分析,得出了設計時應注意幾點事項:
1. IGBT由于有集電極-柵極寄生電容的密勒效應影響,能引起意外的電壓尖峰損害,所以設計時應讓柵極電路的阻抗足夠低以盡量消除其負面影響。
2. 柵極串聯電阻和驅動電路內阻抗對IGBT的開通過程及驅動脈沖的波形都有很大影響。所以設計時應綜合考慮。
3. 應采用慢降柵壓技術來控制故障電流的下降速率,從而抑制器件的dv/dt和uce的峰值,達到短路保護的目的。
4. 在工作電流較大的情況下,為了減小關斷過電壓,應盡量減小主電路的布線電感,吸收電容器應采用低感型。



