直流脈沖對鐵芯的磁化過程類似電容器充、放電,不同之處在于當電流消失之后鐵芯中存在剩磁。經過N個直流脈沖之后,磁通密度和磁場強度以及磁矯頑力三者之間會形成一個動態平衡點,使變壓器鐵芯中的最大磁通密度Bm和剩余磁通密度Br能夠達到相對穩定。具體分析請看文中圖形。
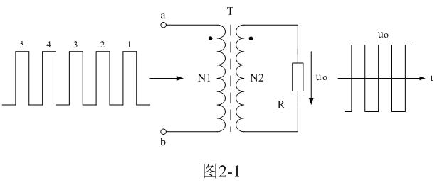
為了簡單起見,我們把單激式變壓器開關電源等效成如圖2-1所示電路,其中我們把直流輸入電壓通過控制開關通、斷的作用,看成是一序列直流脈沖電壓,即單極性脈沖電壓,直接給開關變壓器供電。這里我們特別把變壓器稱為開關變壓器,以表示圖2-1所示電路與一般電源變壓器電路在工作原理方面還有區別的。
在一般的電源變壓器電路中,當電源變壓器兩端的輸入電壓為0時,表示輸入端是短路的,因為電源內阻可以看作為0;而在開關變壓器電路中,當開關變壓器兩端的輸入電壓為0時,表示輸入端是開路的,因為電源內阻可以看作為無限大。

在圖2-1中,當一組序列號為1、2、3、…的直流脈沖電壓分別加到開關變壓器初級線圈a、b兩端時,在開關變壓器的初級線圈中就會有勵磁電流流過,同時,在開關變壓器的鐵芯中就會產生磁場,在磁場強度為H的磁場作用下又會產生磁通密度為B的磁力線通量,簡稱磁通,用“
”表示。
在變壓器鐵芯中,磁通密度B或磁通
受磁場強度H的作用而發生變化的過程,稱為磁化過程;因此,用來描述磁通密度B與磁場強度H之間對應變化的關系曲線,人們都把它稱為磁化曲線。圖2-2是單激式開關變壓器鐵芯被磁化時,磁通密度B與磁場強度H之間對應變化的關系曲線圖。
順便指出,在分析變壓器鐵芯的磁化過程中,經常使用磁通密度和磁感應強度這兩個名稱,這兩個名稱在本質上沒區別,互相可以通用,不同場合使用不同名稱,只是為了使用方便。
如果開關變壓器的鐵芯在這之前從來沒有被任何磁場磁化過,并且開關變壓器的伏秒容量足夠大,那么,當第一個直流脈沖電壓加到變壓器初級線圈a、b兩端時,在變壓器初級線圈中將有勵磁電流流過,并在變壓器鐵芯中產生磁場。
在磁場強度H的作用下,變壓器鐵芯中的磁感應強度B將會按圖2-2中0-1磁化曲線上升;當第一個直流脈沖電壓將要結束時,磁場強度達到第一個最大值Hm1,同時磁感應強度將會被磁場強度磁化到第一個最大值Bm1 ;由此產生一個磁感應強度增量ΔB,ΔB = Bm1- 0 。磁感應強度增加,表示流過變壓器初級線圈中的勵磁電流產生的磁場在對變壓器鐵芯進行充磁。[page]

當序列脈沖電壓加到開關變壓器初級線圈a、b兩端時,在變壓器鐵芯中會產生的磁場,這磁場完全是由流過變壓器初級線圈的勵磁電流產生的,流過變壓器初級線圈的勵磁電流為:

(2-8)式中,
為流過變壓器初級線圈的勵磁電流,E為加到變壓器初級線圈兩端的電壓,L1為變壓器初級線圈的電感量,t為時間,
(0)為初始電流,即t = 0時流過變壓器初級線圈的勵磁電流。
如果脈沖序列的占空系數(占空比)滿足磁化電流在后一個脈沖進入前下降為零,即開關電源工作于電流臨界連續或不連續狀態。
當第一個直流脈沖結束以后,由于開關變壓器初級線圈開路,雖然流過變壓器初級線圈中的勵磁電流下降到零,但磁場強度H不會馬上下降到零;此時,變壓器的初、次級線圈會同時產生反電動勢,由于反電動勢的作用,在變壓器的初、次級線圈回路中都會有電流流過,這種回路電流屬于感應電流,或稱感生電流。
當第一個直流脈沖結束時,如果開關變壓器初級線圈不開路,反電動勢會對輸入電壓進行反充電;如果開關變壓器初級線圈是開路的,反電動勢會對初級線圈中的分布電容進行充放電,從而會在初級線圈內部產生高頻振蕩。
由反電動勢產生的感應電流會在變壓器鐵芯中產生反向磁場,使變壓器鐵芯退磁,磁場強度H開始由第一最大值Hm1逐步下降到0;但變壓器鐵芯中的磁通密度B并不是按充磁時的0-1磁化曲線原路返回,跟隨磁場強度下降到零,而是按另一條新的磁化曲線1-2返回到2點;即:第一個剩余磁通密度Br1處。因此,人們都習慣地把磁通密度位于2點的值,稱為剩余磁通密度,或簡稱“剩磁”。變壓器鐵芯有剩磁說明變壓器鐵芯有記憶特性,這是鐵磁材料的基本特性。
[page]
磁場強度H下降到零,但變壓器鐵芯中的磁通密度不能跟隨磁場強度下降到零,而只能下降到某個磁通密度剩余值,這種現象稱為變壓器鐵芯具有磁矯頑力,簡稱矯頑力,用Hc表示。變壓器鐵芯具有磁矯頑力,這是鐵磁材料或磁性材料最基本的性質。
同理,當第二個直流脈沖加到變壓器初級線圈a、b兩端時,變壓器鐵芯中的磁通密度B將按圖2-2中新的磁化曲線2-3上升,磁通密度被磁場強度磁化到第二個最大值Bm2,使磁通密度產生一個增量ΔB,ΔB = Bm2-Br1 。
第二個直流脈沖結束以后,流過變壓器初級線圈中的勵磁電流下降到零,變壓器初、次級線圈產生的反電動勢,又會使磁通密度按另一條新的退磁化曲線3-4返回到第二個剩余磁通密度Br2處;當然,Br2同樣也只是變壓器鐵芯被退磁時磁通密度變化過程中的又一個臨時剩余值。
其余依次類推,第3、4個直流脈沖電壓同樣也會讓磁通密度增加一個增量ΔB ,即:

(2-9)式中,ΔB為磁通密度增量;只要作用于開關變壓器線圈上的脈沖電壓的幅度U和脈沖寬度τ不變,則變壓器鐵芯片的磁化過程就會在磁通密度增量為常數(?B = 常數)的條件下進行。
但在直流脈沖的幅度和寬度不變的情況下,磁通密度的增量ΔB不改變,并不意味著磁場強度的增量可以保證不變,這是磁強度度與磁場強度之間的一個重要區別。
經過n個直流脈沖電壓之后,變壓器鐵芯中的最大磁通密度Bm和剩余磁通密度Br才能基本穩定在某個數值之上,即:脈沖序列的作用達到穩定狀態后,磁化過程將沿原始曲線上某一固定局部磁滯回線n點重復;這時剩余磁通密度為Br n(Br n= Br),磁通密度變化無論磁場強度增長或降低,其ΔB值基本不變。
顯然,局部磁滯回線固定于什么位置,對某種材料來說只取決于?B值的大小。如果?B足夠大,則局部磁滯回線的最低點位于最大局部磁滯回線的剩余磁通密度點Br點處。此時Br對應每個輸入直流脈沖的起點,Bm對應每個直流脈沖的終點。
磁通密度達到最大值Bm后不再繼續增加是可以理解的,因為,磁通密度和磁場強度既可以是勢能也可以是位能,兩者可以互相轉換,它們與電容充放電的過程是很相似的。例如:當電源電壓對電容充電時,電容兩端的電壓會上升;當電源斷開的時候,電容就會對負載放電,其兩端電壓就會下降;當電容充電的電荷與放電的電荷完全相等的時候,電容兩端電壓紋波就會穩定在某個數值之上。
用?H表示磁場強度增量,它在固定局部磁滯回線上磁通密度增量?B相對應,即它們之間可用下面關系式表示:

(2-10)式稱為磁場強度增量?H與磁通密度增量?B的脈沖靜態特性關系。在直流狀態條件下,(2-10)式不成立。
磁場強度增量?H和磁通密度增量?B的對應關系還可以用下式表示:


本上都是固定的,并且是單極性脈沖,其磁滯回線的面積相對來說很小,因此,鐵芯的脈沖導磁率
幾乎可以看成是一個常數;而開關變壓器輸入脈沖電壓的幅度以及寬度都不是固定的,其磁滯回線的面積相對來說變化比較大,鐵芯導磁率的變化范圍也很大,特別是雙激式開關變壓器,因此,只能用平均導磁率
的概念來描述。
[page]
勵磁電流或磁場強度對變壓器鐵芯進行磁化時也具有類似電容器充、放電的特點:當變壓器初級線圈中的勵磁電流產生的磁場強度對變壓器鐵芯進行磁化時,磁通密度就會增加,相當于對電容器充電;當變壓器初級線圈中的勵磁電流為零時,變壓器初、次級線圈會產生反電動勢,其感應產生的電流就會產生反向磁場對變壓器鐵芯進行退磁,使磁通密度下降,與充電電容器對負載放電的情況很類似。
當變壓器鐵芯被磁化時產生的磁通密度增量與變壓器鐵芯被退磁時產生的磁通密度增量(負值)完全相等的時候,變壓器鐵芯中的最大磁通密度Bm和剩余磁通密度Br就會分別穩定在某個數值之上。
此時,我們可稱,變壓器鐵芯磁化過程已經進入了基本穩定狀態,即:每輸入一個直流脈沖電壓,變壓器鐵芯中的磁通密度都會產生一個磁通密度增量ΔB,ΔB = Bm-Br ,當直流脈沖結束以后,磁通密度又從最大值Bm回到剩余磁通密度Br的位置。這樣,我們把磁化曲線所對應的Br值稱為剩磁(或剩余磁通密度),而磁化曲線所對應的Bm值稱為磁通密度的最大值。
不過,變壓器鐵芯磁化曲線中最大磁通密度Bm以及剩余磁通密度Br的值不是一成不變的,它們會隨著輸入脈沖電壓的幅度以及脈沖寬度的改變而改變;只有在輸入脈沖電壓的幅度以及脈沖寬度基本保持不變的情況下,變壓器鐵芯磁化曲線中的最大磁通密度Bm以及剩余磁通密度Br的值才會基本保持不變。
至于要經過多少個直流脈沖電壓之后,開關變壓器鐵芯中的磁通密度才達到最大值Bm,這個與直流脈沖電壓的幅度有關,而且與直流脈沖電壓的脈沖寬度還有關,即與開關變壓器的伏秒容量大小有關。開關變壓器的伏秒容量越大,對應每個直流脈沖產生的磁通密度增量ΔB數值就越小,因此,需要直流脈沖的個數就越多;反之,變壓器的伏秒容量越小,需要直流脈沖的個數也越少。當變壓器的伏秒容量很小時,可能只需要一個直流脈沖,就可以使磁通密度達到最大值Bm ,甚至會使變壓器鐵芯出現磁飽和。
變壓器的伏秒容量對磁化曲線的影響非常大,變壓器的伏秒容量越大,對應每個直流脈沖電壓產生的磁通密度增量ΔB相對也越小,磁通密度的最大值Bm也越小;同樣一種變壓器鐵芯材料,選取不同的變壓器的伏秒容量,對應的Bm值和Br值也是不一樣的。因此,變壓器的伏秒容量對于變壓器設計是一個非常重要的參數。
如果變壓器的伏秒容量取得比較小,而加到變壓器初級線圈a、b兩端的直流脈沖電壓幅度又比較高,且脈沖寬度也比較寬,則流過變壓器初級線圈的勵磁電流將很大;此時,變壓器鐵芯中的磁通密度將很容易出現飽和。當變壓器鐵芯中的磁通密度出現飽和的時候,磁通密度B或磁通 將不會隨著磁場強度或勵磁電流的增加而增加,此時的最大磁通密度一般稱為飽和磁通密度,用Bs表示,對應的磁通密度增量用ΔBs表示。
這里還需補充說明:變壓器鐵芯充磁和退磁的過程雖然與電容器充放電的過程很相似,但還是有很大區別的。電容器充滿電后,如果電源斷開,不再對電容器繼續充電,則電容器會對負載放電,并且放電過程將會一直進行下去,直到電容器存儲的電荷全部釋放光為止;而變壓器鐵芯被磁化到磁通密度的最大值Bm后,變壓器初、次級線圈產生的反電動勢,以及其感應電流產生的反向磁場對變壓器鐵芯進行退磁,卻不能使磁通密度由最大值Bm退回到零,而只能退回到剩余磁通密度Br 。
當磁場強度H下降到零時,變壓器鐵芯中的磁通密度不能跟隨返回到零,而只能退回到剩余磁通密度Br 。這種現象稱為變壓器鐵芯具有磁矯頑力,簡稱矯頑力,用Hc表示;這同時也說明變壓器鐵芯鐵芯的磁化過程是不可逆的。變壓器鐵芯存在磁矯頑力這是鐵磁材料或磁性材料最基本的性質;不同性質的磁性材料,其具有的磁矯頑力大小也不同;一般變壓器鐵芯都選用磁矯頑力較小的鐵磁物質為制造材料。
變壓器鐵芯的磁矯頑力Hc與剩余磁通密度Br的概念是不一樣的,從磁矯頑力的定義來說,磁矯頑力Hc就是變壓器鐵芯退磁時,由最大剩余磁通密度Brm下降到0,對應所需要的磁場強度,不過這里的最大剩余磁通密度Brm是指變壓器鐵芯達到磁飽和時所產生的剩余磁通密度Br ,因為一般意義的剩余磁通密度Br都是對應動態最大磁通密度來說的。
但我們不要理解為,只有變壓器鐵芯達到磁飽和后,才會有磁矯頑力;在變壓器鐵芯被磁化的過程中,磁矯頑力從始至終都是存在的,只不過與習慣上定義的Hc在數值上不一樣。磁矯頑力與導磁率一樣,也是人們用來掩蓋住人類至今還沒有完全揭示的,磁場強度與電磁通密度之間內在關系的概念。
因此,嚴格來說,磁矯頑力也是隨著磁場強度H大小改變的,它與磁通密度一樣,會隨著磁場強度H的增大,而趨于飽和。這就是為什么,變壓器鐵芯中的最大磁通密度Bm和剩余磁通密度Br最終能夠分別穩定在某個數值之上的主要原因。
由圖2-2我們可以看出,隨著磁通密度的增加,需要磁場強度增加更大,因為鐵芯的導磁率會隨著磁場強度的增大反而變小,而鐵芯的磁矯頑力也不會因磁場強度的增大而增大,它總會有一個極限值;當變壓器線圈中產生反電動勢和感應電流,感應電流產生的反向磁場對變壓器鐵芯進行退磁時,鐵芯的導磁率和磁矯頑力的增量反而會向增大的方向變化,因此,對于每輸入一個脈沖電壓,總可以在磁通密度和磁場強度以及磁矯頑力三者之間找到一個動態平衡點,使變壓器鐵芯中的最大磁通密度Bm和剩余磁通密度Br能夠達到相對穩定。





