- 雙開關正激轉換器更易于實現
- 探討雙開關正激轉換器在低待機能耗應用中的設計
- 比較三次繞組、RCD鉗位及雙開關正激等常見的磁芯復位技術;
- 分析雙開關正激轉換器的優勢
- 基于雙開關正激磁芯復位技術的NCP1252固定頻率控制器
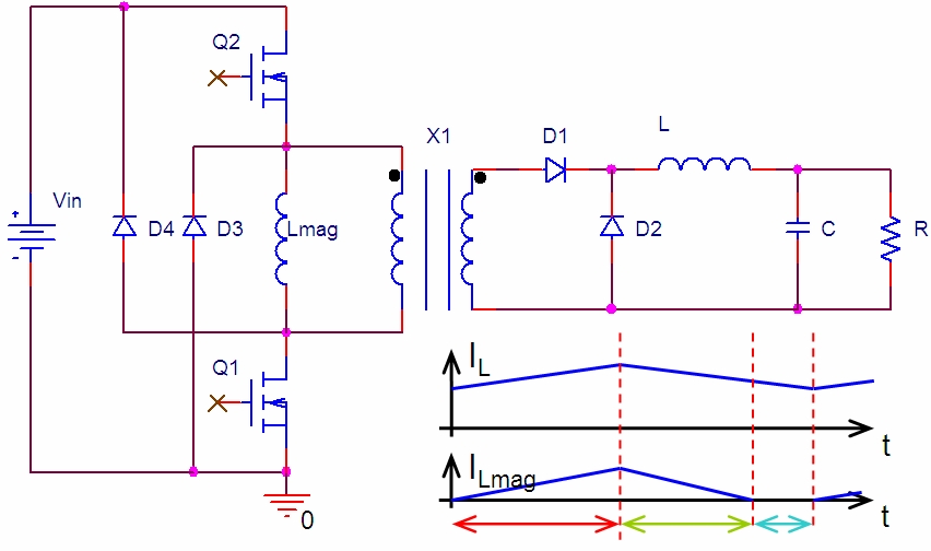
摘要:與三次繞組和RCD鉗位等常見變壓器磁芯復位技術相比,雙開關正激技術不需要特殊的復位電路,更易于實現,且保證可靠的磁芯復位,適用的功率等級比單開關正激技術更高。安森美半導體的NCP1252是一款增強型雙開關正激轉換器,具有可調節開關頻率及跳周期模式,帶閂鎖過流保護等多種保護特性,適合計算機ATX電源、交流適配器、UC38xx替代及其它任何需要低待機能耗的應用。


[page]
1) 變壓器匝數比、占空比及勵磁電感
首先計算變壓器在連續導電模式(CCM)下的匝數比N。
根據等式(1)可以推導出等式(2):

其中,Vout是輸出電壓,η是目標能效,Vbulk min是最小輸入電壓(即350 Vdc),DCmax是NCP1252的最大占空比,N是變壓器匝數比。
相應我們也可以驗證出高輸入線路電壓(410 Vdc)時最小占空比,見等式(3):


2) LC輸出濾波器
首先選擇交越頻率(fC)。因開關噪聲緣故,fC大于10 kHz時要求無噪聲布線,難于設計。故不推薦在較高的頻率交越,直接選定fC為10 kHz。
如果我們假定由fC、輸出電容(Cout)及最大階躍負載電流(ΔIout)確定出ΔIout 時的最大壓降(Vout)為250 mV,我們就能寫出下述等式:

我們選擇的是2顆松下FM系列的1,000 µF@16V 電容。從電容規范中解析出:
Ic,rms=5.36 A @ TA=+105 ℃RESR,low = 8.5 mW @ TA = +20 ℃
RESR,high = 28.5 mW @ TA = -10 ℃
接下來,以ΔIout = 5 A 來計算ΔVout ,見等式(7):

這里有一個經驗法則,就是選擇等式(6)計算出來的值一半的等效串聯電阻(ESR)電容:RESR,max = 22 mW @ 0 ℃。這個規則考慮到了電容工藝變化,以及留出一些電源在極低環境溫度條件下啟動工作時的裕量。
最大峰值到峰值電流(ΔIL)的計算見等式(8):

要獲取輸出電感值,我們能夠寫出關閉時間期間的降壓紋波電流等式:

對等式(9)進行轉換,就可以得到等式(10),最終我們選擇27 µH的標準值。

輸出電容的均方根電流(ICout,rms)計算見等式(11):

其中,額定電感時間常數(τ)的計算見等式(12):

3) 變壓器電流
經過一系列計算(詳細計算過程參見參考資料3),可以得到:次級峰值電流(IL_pk)為11.13 A,次級谷底電流(IL_valley)為8.86 A,初級峰值電流(Ip_pk)為0.95 A,初級谷底電流(Ip_valley)為0.75 A,初級均方根電流(Ip,rms)為0.63 A。
4) MOSFET
由于NCP1252是雙開關正激轉換器,故作為開關的功率MOSFET的最大電壓限制為輸入電壓。通常漏極至源極擊穿電壓(BVDSS)施加了等于15%的降額因數,如果我們選擇500 V的功率MOSFET,降額后的最大電壓應該是:500 V x 0.85 = 425 V。我們選擇的功率MOSFET是采用TO220封裝的FDP16N50,其BVDSS為500 V,導通阻抗(RDS(on))為0.434 Ω(@Tj=110℃),總門電荷(QG)為45 nC,門極至漏極電荷(QGD)為14 nC。
MOSFET的導電損耗、開關導通損耗計算見等式(13)到(14):

其中,交迭時間(Δt)由下列等式計算得出:

MOSFET的開關關閉損耗見等式(16):

其中,交迭時間(Δt)由下列等式計算得出:

因此,MOSFET的總損耗為:

5) 二極管
次極二極管D1和D2維持相同的峰值反相電壓(PIV),結合二極管降額因數(kD)為40%,可以計算出PIV,見等式(19):

由于PIV<100 V,故能夠選擇30 A、60 V、TO-220封裝的肖特基二極管MBRB30H60CT。
二極管導通時間期間的導電損耗為:

關閉時間期間的導電損耗為:

NCP1252應用設計:NCP1252元件計算
1) 用于選擇開關頻率的電阻Rt
采用一顆簡單電阻,即可在50至500 kHz范圍之間選擇開關頻率(FSW)。假定開關頻率為125 kHz,那么我們就可以得到:

其中,VRt是Rt引腳上呈現的內部電壓參考(2.2 V)。
2) 感測電阻
NCP1252的最大峰值電流感測電壓達1 V。感測電阻(Rsense)以初級峰值電流的20%余量來計算,其中10%為勵磁電流,10%為總公差:

3) 斜坡補償
斜坡補償旨在防止頻率為開關頻率一半時出現次斜坡振蕩,這時轉換器工作在CCM,占空比接近或高于50%。由于是正激拓撲結構,重要的是考慮由勵磁電廠所致的自然補償。根據所要求的斜坡補償(通常為50%至100%),僅能夠外部增加斜坡補償與自然補償之間的差值。
目標斜坡補償等級為100%。相關計算等式如下:
內部斜坡:

初級自然斜坡:

次級向下斜坡:

自然斜坡補償:

由于自然斜坡補償低于100%的目標斜坡補償,我們需要計算約33%的補償:


由于RcompCCS網絡濾波需要約220 ns的時間常數,故:

4) 輸入欠壓電阻
輸入欠壓(BO)引腳電壓低于VBO參考時連接IBO電流源,從而產生BO磁滯。

NCP1252演示板圖片及性能概覽
NCP1252演示板的詳細電路圖參見參考資料2,其頂視圖和底視圖則見圖3。





