- 安森美智能電表解決方案
- 在集成電路中集成了模擬調制解調器前端和數字后處理功能
- 通過AMIS-49587進行邏輯鏈路層(LLCLayer)數據包的交換
高速發展的智能電網及智能電表市場在綠色節能意識的推動下,以智能電表為核心的智能電網成為世界各國競相發展的一個重點領域。發展智能電網也能讓公用事業機構及用戶受益。如智能電網可幫助電力機構降低運營支出、減少竊電、優化運營及即時響應用戶需求等。用戶也有機會享受到更靈活的定價,因網絡計量節省成本及幫助實現家庭自動化等。此外,智能電網的發展還面臨其它一些有利因素,如管制放松加劇競爭、各種無線標準(ZigBee、PLC、Wi-Fi、WiMax和蜂窩移動通信等)爭相涌現等。
在這些有利因素的推動下,智能電網的發展前景頗受看好。以智能電表為例,預計全球出貨將從2008年的僅數百萬部增長至2014年的約5,000萬部,年復合增長率(CAGR)高達48%。而從技術趨勢來看,未來將超向雙向實時通信、開放式平臺/模塊化服務。系統集成也將是重要的未來趨勢,預計可更新、插電式混合動力汽車(PHEV)以及家庭自動化等將集成到智能電網系統之中。智能電表也將超向采用先進計量體系(AMI),并成為未來家庭區域網絡(HAN)的組成部分。
安森美半導體基于AMIS-49587和NCS5650的智能電表解決方案用于電能輸送的中低壓交流配電線也可作為數據通信的傳輸介質。電力線載波(PLC)通信技術就是通過載波方式在配電線上高速傳輸模擬或數字信號的技術。利用已有的電力配電網絡進行通信不需要重新布線,信號不會因為通過建筑物墻壁被衰減和屏蔽,成本更為低廉,這使該技術在電表自動抄表系統、燈光控制等諸多領域備受青睞。
安森美半導體針對低/中壓電力線數據通信開發了擴頻型移頻鍵控(S-FSK)PLC調制解調器(Modem)——AMIS-49587。它是一個高集成度、符合IEC61334標準的低功率PLC方案,適用于智能電網自動讀表及管理、街道照明控制、智能電力插頭(powerplug)和建筑物自動化等。這是安森美半導體既早期的AMIS-30585之后發展到第二代PLC調制解調器產品,其核心是一個32位ARM處理器,完成物理層和MAC層的處理,運行S-FSK調制解調的算法,同時也管理與外部MCU的通信。該器件包含了所有S-FSK信號處理、MCU接口管理等模擬、數字部分。AMIS-49587支持先進計量體系(AMI),用于公用事業機構與電表之間的雙向通信,支持遠程讀表、斷開開關連接及負載控制。目前全球26.5億部電表中僅有約8%是自動化電表,故AMIS-49587這樣的支持智能電表應用的調制解調器芯片應用前景非常廣闊。
AMIS-49587是采用S-FSK調制方式及精確濾波的窄帶PLC收發器,可實現長距離電力線的強固低數據率通信,以及2,400bps的半雙工可調節速率通信。不到20kHz的低工作頻率及自動中繼器(repeater)功能,令通信更加可靠,通信誤差比現有方案更低。該器件是目前唯一在工業現場有超過8年的成功應用驗證的器件。
AMIS-49587利用安森美半導體的混合信號技術,在一個集成電路中集成了模擬調制解調器前端和數字后處理功能。其最突出的特點在于,作為PLC收發器,除了完成物理層S-FSK信號的收發、調制解調外,它還包含了媒體訪問控制器(MAC)子層的處理,使設計人員無需涉及PHY和MAC協議傳輸細節問題,把更多精力放在應用層的開發,而大多數競爭方案需要復雜的嵌入式軟件來執行與AMIS-49587相同的功能。
通過AMIS-49587進行邏輯鏈路層(LLCLayer)數據包的交換,底層的幀頭、幀校驗等都會自動添加。這在很大程度上減少了客戶軟件開發工作量,簡化了設計,降低了開發及應用成本,并加速上市進程。這些優勢使AMIS-49587成為完全滿足智能電網技術要求的PLC通信核心器件。
此外,安森美半導體也為智能電表PLC線路驅動應用推出一款高能效的A/B類低失真線路驅動器——NCS5650。這器件的電源電壓(VCC)為單端6至12V或雙平衡±3.0至6.0V。NCS5650的設計經過了優化,接收PLC調制解調器輸送的信號,輸出段設計成能夠驅動高達2A的電流,經隔離變壓器或簡單的線圈耦合至交流主電源。
NCS5650符合PLC線路驅動器的應用要求,提供重要的應用優勢。如這器件針對歐洲電工標準化委員會(CENELEC)用于智能電表的A、B、C和D頻段進行了優化,符合EN-50065規范,可用于直接耦合或按1:1、2:1變壓比耦合。NCS5650獨特的2A驅動能力確保在很低電力線阻抗時也可保持有效的通信。
NCS5650在電氣性能上也頗具優勢。兩級運算放大可以實現700kHz的全功率帶寬,諧波失真也很低,僅為0.015%@1kHz。這器件的功耗也很低,軌到軌壓差僅為0.5V,靜態電流僅為20mA,關斷模式下的電流僅為150?A。 圖1是采用AMIS-49587的PLC解決方案框圖。該方案主要由PLCModem、AMIS-49587、驅動放大器NCS5650及耦合變壓器組成。
[page]圖中紅色箭頭為PLC信號的發送路徑。AMIS-49587調制出的S-FSK信號由NCS5650放大后經變壓器耦合到電力線上。變壓器實現電壓變換和阻抗匹配,也可用于強弱電的隔離。NCS5650除了信號功率放大外,其兩級運放結構還組成了衰減特性很陡的4階低通濾波器。在對電力線接入設備有嚴格限制的歐洲,只有增加類似的濾波器,才能保證系統對電力線的高頻干擾注入滿足EN50065規范的要求。
藍色箭頭表示接收路徑。變壓器從電力線耦合過來的信號經AMIS-49587內置放大器構成的低通濾波器由內部ARM進行FSK解調分析。圖中黑色箭頭是50Hz的過零檢測信號引腳。系統依靠這個信號進行同步定時。圖中藍色虛線內是電表內的應用處理器,負責應用層處理通信及計量。
該方案的供電十分簡單:一路12V電源為線路放大器供電,用于驅動PLC信號耦合變壓器;一路3.3V電源給AMIS-49587供電。
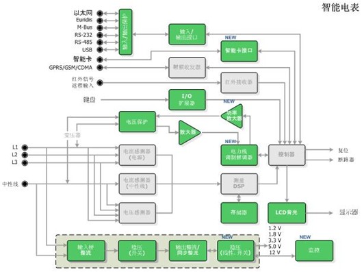
安森美半導體應用于智能電表的完整解決方案安森美半導體應用于智能電表的方案包含一系列標準產品、專用標準產品(ASSP)及專用集成電路(ASIC),可以提供智能電表的4種基本功能,包括:電源/電源管理、計量、寄存及通信,具體產品包括功率因數控制器、交流-直流(AC-DC)控制器、直流-直流(DC-DC)控制器、穩壓器,MOSFET、整流器、三端雙向可控硅開關元件(TRIAC),PLC調制解調器、線路驅動器及信號放大器,濾波、輸入/輸出(I/O)及數據保護,LCD背光驅動器,EEPROM存儲器,及智能卡接口等。圖2是由安森美半導體的多種器件(圖中綠色部分)構成的智能電表應用。

如圖2所示,構成智能電表應用的安森美半導體產品很多,除了上述AMIS-49587PLC調制解調器和NCS5650PLC線路驅動器,還包括:輸入/輸出保護(用于電磁干擾(EMI)和射頻干擾(RFI)濾波的數據濾波器、ESD保護二極管及陣列、用于電流和電壓管理的電壓監測器)、輸入/輸出接口(數據濾波器、PLL時鐘產生器)、智能卡和SIM卡接口、I/O擴展器、電壓保護器件(二極管及整流器、瞬態電壓抑制器)、運算放大器和比較器、功率放大器、電力線調制解調器、EEPROM和SRAM存儲器、LCD背光驅動器及圖像/環境光傳感器、輸入橋整流器、穩壓開關(交流-直流控制器和穩壓器)、輸出整流/同步整流(肖特基二極管及整流器)、線性穩壓開關(電壓參考、顯示驅動器、控制器、線性穩壓器、轉換器、電荷泵)等。
其中,用于輸入/輸出保護的數據濾波器NUF2042XV6是專為需要線路終端、EMI濾波和ESD保護的應用開發的單芯片器件,其雙向EMI可防止進/出系統的噪聲,并節約元件成本。用于電壓保護的瞬態電壓抑制器(TVS)P6KE6系列可以防止電壓敏感元件受到高電壓、高能量瞬變的影響,具有良好的鉗位能力、高浪涌能力、低阻抗齊納和快速響應時間等特點。NOA1302是集成了16位ADC和2線I2C數字接口的寬動態范圍環境光傳感器(ALS),采用可編程集成優化噪聲性能,可在近0lux至超過100,000lux的范圍內提供線性響應;該傳感器采用安森美半導體專有的CMOS圖像傳感技術,提供低噪聲和高動態范圍輸出信號和類似人眼反應的光響應。
總結在開發智能電網和智能電表時,設計人員需要選擇適用的解決方案。安森美半導體為智能電網及智能電表應用提供的各種解決方案均符合各種標準及客戶規范,具備簡化設計、降低成本、降低耗電、提供可靠通信及加快上市進程等諸多優勢。





