- 中頻脫磁器的原理
- 中頻脫磁器的控制單元設計
- 磁化的鐵粉通過衰減的正弦波磁場時,能夠達到有效的退磁效果
- 當頻率大于800Hz時,退磁效果明顯變好
為了解決上述問題,人們經過了大量的研究和試驗,得出結論:讓礦漿經過頻率幾百赫茲以上的衰減的正弦波磁場,即可將鐵粉中的磁性退掉。目前,許多磁選廠使用了脫磁器,為了便于用戶在實際中對脫磁器維護、維修,本文將從信號波形的角度,詳細介紹脫磁器的控制電路原理和設計過程。
脫磁器原理
當被磁化的鐵粉通過衰減的正弦波磁場時,能夠達到有效的退磁效果。退磁效果與正弦波的頻率有關,當頻率大于800Hz時,退磁效果明顯變好。退磁效果還與磁場強度有關,通常磁場強度大于矯頑磁力的5倍即可。為了達到上述性能指標,目前普遍采用的電路形式如圖1所示,工作原理如下:當可控硅SCR2導通時,電感L1、電容C1構成一個并聯諧振回路,如果初始狀態電容C1兩端有電壓,則震蕩電路會產生衰減的正弦波震蕩,波形如圖2所示。這樣就在線圈內形成了與之同樣的磁場。該正弦波應該從最高的幅度逐漸衰減到0,才能保證更好的脫磁效果。

圖1脫磁器原理圖

圖2衰減正弦磁場波形
控制單元設計
圖1中的電容、電感決定了震蕩頻率f0,電容容量和回路中的損耗決定了衰減的時間。當電容C1=150μf,電感L1=200μh時,理論的震蕩頻率是914Hz,由于實際電路中存在誤差,實測值約800Hz,衰減的時間超過20ms。
控制原理是:首先通過380V交流電給C1充電,正半周SCR1導通,完成充電過程,負半周SCR1自動截止,C1電壓一直保持到下一個正半周期信號到來。此時開通SCR2,使C1、L1形成回路,產生自由震蕩并完成放電。如此反復循環,即達到了理想的磁場波形。
為此控制單元給SCR1和SCR2施加的控制信號的仿真波形如圖3所示,其中還包含有交流電輸入信號和震蕩輸出信號,從上到下的波形依次為輸入的交流電信號、SCR1的控制信號、SCR2的控制信號、震蕩線圈信號的波形。

圖3信號波形
[page]
各信號波形的時序:在交流電正半周的過0點觸發SCR1,用于C1的充電;在下個周期正半周的過0點觸發SCR2,用于形成并聯諧振回路。SCR2的觸發信號不能用窄脈沖信號,而是采用電平觸發方式,這樣,當電感電壓超過電容電壓時,盡管SCR2自動截止,但是在下一次電容給電感充電時,控制端滿足導通的條件,SCR2仍然能導通,進行連續充放電。
由于整個震蕩衰減過程需要20ms以上的時間,所以SCR2控制信號的高電平時間應該大于20ms,超過了交流電周期(20ms),因此將SCR2的控制信號導通時間預留2個交流電周期(40ms),這樣就有足夠的時間完成震蕩衰減過程。可見,完成一次對C1充電和震蕩衰減的全過程,總共需要3個周期(60ms)。通常脫磁線圈的長度大于50cm,如果礦漿的流速約1.5~3m/s,則通過脫磁線圈的時間是160~330ms,所以鐵粉能有2~5次被衰減的磁場退磁。

圖4控制電路原理
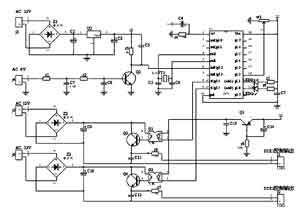
1硬件電路
控制單元電路由核心器件stc12c4052ad單片機和外圍器件構成,原理和功能如下。
stc12c4052ad單片機自帶A/D轉換器,具有高速、高可靠性,強抗靜電(過4kV快速脈沖干擾),強抗干擾,寬電壓,不怕電源抖動等特點。它完成同步信號檢測(P3.2口,int0中斷輸入端)、控制信號輸出(P3.4、P3.5)、輸出強度調整(P1.1)和工作狀態指示等功能;整流橋Z1、三端穩壓塊u2等構成穩壓電源,為整個控制電路提供電源;r1、r2、Q2等完成交流同步信號的輸入,其中,r1、C7、r2、C8濾除高頻脈沖的干擾,同步信號輸入到單片機的int0端;整流橋z2、z3、Q3、Q4等構成獨立的電源,分別驅動可控硅SCR1、SCR2;光耦G1、G2將低壓控制電路與高壓驅動電路隔離,既保證了控制芯片和人身安全,同時具有抗干擾作用;三極管Q1及周圍電路,用于上電延時。上電時,C14不能突變,所以Q1處于截止狀態,Q3、Q4都不能導通,在單片機初始化完成后,P3.4、P3.5處于正常狀態時,Q1進入導通狀態,避免了SCR1和SCR2同時導通。
2控制流程
圖5是主程序流程圖。由于電路中的可控硅觸發時間要求嚴格,所以,程序中分別使用了定時器T0作為SCR1充電的觸發定時信號,定時器T1作為SCR2放電時間的定時信號。

圖5主程序流程
綜上所述,脫磁器的輸出波形是影響脫磁效果的關鍵因素,波形的參數包括頻率、幅度、完整的衰減過程。這也是用戶在選擇脫磁器時和使用、維護、維修時更應該關心的問題。