- 擴頻降低EMI的DC/DC穩壓器電路設計
- 學習開關模式DC/DC穩壓器具有較低的熱耗散
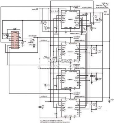
- 采用4個μModule穩壓器提供48A最大輸出電流
- 用擴展頻譜頻率調制降低EMI
引言
在密集排列的系統電路板上,開關模式DC/DC穩壓器具有較低的熱耗散。然而,電流的快速切換、定義不完備的布局、電感器等組件的放置和選擇使組成的電路有可能成為主要的EMI(電磁干擾)源。此外,當多個DC/DC開關模式穩壓器并聯潛在的干擾和噪聲問題可能惡化。如果所有組件都在類似的頻率工作(切換),能量都集中在一個頻率上。這種能量的存在可能成為一個隱憂,尤其是當PC板上其余的IC及其它系統電路板互相靠得很近,易受這種輻射能量的影響時。一種解決方案是,將這種能量擴展到很多頻率,而不是集中在一個頻率,從而降低其幅度和強度。
這種方案采用了一個擴展頻譜頻率調制(SSFM)時鐘。運用擴頻方法來降低EMI,旨在使時鐘保持運動狀態。穩固時鐘是一個供相鄰器件和符合性測試設備進行鎖定的簡易目標,并為它們提供在固定時鐘頻率或其諧波上累積發射信號能量所需的時間。此外,一種特殊的模塊化DC/DC開關模式穩壓器系統可為密集排列的電路板提供大功率、低熱量以及低EMI電源解決方案。使用在一個基片上的模塊化和預組裝DC/DC開關模式穩壓器電路的好處是,通過恰當地接地和最大限度地縮短電流環路,同時在一個寬開關頻率范圍內工作來優化布局,并實現鎖相環功能。就最好結果而言,這類器件應該在一個小的封裝中包含所有需要的組件,例如電感器、DC/DC穩壓器、MOSFET和補償電路。
一種利用微型模塊(μModule) DC/DC開關穩壓器(即完整的DC/DC開關穩壓器系統級封裝)的新技術可實現具低EMI、低輸出及輸入紋波電流的大電流模塊化負載點穩壓器。
采用4個μModule穩壓器提供48A最大輸出電流、1.5V輸出電壓
有些應用集中于用4個并聯的μModule穩壓器取代單個開關,這將通過多相同步降低峰值開關電流。這些開關是由一個相位變化的時鐘從外部驅動的。每個開關的接通時刻之間都是有間隔的,從而在輸入中產生均勻的電流分布。在這種大功率系統中,電壓紋波降低了。同步并聯穩壓器的關鍵優勢是,由于消除了輸入和輸出中的紋波電流,減小了輸入和輸出電容器的尺寸,從而消除了對大容量電容器的需求。
圖1所示的設計原理圖中采用了凌力爾特公司最新的多相振蕩器LTC6909。這個新振蕩器與以前的LTC6902振蕩器之間的主要差別是,LTC6902最多有4個輸出,而LTC6909有8個輸出、8個相位以及卓越的擴展頻譜頻率調制,這種調制方法有效提高了電磁兼容性能。
[page]

同樣的設計設置將用作采用LTC6909時的基準。4相并聯的μModule系統,在40A時以12V輸入、1.5V輸出運行,同時它可正常工作的最大電流高達48A。多相同步可降低一些EMI,但可能還不足以滿足嚴格的EMI規范要求。用一個頻譜分析儀來檢查當前系統的頻率諧波。觀察到的基頻和諧波范圍為150kHz~30MHz。分辨帶寬是9kHz。結果如圖2所示。對單個諧波頻率的觀察表明當前系統具體的輸出值。視具體的EMI要求的不同,這些諧波尖峰可能超過規范要求,無法取得合格證書。
LTC6909上的擴展頻譜頻率調制通過連續改變μModule的時鐘頻率,強制輻射能量分散開以改善EMI,防止該能量停留在任何接收器頻帶內。μModule開關輻射的紋波是產生不需要的頻譜諧波的罪魁禍首。LTC6909擴展頻譜頻率調制功能通過一個偽隨機噪聲信號,將能量擴展到一個寬的頻帶上,從而降低峰值電磁輻射,以降低諧波幅度。
用擴展頻譜頻率調制降低EMI

通過控制MOD引腳,LTC6909可以非常容易地設置擴展頻譜頻率調制。要啟動擴展頻譜頻率調制,MOD引腳處于浮動狀態,一個頻率(大約700kHz,由一個電阻器設置)由32個調制速率分頻。這是一個中間設置,可以很好地描述擴展頻譜頻率調制。圖3所示為頻譜分析儀上的測試結果,可以觀察到在諧波頻率上有10dB的幅度降低。
令人驚奇的是,對該系統進一步的分析表明,在使用擴展頻譜頻率調制時,輸出紋波沒有受到非常大的影響。有和沒有擴展頻譜頻率調制的性能比較如圖4和圖5所示。比較兩圖中的峰峰值,觀察到的變化是很小的。如果仍不信服,可進行另一個測試-負載瞬態響應測試,以進一步確證。

結語
在12V輸入、1.5V輸出、40A、4相μModule DC/DC開關穩壓器設計采用擴展頻譜頻率調制時,可將EMI降低10dB。這一設計降低輸出電容器電壓額定值、降低紋波和降低EMI。實現擴展頻譜頻率調制型工作模式。





