中心議題:
- 逆變器的輸入特性研究
- 逆變器輸入電流對與其連接的直流電源的影響
解決方案:
- 在逆變器輸入側串聯LC濾波器
1 概述
隨著各種各樣的逆變電源的應用越來越廣泛,對逆變器的研究也日益深入。目前,應用最多的為輸出工頻220V的逆變器,它廣泛應用在各種不間斷電源(UPS)、小型太陽能逆變電源及通訊用逆變電源中。
現在的逆變器一般都帶有前級DC/DC變換器,原因包括以下幾個方面:
(1)為了達到交流220V的輸出,逆變器直流側輸入電壓幅值至少為315V。除很少數情況外,一般逆變電源的輸入電壓都遠低于此值。這樣,為了達到輸入輸出電壓的匹配,增加一級DC/DC升壓電路。
(2)一般電源都要求輸入輸出電氣隔離。一種方法是在交流輸出側采用工頻變壓器隔離,但這樣做增加了電源本身的體積和成本。另一種方法就是增加一級DC/DC隔離變換器。由于采用高頻隔離,大大降低了電源的體積和成本。
(3)大多數逆變電源的輸入為交流電網。如果采用直接整流濾波的方式,輸入功率因數很低。為了提高輸入功率因數,逆變器前級需要增加功率因數校正電路。
(4)在一些對輸出電壓質量要求不是太高的的場合,如家用太陽能、風能逆變電源,為了降低成本,提高可靠性,逆變器本身采用開環控制。為了達到輸出穩壓的目的,要求逆變器的輸入電壓是非常穩定的直流電壓。這樣,逆變器前級必須是閉環控制的DC/DC穩壓變換器。
對于直流變換器來說,逆變器是一個特殊的非線性負載,它直接影響前級DC/DC變換器的穩壓效果。反過來,又進一步影響到逆變器的交流輸出效果。本文針對所研制的小型太陽能、風能逆變電源,研究了兩級變換器連接中存在的問題,提出了一種實用的解決方法。
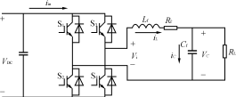
2 逆變器的輸入特性研究
典型的逆變器主電路結構如圖1所示。

圖1典型逆變器電路結構
為了減小輸出諧波,逆變器一般都采用雙極性SPWM調制,即逆變橋的對管是互補高頻開通和關斷的。由于后級濾波電感Lf存在,電感電流為輸出低頻交流電,每半個周波內電感電流iL方向保持不變。這樣就造成逆變橋輸入電流為高頻交變電流,具體如下:當iL為正時,S2、S3導通輸入電流iin為正,S1、S4導通輸入電流iin為負;當iL為負時,S2、S3導通輸入電流iin為負,S1、S4導通輸入電流iin為正。各電流波形與驅動脈沖的對應關系如圖2所示。

(a)輸出電感電流 (b)SPWM波 (c)輸入電流
圖2逆變器輸入輸出電流與驅動脈沖對應圖
[page]
由圖2可見,逆變器輸入電流并不是真正的直流電流,除直流成分外,還含有很大成分的兩倍輸出頻率的交流分量和少量的高頻交流分量。如果將DC/DC變換器的輸出直接與逆變器相連,則逆變器的這種輸入電流的低頻和高頻交流成分必然會對變換器造成一定的影響:低頻交流分量相當于直流變換器在始終突加減載,使其一直處于動態調節過程中;高頻交流分量則直接對直流變換器的控制電路造成干擾,影響變換器的正常工作。其結果是造成DC/DC變換器工作不穩定,噪聲加重,輸出紋波變大,甚至造成電源不能穩壓。
為了減小逆變器輸入電流對直流電源的影響,可以有以下幾種方法:
(1)逆變器采用一個橋臂低頻開關,另一個橋臂高頻調制的方式。這樣,當高頻開關管關斷時,電感電流通過低頻導通管和對應橋臂的反并聯二級管續流,電流不會反向流回輸入側。當輸出為純阻性負載時,完全沒有負電流流進輸入側,從而減小了輸入電流的高頻交流分量。一方面,這種方法只能在一定程度上減小逆變器對直流電源的影響,且僅適合于逆變器負載為阻性的情況。當逆變器帶感性或容性負載時,由于輸出電壓電流相位不一致,仍然會有負電流流入輸入側。另一方面,這種調制方式的輸出諧波增大,從而加大了后級濾波電路的體積和重量。因此,該方法的實用性不大。
(2)逆變器輸入側并聯一個大的電解電容和一個小的高頻無感電容。大電解電容可以在一定程度上減小輸入電流中的低頻交流成分,小無感電容可以很好地濾除輸入電流中的高頻交流成分。但是,直流電源輸出端一般為LC濾波器,逆變器輸入側并聯電容相當于增加了直流電源的輸出濾波電容,從而改變了其電路參數。當直流電源的控制穩定域不夠大時,有可能使直流電源進入不穩定工作區域而引起振蕩。
(3)逆變器輸入側串聯一LC濾波器。這樣,就可以很好地濾除輸入電流中的低頻交流成分,并可完全消除其中的高頻交流成分。同時,由于濾波電感的存在,減小了逆變器輸入對直流電源輸出參數的影響。
3 實驗結果
本文針對逆變器輸入側串聯LC濾波器的方法,在所研制的小型太陽能、風能逆變電源上進行了實驗研究,選用不同L、C參數時DC/DC變換器輸出電流、驅動脈沖及輸出電壓波形如圖3所示。
圖3(a)(b)(c)(d)示出了不同L、C參數時直流電源的控制脈沖和輸出電流。其中(a)為沒有LC濾波電路時的實驗波形,(b)的濾波參數為L=2mH、C=1100μF,(c)的濾波參數為L=2mH、C=2200μF,(d)的波波參數為L=2mH、C=3300μF。由圖可見,當逆變器輸入側不加LC濾波器時,直流電源輸出電流大范圍波動,造成控制脈沖時有時無。其結果是系統噪聲變大,整機效率下降,可靠性降低。隨著LC濾波參數的加大,逆變器輸入電流的波動逐漸減小,控制脈沖逐漸變得連續,系統噪音變小,效率變高。為了保證逆變器輸入電壓的穩定,濾波電感不宜加的太大,增大濾波參數適宜加大濾波電容。
圖3(e)(f)示出了沒有LC濾波電路及有LC濾波電路時直流電源輸出電流和輸出電壓波形。(e)為沒有LC濾波電路的情況,(f)為L=2mH、C=3300μF的情況。由圖可見,不加LC濾波時,輸出電壓紋波很大,已經不能滿足輸出穩壓的要求。當加入LC濾波時,輸出電壓紋波大大減小,成為穩定的直流電源。

圖3 DC/DC變換器驅動脈沖、輸出電流及電壓波形對應圖
當然,L、C參數如何選取還應根據系統的實際情況而定,包括直流電源對輸出電流波動的承受能力及系統成本。
4 結語
本文分析了逆變器輸入側電流情況,闡述了逆變器輸入電流對與其連接的直流電源可能造成的影響,提出了在逆變器輸入側串聯LC濾波器的解決方法。在本文所研制的小型太陽能、風能逆變電源上的實驗證明,該方法可以很好地解決逆變器對DC/DC變換器的影響問題。



