中心議題:
- 基于降壓型LED恒流驅動的滯環控制電路設計
- 滯環控制電路設計與原理分析
解決方案:
- 滯環比較電壓產生電路設計
- 運放實現電路設計
- 平均驅動電流設定
本文設計了一款降壓型LED恒流驅動芯片的滯環控制電路。 該芯片采用高邊電流檢測方案,運用滯環電流控制方法對驅動電流進行滯環控制,從而獲得恒定的平均驅動電流。 設計采用簡單的設計理念實現恒流驅動,不需要復雜的電路分析,能實現精確的電流控制,且自身具有穩定性。 芯片采用0. 5μm 5V/ 18V/ 40V CDMOS 工藝研制,電源電壓范圍為4.5V~28V ,工作溫度-40 ℃~125 ℃,可為LED提供恒定的350mA 驅動電流,通過調節外部檢測電阻,可調節恒定L ED 驅動電流。 外部提供DIM 信號,通過DIM 的占空比來調節LED的亮度。 Hspice 仿真結果顯示:LED 驅動電流為滯環變化的三角波,恒流精度小于6. 2 %。
1 引言
目前,L ED 的驅動方式有恒壓和恒流驅動兩種,其中,恒流驅動是常用方式。 恒流驅動消除溫度和工藝等因素引起正向電壓變化所導致的電流變化,保證恒定的L ED 亮度。 在L ED 恒流驅動控制模式中,滯環電流控制模式具有諸多優點: 結構簡單、自穩定、不易因噪聲而發生不穩定振蕩等,使用日益廣泛。 MAXIM 公司的MAXIM16819 就是L ED 恒流驅動芯片。
文中實現了一種簡單的滯流控制模塊,通過模塊內部自建滯環比較電壓, 結合DIM 控制端的PWM 信號控制功率開關管的通斷,實現對L ED 的恒流控制。
2 電路設計與原理分析
2. 1 滯環控制原理
滯流控制模塊應用如圖1 所示,L ED 驅動電流的變化反應在檢測電阻RSENSE兩端的壓差變化上。 本設計中,檢測電阻設為0. 5Ω ,較小的檢測電阻有利于降低功耗和保持較高的轉換效率。 滯環電流控制模塊內部自建兩個電壓閾值,檢測電壓Vcs與閾值電壓進行比較,比較結果和DIM 調光信號相與來控制功率開關管的通斷。

圖1 滯流控制模塊應用圖示
使用PWM 調光, 在減少電流占空周期內給L ED 提供完整電流, 例如要將亮度減半, 只需在50 %的占空周期內提供完整的電流。 通常PWM 調光信號的頻率會超過100Hz ,以確保這個脈沖電流不會被人眼所察覺。
滯流控制模塊內部電路如圖2 所示,當DIM 信號為高電平期間,當Vcs 大于上電壓閾值時,控制電路輸出低電平,關閉功率開關管。 由LED、電感L 、續流二極管D 和RSENSE組成的回路使得電感繼續為L ED 提供電流,電感電流逐漸減小,使得檢測電壓Vcs 隨之減??;當Vcs 小于下閾值電壓時,控制電路輸出高電平,導通功率開關管,此時D 截止,形成從電源經RSENSE、L ED、L 和功率開關管到地的回路,電源為電感L 充電,電感電流上升,檢測電壓Vcs隨之升高。 Vcs 大于上電壓閾值時,控制電路關斷開關管,重復上個周期的動作,這樣就完成了對L ED驅動電流的滯環電流控制,使得流過L ED 的驅動電流,也就是電感電流的平均值恒定。

圖2 滯流控制模塊內部模塊
[page]
2. 2 滯環比較電壓產生電路
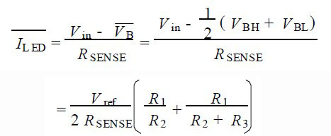
4. 5V~28V 的輸入電壓經調整轉換為5V 的恒定電壓Vcc 為后續電路供電。 如圖3 所示,A 點電位受運算放大器鉗制,將等于參考電壓1. 2V ,假設輸出V out 為高電平,則M2 導通,流過M1 的電流為IM1 = V ref / R2 ,B 點的電壓為V BL = V in - IM1 R1 ;當V out為低電平,M2 截止,流過M1 的電流變為I′M1= V ref / ( R2 + R3 ) ,B 點電壓升高為V BH = V in -I′M1 R1 ,所以B 點電壓的變化為ΔV B = V BH - V BL= V ref R1 R3/ R2 ( R2 + R3) ,這意味著V out由高電平變成低電平時在B 點產生的一個滯環電壓,可見該滯環電壓與輸入電壓無關,只由參考電壓V ref和電阻大小決定,通過選擇各電阻的阻值便可設定滯環電壓的大小。

圖3 滯流比較電壓產生電路
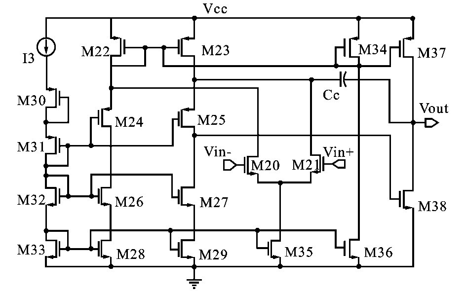
2. 3 運放實現電路
以上分析可知運算放大器起著重要作用,其必須具有較高的增益,才能使A 點電壓精確跟隨參考電壓,從而準確設定B 點電平和滯環電壓大小。 另外由于V out的變化頻率與系統開關頻率相同(系統的最大開關頻率約為2MHz) ,使得流過M1 的電流也相同頻率在IM1和I′M1之間快速切換,所以運放的單位增益帶寬須大于系統的最大開關頻率。 設計的運放結構如圖4 所示,采用折疊式輸入結構,可以獲得較大的共模輸入電壓范圍。
由運放的頻率特性仿真圖5 可知,增益達到84. 266dB ,相位裕度108°,單位增益帶寬約12MHz ,滿足電路要求。

圖4 運放實現電路

圖5 運放頻率特性仿真
[page]
2. 4 平均驅動電流設定
運放將點A 電位鉗位于帶隙電壓基準上。 由M7 - M8 、M6 - M9 組成的級聯電流鏡將偏置電流I1 鏡像到M8 - M9 - R5 所在支路,所以Compara2tor 模塊的一個輸入端電壓V n 保持一定,另一輸入端電壓V p 將跟隨檢測電壓V cs變化。 當比較器輸出V out為高電平(開關管導通) 時,B 點電壓為V BL 即下限閾值檢測電壓V CSMIN ,當V cs下降到此閾值時,由M6~M11 組成的對稱電路結構使流過R5 、R6的電流相等,此時V n = V p . 若V cs < V CSMIN ,即V p< V n ,比較器翻轉,輸出V out為低電平。 當V out變至低電平后,M2 截止,B 點電壓將變為V BH , V BH即是上限閾值電壓V CSMAX ,流過L ED 的平均驅動電流是由B 點平均電壓設定:

滯環電流范圍:

上式決定了驅動電流的紋波大小。
3 仿真結果分析
文中電路采用0. 5μm 5V/ 18V/ 40V CDMOS工藝,用Hspice Z - 2007. 03 進行仿真。 在脈沖寬度為200μs、周期為300μs 的DIM 信號和V in = 12V(典型值) 的共同作用下,仿真結果如圖6 所示。

圖6 Vin = 12V 時的電路仿真
[page]
分別在V in = 2. 5V , V in = 28V 的情況下,再次對L ED 驅動電流進行仿真,三次仿真數據結果分別如表1 所示。

表1 三種輸入電壓情況下的驅動電流
在V in = 12V 時,對LED 驅動電流進行溫度特性仿真,三次仿真波形結果分別如表2 所示。 可以看出,芯片的溫度特性較好。

表2 Vin = 12V 情況下三種環境溫度下的驅動電流
由于系統的固定延時τ對電流的紋波存在影響,實際的驅動電流峰值是IMAX +τoff di/ dt , 電流谷值是IMIN - τON di/ dt ,τoff 為從驅動電流大于設定值到功率開關關閉的系統延時,τon 為從驅動電流小于設定值到功率開關導通的系統延時, di/ dt 是電感電流變化率。 則電感若取較大值,對驅動電流平均值影響不大,但可以減小電流紋波, 反之,這是以增加外部電感體積為代價的。
電路可達很高的效率, 一方面檢測電阻中的功耗
會導致電源功率耗散,但本設計中RSENSE = 0. 5Ω,則PRSENSE 相當小,另一方面,系統效率定義為LED 消耗的功率與電源提供的功率之比, 即η = PLED/ PPOWER. 其中, PPOWER =V in3 Ivin , PLED = V LED*
,從仿真可知, Ivin 的平均值遠遠小于
,所以系統的效率可以達到非常高。
4 結束語
文中設計了一款適用于降壓型L ED 恒流驅動芯片的滯環控制電路。 采用高邊電流檢測方案,運用滯環電流控制方法對驅動電流進行滯環控制,從而獲得恒定的平均驅動電流,通過調節外部檢測電阻,可調節恒定L ED 驅動電流。 芯片采用015μm 5V/18V/ 40V CDMOS 工藝,電源電壓范圍為4. 5V~28V ,可為L ED 提供約恒定的350mA 驅動電流,溫度特性- 40 ℃~125 ℃,可達到相當高的效率。 當V in從4. 5V 變化到28V 時,平均驅動電流變化22mA ,最大恒流精度為6. 2 %。




