- 計算大功率電源中MOSFET的功率耗散
- 重新設定輸入電壓范圍
- 改變開關頻率
也許便攜式電源設計工程師所面臨的最大挑戰在于向現代高性能CPU供電。最近,CPU供電電流每兩年翻一倍。事實上,當今的便攜式內核電源要求電流達到 40A,電壓在0.9V至1.75V之間。但一方面電流要求持續增加,提供電源的可用空間卻沒有加大,這一實事將熱設計推到難以超越的極限。
如此高的電流電源通常會分為兩個或更多部分,每一部分提供15A至25A電流。這種方案消除了元件甄選的任務。例如,40A電源本質上可以分成兩個20A電源。但由于該解決方案并不增加額外的板空間,它無法解決熱設計的挑戰。
用于高電流電源最難選擇的元件是MOSFET場效應管,對于筆記本計算機尤為如此,在這種環境下,通常要為CPU自身保留散熱器、風扇、散熱管和其他散熱器件。這樣,電源經常需要與狹窄的空間、不流動的空氣和附近元件耗散的熱量對抗。還有,除了安裝在電源下面小小的PCB銅片,沒有什么可以幫助電源散熱。
MOSFET的甄選從選擇能夠應付所要求的電流、提供足夠的散熱通道開始,在確定了要求的散熱量并確保了散熱途徑后結束。本文介紹了計算MOSFET功率耗散和確定其工作溫度的步驟說明。隨后,以通過多相位、同步矯正、降壓CPU內核20A電源設計為例,對每個計算步驟進行了說明。
計算功率耗散
要確定一個MOSFET場效應管是否適于某一特定應用,需要對其功率耗散進行計算。耗散主要包括阻抗耗散和開關耗散:PDDEVICETOTAL=PDRESISTIVE+PDSWITCHING
由于MOSFET的功率耗散很大程度上取決于其導通電阻(RDS(ON)),計算RDS(ON)看似是一個很好的著手之處。但MOSFET的導通電阻取決于結溫TJ。返過來,TJ又取決于MOSFET中的功率放大器耗散和MOSFET的熱阻(ΘJA)。這樣,很難確定空間從何處著手。由于在功率耗散計算中的幾個條件相互依賴,確定其數值時需要迭代過程(圖1)。

當允許的周圍溫度達到或略高于電源封裝內和其供電的電路所期望的最高溫度時結束。使計算的環境溫度盡可能高看似很誘人,但這通常不是一個好主意。這樣做將需要更昂貴的MOSFET、在MOSFET下面更多地使用銅片,或者通過更大或更快的風扇使空氣流動。所有這些都沒有任何保證。
在某種意義上,這一方案蒙受了一些“回退”。畢竟,環境溫度決定MOSFET的結溫,而不是其他途徑。但從假設結溫開始所需要的計算,比從假設環境溫度開始更易于實現。
對于開關MOSFET和同步整流器兩者,都是選擇作為此迭代過程開始點的最大允許裸片結溫(TJ(HOT))。大多數MOSFET數據參數頁只給出25°C的最大RDS(ON),,但近來有一些也提供了125°C的最大值。MOSFETRDS(ON)隨著溫度而提高,通常溫度系數在0.35%/°C至0.5%/°C的范圍內(圖2)。如果對此有所懷疑,可以采用更悲觀的溫度系數和MOSFET在25°C規格參數(或125°C的規格參數,如果有提供的話)計算所選擇的TJ(HOT)處的最大RDS(ON):RDS(ON) HOT =RDS(ON) SPEC ×[1+0.005×(TJ(HOT)?TSPEC)]
[page]
其中,RDS(ON)SPEC為用于計算的MOSFET導通電阻,而TSPEC為得到RDS(ON)SPEC的溫度。如下描述,用計算得到的RDS(ON) HOT確定MOSFET和同步整流器的功率耗散。討論計算各MOSFET在假定裸片溫度的功率耗散的段落之后,是對完成此迭代過程所需其他步驟的描述。

同步整流器的耗散
對于除最大負載外的所有負載,在開、關過程中,同步整流器的MOSFET的漏源電壓通過捕獲二極管箝制。因此,同步整流器沒有引致開關損耗,使其功率耗散易于計算。需要考慮只是電阻耗散。
最壞情況下損耗發生在同步整流器負載系數最大的情況下,即在輸入電壓為最大值時。通過使用同步整流器的RDS(ON) HOT和負載系數以及歐姆定律,就可以計算出功率耗散的近似值:PDSYNCHRONOUS RECTIFIER=[ILOAD2×RDS(ON) HOT ]×[1>-(VOUT/VIN(MAX))]
開關MOSFET的耗散
開關MOSFET電阻損耗的計算與同步整流器的計算相仿,采用其(不同的)負載系數和RDS(ON) HOT :PDRESISTIVE=[ILOAD2×RDS(ON) HOT]×(VOUT/VIN)
由于它依賴于許多難以定量且通常不在規格參數范圍、對開關產生影響的因素,開關MOSFET的開關損耗計算較為困難。在下面的公式中采用粗略的近似值作為評估一個MOSFET的第一步,并在以后在實驗室內對其性能進行驗證:PDSWITCHING=(CRSS×VIN2×fSW×ILOAD)/IGATE
其中CRSS為MOSFET的反向轉換電容(一個性能參數),fSW為開關頻率,而IGATE為MOSFET的啟動閾值處(柵極充電曲線平直部分的VGS)的MOSFET柵極驅動的吸收電流和的源極電流。
一旦根據成本(MOSFET的成本是它所屬于那一代產品的非常重要的功能)將選擇范圍縮小到特定的某一代MOSFET,那一代產品中功率耗散最小的就是具有相等電阻損耗和開關損耗的型號。若采用更小(更快)的器件,則電阻損耗的增加幅度大于開關損耗的減小幅度;而采用更大(RDS(ON)低)的器件中,則開關損耗的增加幅度大于電阻損耗的減小幅度。
如果VIN是變化的,必須同時計算在VIN(MAX)和VIN(MIN)處的開關MOSFET的功率耗散。MOSFET最壞情況下功率耗散將出現在最小或最大輸入電壓處。耗散為兩個函數的和:在VIN(MIN) (較高的負載系數)處達到最大的電阻耗散,和在VIN(MAX)(由于VIN2的影響)處達到最大的開關耗散。最理想的選擇略等于在VIN極值的耗散,它平衡了VIN范圍內的電阻耗散和開關耗散。
如果在VIN(MIN)處的耗散明顯較高,電阻損耗為主。在這種情況下,可以考慮采用較大的開關MOSFET,或并聯多個以達到較低的RDS(ON)值。但如果在VIN(MAX)處的耗散明顯較高,則可以考慮減小開關MOSFET的尺寸(如果采用多個器件,或者可以去掉MOSFET)以使其可以更快地開關。
如果所述電阻和開關損耗平衡但還是太高,有幾個處理方式:
改變題目設定。例如,重新設定輸入電壓范圍;改變開關頻率,可以降低開關損耗,且可能使更大、更低的RDS(ON)值的開關MOSFET成為可能;增大柵極驅動電流,降低開關損耗。MOSFET自身最終限制了柵極驅動電流的內部柵極電阻,實際上局限了這一方案;采用可以更快同時開關并具有更低RDS(ON)值和更低的柵極電阻的改進的MOSFET技術。
由于元器件選擇數量范圍所限,超出某一特定點對MOSFET尺寸進行精確調整也許不太可能,其底線在于MOSFET在最壞情況下的功率必須得以耗散。
[page]
熱阻
再參考圖1說明,確定是否正確選擇了用于同步整流器和開關MOSFET的MOSFET迭代過程的下一個步驟。這一步驟計算每個MOSFET的環境空氣溫度,它可能導致達到假設的MOSFET結溫。為此,首先要確定每個MOSFET的結與環境間的熱阻(ΘJA)。
如果多個MOSFET并聯使用,可以通過與計算兩個或更多關聯電阻的等效電阻相同的方法,計算其組合熱阻。熱阻也許難以估計,但測量在一簡單PC板上的單一器件的ΘJA就相當容易,系統內實際電源的熱性能難以預計,許多熱源在競爭有限的散熱通道。
讓我們從MOSFET的ΘJA開始。對于單芯片SO-8 MOSFET封裝,ΘJA通常在62°C/W附近。對于其他封裝,帶有散熱柵格或暴露的散熱條,ΘJA可能在40°C/W和50°C/W之間(參見表)。計算多高的環境溫度將引起裸片達到假設的TJ(HOT):TAMBIENT=TJ(HOT)-TJ(RISE)
如果計算的TAMBIENT比封裝最大標稱環境溫度低(意味著封裝的最大標稱環境溫度將導致超過假設的MOSFETTJ(HOT)),就要采取以下一種或所有措施:
提高假設的TJ(HOT)(HOT,但不要超過數據參數頁給出的最大值;通過選擇更合適的MOSFET,降低MOSFET功率耗散;或者,通過加大空氣流動或MOSFET周圍的銅散熱片面積降低ΘJA。

另一方面,如果計算的比封裝最大標稱環境溫度高得多,就要采取以下一種或所有措施:
降低假設的TJ(HOT);減少用于MOSFET功率耗散的銅散熱片面積;或者,采用不那么昂貴的MOSFET。
這些步驟是可選的,因為本案例中MOSFET不會由于超過設定溫度而損壞。然而,在TAMBIENT比封裝的最大溫度高時,這些步驟可以減小板面積和成本。
該過程中最大的不準確性來源于ΘJA。仔細研讀ΘJA規格參數相關的數據頁說明。典型的規格說明假設器件安裝于1平方英寸的2盎司銅片。銅片承擔了大部分的散熱,而銅片的大小對ΘJA有顯著影響。
例如,采用1平方英寸的銅片,D-Pak的ΘJAD-Pak可能是50°C/W。但如果銅片就設在封裝引腳下,ΘJA值將會加倍(參見表)。采用多個并聯MOSFET,ΘJA主要依賴于它所安裝的銅片面積。兩個元器件的等效ΘJA可能是只有一個元器件時的一半,除非銅片的面積加倍。就是說,增加并聯MOSFET而不同時增加銅片面積,將使RDS(ON)減半,但對ΘJA的改變小得多。
最后,ΘJA的規格參數假設銅片散熱面積不需考慮其他元器件的散熱。在高電流時,在功率路徑上的每個元件,甚至是PC板上的銅材料都會產生熱量。為避免對的MOSFET過度加熱,需要仔細計估算實際物理環境能達到的ΘJA值;研究所選擇的MOSFET提供的熱參數信息;檢查是否有空間用于增加額外的銅片、散熱器和其他器件;確定增加空氣流動是否可行;看看在假設的散熱通道有沒有其他明顯的熱源,并要估算一下附近元件和空間的加熱或冷卻作用。
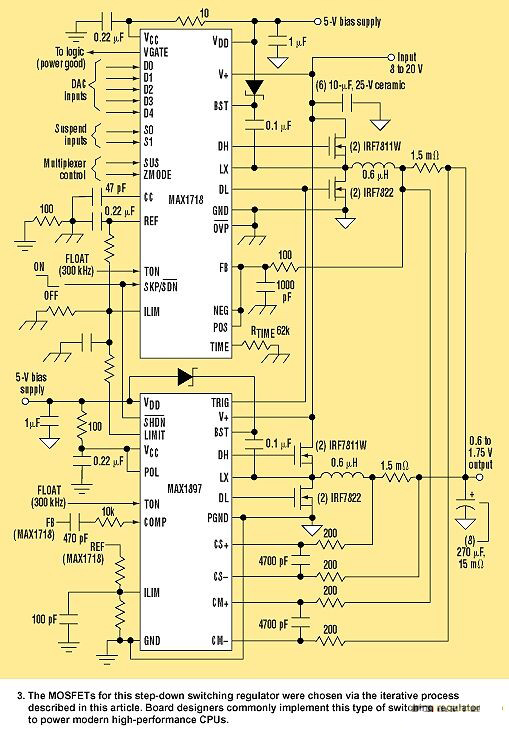
設計實例
圖3所示CPU內核電源在40A提供1.3V。兩個同樣的20A電源在300kHz運行,提供40A輸出電源。MAX1718主控制器驅動一個,而MAX1897從控制器驅動另一個。該電源輸入范圍在8~20V之間,指定封裝的最高工組作環境溫度60°C。
同步整流器包括兩個并聯的IRF7822MOSFET,在室溫條件下組合的最大RDS(ON)為3.25mΩ,而假設TJ(HOT)為115°C時約為4.7mΩ。最大負載系數94%,20A負載電流和4.7mΩ最大RDS(ON),并聯MOSFET的耗散約為1.8W。提供2平方英寸的銅片以進行散熱,總ΘJA約為31°C/W。組合MOSFET的溫度上升約為55°C,所以此設計將在60°左右的環境溫度工作。
在室溫下組合的最大RDS(ON)為6mΩ,在115°C(假設的TJ(HOT))為8.7mΩ的兩個并聯IRF7811WMOSFET組成開關MOSFET。組合CRSS為240pF。MAX1718以及MAX1897的1Ω柵極驅動輸出約為2A.。當VIN=8V時,電阻損耗為0.57W,而開關損耗約為0.05W。在20V時,電阻損耗為0.23W,而開關損耗約為0.29W。在每個操作點的總損耗大體平衡,而在最小VIN處的最壞情況下,等于0.61W。
由于功率耗散水平不高,我們可以在這對MOSFET下面提供了0.5平方英寸的銅片,達到約55°C/W的總ΘJA。這樣以35°C的升溫,可以支持達80°C的環境溫度。
本實例的銅散熱片僅要求對MOSFET提供。如果有其它器件散熱,也許要求銅散熱片面積更大。如果空間不允許增加額外的銅散熱片,可以減小總功率耗散,將熱量擴散到散熱量較低的地方,或采用其他方法散熱。
[page]
熱能管理是大功率便攜設計中最困難的方面之一,它使上述的迭代過程成為必需。雖然這一過程使板設計者已經接近于最終設計,但還是必須通過實驗室工作最終確定設計過程是否準確。在實驗室中計算MOSFET的熱能特性、確何其散熱通道并檢查計算結果,有助于確保可靠的熱設計。






