【導讀】現代汽車空調系統由制冷系統、供暖系統、通風和空氣凈化裝置及控制系統等組成,已成為衡量汽車功能是否齊全的標志之一。為了滿足汽車空調中越來越苛刻的需求,需要優秀的產品不斷提高汽車空調系統的安全性、可靠性及燃油經濟性。本文以安森美半導體為例對汽車空調系統四大類器件進行盤點。
汽車空調系統是實現對車廂內空氣進行制冷、加熱、換氣和空氣凈化的裝置,可以為乘車人員提供舒適的乘車環境,降低駕駛員的疲勞強度,提高行車安全。今天,空調裝置已成為衡量汽車功能是否齊全的標志之一。為了滿足汽車空調中越來越苛刻的需求,需要優秀的產品不斷提高汽車空調系統的安全性、可靠性及燃油經濟性。
汽車空調系統結構及供電要求
現代汽車空調系統由制冷系統、供暖系統、通風和空氣凈化裝置及控制系統等組成。圖1中的綠色部分是安森美半導體為汽車空調系統提供的各種器件。

圖1:安森美半導體為汽車空調系統提供的器件(綠色方框)
汽車空調系統典型的供電架構是為微控制器(MCU,亦俗稱“單片機”)、傳感器及其他板載控制芯片、LED供電。通常,單片機消耗電流一般小于50mA;風門位置傳感器、光線傳感器、溫度傳感器等需要的電流也小于50 mA;板載控制芯片,如A/D芯片、總線并轉串或運放等也是這樣;作為背光和按鈕顯示的LED的電流消耗取決于按鈕的數量及整體亮度,通常與單片機相關。所以,整個系統的電流一般在150mA以內。
24 V系統電源供電需要考慮高耐壓產品,滿足熱管理要求,以及電源效率和成本控制等問題。其結構有兩種,一種是24 V電源經大功率TVS(瞬態電壓抑制器),由低壓降穩壓器(LDO)轉換為5 V,同時為電機驅動供電,TVS可用來防止易受攻擊的電路受到電氣過應力及快速過電壓的影響;另一種是24 V電源經成本較高的DC/DC降壓到12 V,再經LDO轉換為5 V并為電機驅動供電。
12 V系統電源供電經LDO為MCU、傳感器及其他器件供電,同時直接為DC電機和步進電機等電機驅動供電。12 V系統要考慮的是系統成本、低靜態電流(Iq)和封裝。適用于汽車空調的LDO包括NCV4264-2、NCV8660B、NCV8664、NCV8669、NCV4269A、NCV4279A、NCV4299、NCV4299AD、NCV4266、NCV8501、NCV8502、NCV2931、NCV8768和NCV8769。
安森美半導體還提供為傳感器供電、具有完善保護功能的電壓跟隨器,如NCV8184。這是一款單片LDO跟隨穩壓器,提供可調節的緩沖輸出電壓,可密切匹配參考輸入電壓(精度可達±3 mV)。該器件的輸出電流能力(Iout)為70 mA,在50 mA電流時的典型壓降僅為0.35 V;靜態電流僅為70 μA,并有使能引腳。

圖2:電壓跟隨器框圖
豐富的汽車空調系統驅動方案
下頁內容:汽車空調系統驅動的四大類對象
[page]
汽車空調系統驅動的對象主要有風門執行器、智能高低邊、鼓風機和LED。
1. 風門執行器驅動
風門執行器驅動的拓撲結構因不同整車廠的配置需求而異,有直流電機、單極性步進電機及雙極性步進電機幾種。直流電機集成了位置傳感器,將風門位置信號反饋給單片機。為控制直流電機的正轉或反轉,需要使用2個高邊(HS)開關及2個低邊(LS)開關組成全橋電路。通常,這些高邊或低邊開關已經集成各種完善的保護,如過壓保護、過載保護及過溫保護等。單極性步進電機需使用4個低邊開關,而雙極性步進電機需使用4個高邊開關和4個低邊開關來驅動。
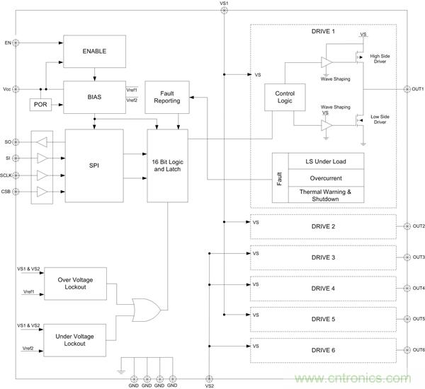
直流電機風門執行器的正常工作電流約為100 mA,最大堵轉電流小于450 mA;另外需要H橋驅動來改變運行方向,以及故障診斷報告功能和芯片內保護功能。安森美半導體的NCV77xx系列器件(如NCV7718)可用于驅動直流電機風門執行器,其中NCV7718是一款6路半橋驅動器,芯片內部連接了高低邊,以H半橋作為輸出。
該器件以6路PMOS作為高邊驅動,6路NMOS作為低邊驅動,能夠提供0.55 A持續驅動電流,內部集成了續流二極管。NCV7718最大功耗僅為5 μA,能以正向、反向、制動及高阻態工作,通過16位SPI接口控制,帶有專門設計用于汽車及工業運行控制應用的保護功能,如欠壓及過壓鎖定、過流關斷、過溫保護、診斷、驅動狀態、低負載保護及故障報告等。

圖3:NCV7718 6路半橋驅動
安森美半導體還提供用于汽車空調的單極性及雙極性步進電機驅動器。單極性步進電機驅動器包括NCV7608和NCV7240等。NCV7608是8路高低邊可配置驅動器,每通道能提供350 mA驅動電流及完善的保護功能;NCV7240是8路低邊驅動器,每通道能提供600 mA驅動電流,可采用16位SPI接口控制,具有完善的保護功能(如開路診斷、過載保護及過溫保護等)。這兩款器件分別采用SOIC28和SSOP24封裝。

圖4:汽車空調雙極性步進電機驅動器AMIS30730
雙極性步進電機驅動器包括AMIS-30730和NCV70501等。AMIS-30730是LIN接口單芯片智能步進電機驅動器方案,驅動電流為300 mA,內部包含MCU、ROM、RAM、EEPROM。NCV70501是SPI接口步進電機驅動器,驅動電流為300 mA,可以實現進氣風門的低噪聲設計,可以通過設置內部寄存器來改變電機的方向和步數等。

圖5:汽車空調雙極性步進電機驅動器NCV70501
下頁內容:智能高低邊驅動、 鼓風機驅動和LED驅動
[page]
2. 智能高低邊驅動
SmartFET是用于外部負載(如中央電器盒中的繼電器)的高/低邊驅動。這些驅動自身需要額外的保護功能,如短路保護、熱關斷(有或者沒有自動恢復功能)、過壓保護、邏輯電平控制(單片機直接控制)和ESD保護等。安森美半導體的高/低邊智能驅動器件有NCV8440、NCV8440、NCV8401、NCV8402、NCV8403、NCV8406等低邊驅動器,以及NCV8450、NCV8452等高邊驅動器。這些器件是帶保護的MOSFET,在其基礎上增加了多種保護功能及高邊或低邊驅動等。例如,NCV8452高邊SmartFET,器件的導通阻抗為200 mΩ,過壓保護等級為41 V,輸出電流限制值為1 A,集成了豐富的保護特性,如短路保護、過載保護、過溫關斷及自動重啟、內部鉗位二極管過壓保護、ESD保護及邏輯電平控制等。

圖6:NCV8452高邊SmartFET框圖
3. 鼓風機驅動
鼓風機驅動包含有刷直流電機及無刷直流電機(BLDC)等類型。有刷直流電機采用PWM控制,最大工作電流為30 A,需要功率MOSFET。無刷直流電機需要用到預驅動器及功率MOSFET。安森美半導體提供用于無刷直流電機的三相預驅動器,如LV8901、LV8902及MC33033/5等。安森美半導體還提供用于鼓風機驅動的一系列功率MOSFET,如NVB5860N/NL、NVMFS5830NL、NVMFS5832NL、NVB5404N、NVB5405N、NVD5802及NVD5890N等。

圖7:三相電機預驅動
4. LED驅動
安森美半導體采用恒流穩流器(CCR)的LED驅動器可用來驅動汽車空調應用中的LED。其中包括適合低噪聲系統的雙端可調節輸出版本及三端可調節輸出版本。這些器件內置LED熱保護,能夠替代低成本LDO,可抑制由于電壓波動引起的LED亮度變化,有助于縮短設計和認證時間。這些低電流CCR LED驅動器包括NSI50010YT1G、NSI45015WT1G、NSI45020T1G、NSI45020AT1G及NSI45020JZT1G等。
車載總線收發器及系統基礎芯片
汽車中使用的分散、分布式系統需要通過LIN、CAN及FlexRay™ 等行業標準接口進行互連。安森美半導體提供符合這些標準接口技術的車載總線收發器,如用于汽車空調的NCV7321 LIN收發器。該器件的最高通信速率為20 kbps,具備高壓模擬和數字功能,符合歐洲LIN物理層規范2.1版及美國SAE J2602-2規范,符合OEM要求,同時具有出色的電磁兼容(EMC)性能,系統ESD保護能力高達13 kV。
在系統基礎芯片(SBC)方面,安森美半導體提供多種集成了車載網絡、電源(如線性穩壓器、DC-DC穩壓器)、監控(如看門狗、SPI、狀態、中斷)及I/O的器件,如NCV7420和NCV7425,兩款器件都集成了LIN收發器及3.3 V或5 V穩壓器,輸出電流能力分別為50 mA及150 mA。
汽車空調是安森美半導體在汽車應用中所關注的核心應用之一。安森美半導體提供一系列應用于汽車空調應用的產品,包括電源供電、電機驅動、SmartFET和分立器件。這些器件均通過了汽車級產品認證,有助于汽車整車廠商滿足汽車空調中越來越苛刻的需求,不斷提高汽車空調系統的安全性可靠性及燃油經濟性。