BMS (Battery Management System)電池管理系統主要分為兩部分,第一部分是前端模擬測量保護電路 (AFE),包括電池電壓轉換與量測電路、電池平衡驅動電路、開關驅動電路、電流量測、通訊電路;第二部分是后端數據處理模塊,就是依據電壓、電流、溫度等前端計算,并將必要的信息通過通信接口回傳給系統做出控制。
因此,透過BMS能準確量測電池組使用狀況,保護電池不至于過度充放電,平衡電池組中每一顆電池的電量,以及分析計算電池組的電量并轉換為駕駛可理解的續航力信息,確保動力電池可安全運作。電池管理系統廣泛應用于電動工具,電動自行車,電動汽車,儲能電站,UPS等產品的電池中,預測2013年至2015年全球BMS市場產值成長幅度將大幅躍升至25%~35%。針對這一市場趨勢,大聯大控股世平推出ADI、ON Semi 、TI 電池管理系統方案。
一、ADI全隔離式鋰離子電池監控和保護系統
1. 方案特點
鋰離子電池組包含大量的電池單元,必須正確監控才能提高電池效率,延長電池壽命確保安全性。方案中的 6 通道 AD7280A 器件充當主監控器,向系統演示平臺評估板提供精確的電壓測量數據,而 6 通道 AD8280 器件充當副監控器和保護系統。
AD8280 是一款用于鋰離子電池組的純硬聯機安全監控器,配合 AD7280A 使用時,可提供具有可調閾值檢測和共享或單獨報警輸出的低成本、冗余、備用電池監控器。它具有自測功能,因此適合混合動力電動汽車等高可靠性應用或者不間斷電源等高壓工業應用。AD7280A 和 AD8280 均從監控的電池單元獲得電源。
ADuM5404集成一個DC-DC轉換器,用于向ADuM1201和ADuM1401隔離器的高壓端供電,以及向AD7280ASPI接口提供VDRIVE電源。這些4信道、磁性隔離電路是安全、可靠、易用的光耦合器替代解決方案。

圖1 方案框圖
[page]
2. 芯片參數:
2.1 ADI AD7280A 參數
單顆處理 4 - 6 s 前端
12 Bit ADC 采樣,平均每信道采樣時間 1 us
能夠對 6 個信道的電壓和溫度進行監測,典型
精度達 ±1.6 mV (典型值)
多個 AD7280A 可采用菊花鏈連接,單個電路
板最多可監控 48 個電池單元,轉換只需 7 μs
提供被動式電池單元平衡控制功能
轉換模式下功耗小于 6 mA
斷電模式下功耗小于 1.8 uA
SPI 通信提供 CRC 校驗保證數據的可靠性
2.2 ADI AD8280 參數
電壓范圍:6.0 V – 30 V
多路輸入可監控 3 - 6 路電池電壓和 2 個溫度
可調監控閥值:過壓、欠壓、過溫
報警選項:單獨或者共享報警
可通過菊花鏈方式連接
二、ON Semi 電池監護方案

圖2 ON Semi 電池監護方案
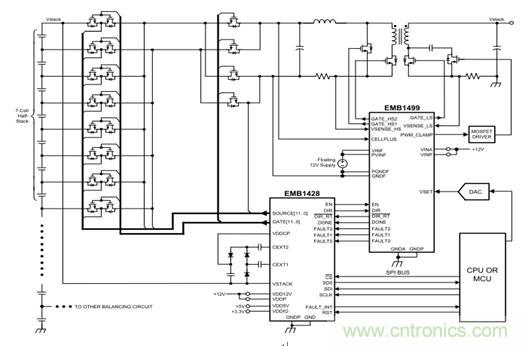
三、TI推出電池主動式均衡負載技術
1.方案特點
TI推薦電動車所采用的主動均衡方式:每個電池芯藉由矩陣開關控制變壓器與充電線路的組合,形成一個有調整功能的電壓/電流「蓄水池」的功能,當電池芯由于多次充放電后產生不一致性而導致整組電池充放電容量下降,可藉由后端連接蓄水池的線路做調整,充電時不會因為監控到某個電池芯內壓過高而停止充電,放電時也可以完全的100%的釋放能源,進而延長電動車的行駛距離。
TI在隔離式DC-DC主動均衡技術的能源轉換效率高達87%。像EM1410芯片組由5顆核心芯片加上5顆電源供應芯片所組成,其中最主要的EMB1432為十四信道AFE芯片、EMB1428為七信道閘控制器芯片,與EMB1499為七信道電壓控制芯片等,來建構十四通道雙向主動式電池芯均衡功能,串聯14顆電池芯與最高60V工作電壓,提供5V雙向均衡電壓與最大750V堆棧輸出電壓能力,并滿足AECQ-100車用電子驗證標準。

圖3 方案特點
2.芯片參數:
2.1 EMB1432Q
單顆處理 14S前端模擬;最高輸入耐壓60V;輸出電壓誤差為+/- 1mV;SPI 通訊支持1MHz;符合ACE-Q100汽車規范。
2.2 EMB1428Q
最高輸入耐壓60V;SPI 通訊支持1MHz;最低待機功耗(<100uA);符合ACE-Q100汽車規范。
2.3 EMB1499Q
最高輸入耐壓60V;SPI 通訊支持1MHz;最低待機功耗(<30uA);符合ACE-Q100汽車規范 。
相關閱讀:
電動汽車電池管理系統硬件設計技術
http://m.shuilikongzhifa.com/power-art/80015809
ADI成功突破數字電源障礙推出ADP1055
http://m.shuilikongzhifa.com/power-art/80022576
TI推兩款實現最高能源效率與最低待機功耗的反激式電源方案
http://m.shuilikongzhifa.com/power-art/80022556






