【導讀】開關穩壓電源的電路設計方法不只一種,這里為大家介紹一種自激反饋開關穩壓電源電路設計,該開關穩壓電源電路設計有別于其他的普通開關電源設計,到底有什么好的優點呢?請看下文詳細的自激反饋開關穩壓電源電路設計。
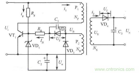
自激反饋開關穩壓電源基本原理如圖所示。當加上輸入電壓時,電流經Rg流向開關管VTl的基極,使VTl導通,此時變壓器副邊的二極管反向偏置,無電流流過,于是VTl集電極電流和變壓器繞組Np中流動的電流相等。由于是從零啟動,因此基極電流不大就能使VTl導通。

發布時間:2014-07-05 責任編輯:sherryyu

我愛方案網 ICGOO元器件商城 創芯在線檢測 芯片查詢 天天IC網 電子產品世界 無線通信模塊 控制工程網 電子開發網 電子技術應用 與非網 世紀電源網 21ic電子技術資料下載 電源網 電子發燒友網 中電網 中國工業電器網 連接器 礦山設備網 工博士 智慧農業 工業路由器 天工網 乾坤芯 電子元器件采購網 亞馬遜KOL 聚合物鋰電池 工業自動化設備 企業查詢 工業路由器 元器件商城 連接器 USB中文網 今日招標網 塑料機械網 農業機械 中國IT產經新聞網 高低溫試驗箱
關閉
關閉