【導讀】移相全橋變換器能夠有效地減少功率管的開關電壓、電流應力和尖刺干擾,降低損耗,提高開關頻率。那么如何設計以UC3875為核心,基于PWM軟開關模式的開關電源呢?
主電路分析
這款軟開關電源采用了全橋變換器結構,使用MOSFET作為開關管來使用,參數為1000V/24A。采用移相ZVZCSPWM控制,即超前臂開關管實現ZVS、滯后臂開關管實現ZCS。電路結構簡圖如圖1,VT1~VT4是全橋變換器的四只MOSFET開關管,VD1、VD2分別是超前臂開關管VT1、VT2的反并超快恢復二極管,C1、C2分別是為了實現VTl、VT2的ZVS設置的高頻電容,VD3、VD4是反向電流阻斷二極管,用來實現滯后臂VT3、VT4的ZCS,Llk為變壓器漏感,Cb為阻斷電容,T為主變壓器,副邊由VD5~VD8構成的高頻整流電路以及Lf、C3、C4等濾波器件組成。

圖1:1.2kw軟開關直流電源電路結構簡圖
其基本工作原理如下:
當開關管VT1、VT4或VT2、VT3同時導通時,電路工作情況與全橋變換器的硬開關工作模式情況一樣,主變壓器原邊向負載提供能量。通過移相控制,在關斷VT1時并不馬上關斷VT4,而是根據輸出反饋信號決定移相角,經過一定時間后再關斷VT4,在關斷VT1之前,由于VT1導通,其并聯電容C1上電壓等于VT1的導通壓降,理想狀況下其值為零,當關斷VT1時刻,C1開始充電,由于電容電壓不能突變,因此,VT1即是零電壓關斷。
由于變壓器漏感L1k以及副邊整流濾波電感的作用,VT1關斷后,原邊電流不能突變,繼續給Cb充電,同時C2也通過原邊放電,當C2電壓降到零后,VD2自然導通,這時開通VT2,則VT2即是零電壓開通。當C1充滿電、C2放電完畢后,由于VD2是導通的,此時加在變壓器原邊繞組和漏感上的電壓為阻斷電容Cb兩端電壓,原邊電流開始減小,但繼續給Cb充電,直到原邊電流為零,這時由于VD4的阻斷作用,電容Cb不能通過VT2、VT4、VD4進行放電,Cb兩端電壓維持不變,這時流過VT4電流為零,關斷VT4即是零電流關斷。
關斷VT4以后,經過預先設置的死區時間后開通VT3,由于電壓器漏感的存在,原邊電流不能突變,因此VT3即是零電流開通。VT2、VT3同時導通后原邊向負載提供能量,一定時間后關斷VT2。由于C2的存在,VT2是零電壓關斷,如同前面分析,原邊電流這時不能突變,C1經過VD3、VT3。Cb放電完畢后,VD1自然導通,此時開通VT1即是零電壓開通,由于VD3的阻斷,原邊電流降為零以后,關斷VT3,則VT3即是零電流關斷,經過預選設置好的死區時間延遲后開通VT4,由于變壓器漏感及副邊濾波電感的作用,原邊電流不能突變,VT4即是零電流開通。
ZVZCS PWM全橋變換器拓撲的理想工作波形如圖2所示,其中Uab表示主電路圖3中a、b兩點之間的電壓,ip為變壓器T原邊電流,Ucb為阻斷電容Ub上的電壓,Urect是副邊整流后的電壓。

圖2:理想工作波形
UC3875的主控制回路設計
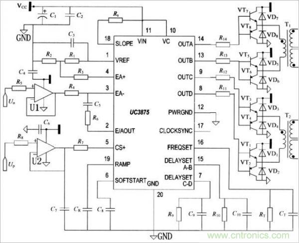
為了實現主回路開關管ZVZCS軟開關,采用UC3875為其設計了PWM移相控制電路,如圖3所示。考慮到所選MOSFET功率比較大,對芯片的四個輸出驅動信號進行了功率放大,再經高頻脈沖變壓器T1、T2隔離,最后經過驅動電路驅動MOSFET開關管。

圖3:PWM移相控制電路
整個控制系統所有供電均用同一個15V直流電源,實驗中設置開關頻率為70kHz,死區時間設置為1.5μs,采用簡單的電壓控制模式,電源輸出直流電壓通過采樣電路、光電隔離電路后形成控制信號,輸入到UC3875誤差放大器的EA,控制UC3875誤差放大器的輸出,從而控制芯片四個輸出之間的移相角大小,使電源能夠穩定工作,圖中R6、C5接在EA和E/AOUT之間構成PI控制。在本設計中把CS+端用作故障保護電路,當發生輸出過壓、輸出過流、高頻變原邊過流、開關管過熱等故障時,通過一定的轉換電路,把故障信號轉換為高于2.5V的電壓接到CS+端,使UC3875四個輸出驅動信號全為低電平,對電路實現保護。
圖4是開關管的驅動電路。隔離變壓器的設計采用AP法,變比為1:1.3的三繞組變壓器。UC3875輸出的單極性脈沖經過放大電路、隔離電路和驅動電路后形成+12V/一5V的雙極性驅動脈沖,保證開關管的穩定開通和關斷。

圖4 開關管的驅動電路
[page]
仿真與實驗結果分析
PSpice是一款功能強大的電路分析軟件,對開關頻率70kHz的ZVZCS軟開關電源的仿真是在PSpice9.1平臺上進行的。實驗樣機的主回路結構采用圖1所示的電路拓撲,阻斷二極管采用超快恢復大功率二極管RHRG30120,其反向恢復時間在100ns以內,滿足70kHz開關頻率的要求。開關管MOSFET采用IXYS公司的IXFK24N100開關管,這種型號MOS管自身反并有超快恢復二極管,其反向恢復時間約250ns。
圖5是超前橋臂開關管驅動電壓與管壓降波形圖,(a)為仿真波形、(b)為實驗波形,可見超前臂開關管完全實現了ZVS開通,VT1、VT2關斷時是依賴其自身很小的結電容來實現的,從圖中可以看出,關斷時也基本實現了ZVS關斷。

圖5 超前橋臂開關管驅動電壓與管壓降波形圖

圖6 滯后橋臂開關管驅動電壓與電流波形圖
圖6是滯后橋臂開關管驅動電壓與電流波形圖,(a)為仿真波形、(b)為實驗波形;
圖7是滯后橋臂開關管管壓降與電流波形圖,(a)為仿真波形、(b)為實驗波形。

圖7 滯后橋臂開關管VT3和VT4實現ZCS關斷
從圖6、圖7可以看出滯后臂開關管VT3、VT4很好地實現了ZCS關斷,關斷時開關管電流已經為零。滯后臂開關管完全開通之前,開關管電流也幾乎為零,基本實現了ZCS開通。而且滯后橋臂開關管VT3、VT4可以在很大負載范圍內實現ZCS開關。
圖8是兩橋臂中點之間的電壓Uab的波形圖,(a)為仿真波形、(b)為實驗波形。

圖8 Uab的波形
圖9是阻斷電容Cb上的電壓U曲波形,(a)為仿真波形、(b)為實驗波形。

圖9 Ucb的波形
從上圖可以看出,由于有Ucb的存在,Uab不是一個方波。當Uab=0時,阻斷電容Cb上的電壓Ucb使原邊電流ip逐漸減小到零,由于阻斷二極管的阻斷作用,ip不能反向流動,從而實現了滯后橋臂的ZCS開關。
由此可見,采用UC3875作為核心控制器件的好處是結構簡單、性能可靠。并且主電路的開關管全部實現了軟開關,同時還避免了ZVS以及ZCS模式當中常見的一些錯誤。能夠顯著的減少在開關過程當中開關管發生的損耗,進而提高開關頻率,減少電源的體積并減輕重量。
相關閱讀:
雙晶體管 正激有源鉗位軟開關電源的設計
電源設計必看:開關電源設計經典問答
僅需三步,教你輕松搞定開關電源設計



