【導讀】在200到600W的電源應用中,LLC拓撲相當普及,特別是在高能效開關電源的設計方案中。本次設計方案采用電流控制模式的LLCAC-DC控制IC,能夠簡化電路布局,減少外部元件數量,跳周期的模式提升了輕載能效,提升了系統的可靠性,在一體化電腦、大屏幕電視等大功率電源系統應用中,能夠實現超低待機功耗,以及輕載和滿載。
傳統電壓模式LLC的限制
傳統的電壓模式LLC控制器是通過次級穩壓器改變壓控振蕩器(VCO)頻率,從而實現穩壓。由于沒有直接連接到初級端電流,所以需要添加額外的電路系統以提供過載及短路保護。當輸出產生瞬態變化(如由空載轉至滿載)時,瞬態響應會比較慢。而且,LLC啟動行為受諧振回路的元器件、實際的諧振電容電壓、啟動階段的輸出電壓、啟動大電流電壓和初始導通時間等初始條件影響,在所有條件下避免硬開關是不太容易的。當應用進入待機模式時,為降低待機能耗,系統會關閉PFC及LLC,但同時需要系統里有輔助電源來維持MCU及周邊元器件待機時的最低工作條件,增加了系統成本。
電流模式LLC的優勢
相同條件下,電流模式LLC可提供比傳統電壓模式LLC高得多的fo,從這波特圖可以看出。

圖1.波特圖
因此,在動態負載響應方面,電流模式LLC比電壓模式LLC提供更低壓降、更低過沖(overshoot)和更快穩定響應;在線形紋波抑制方面,電流模式LLC控制抑制線性紋波比VCOLLC好5倍,其與Vbulk有關的Vout紋波甚至可以忽略不計;在線形瞬態方面,電流模式LLC控制提供較VCOLLC控制小10倍的過沖和小10倍的壓降。
NCP1399應用原理及電流模式控制算法
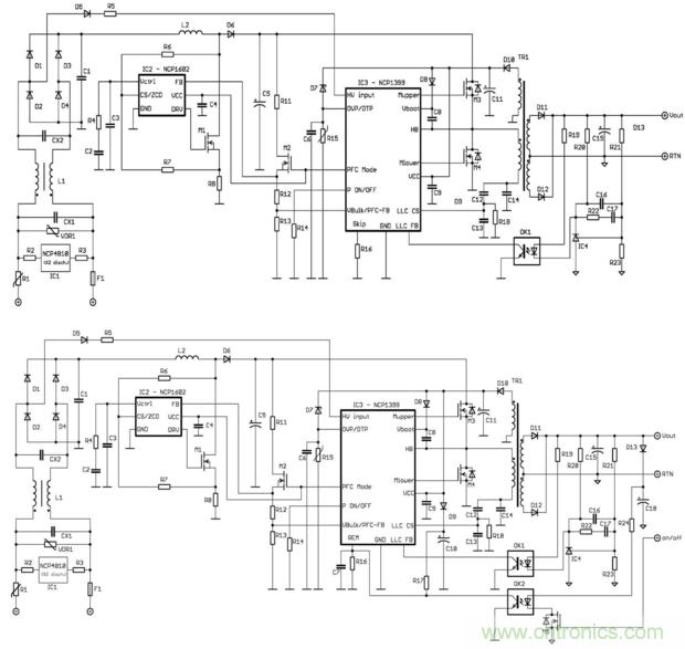
NCP1399有ActiveOFF關斷模式(NCP1399Ax)和ActiveON關斷模式(NCP1399Bx)兩個版本。如圖2所示,兩個版本均采用業界首款6引腳PFC控制器NCP1602,與NCP1399配合成為完整的LLC方案。PFC運行由NCP1399經由VCC控制,PFCFB和LLCBO的電阻分壓是共享的,這共享也是可關斷的。NCP1399Ax采用”Skip”引腳調整進入跳周期模式的負載狀態,及偵察到FB電壓低于VB_remote_off時進入關斷模式;NCP1399Bx則采用內部設定的“跳周期模式”閾值電平(IC內部可編程),及運用獨立的光耦制REM引腳而進入關斷模式。

圖2.NCP1399典型應用原理圖(上:A版本;下:B版本)
由于諧振電容集成初級電流(Iprimary),所以Vcs電壓與初級電流成正比,而在關斷期間,Vcs電壓有正或負斜率,再者,關斷時的Vcs電壓幾乎是線性地依賴于負載電流,而Vcs關斷電壓曲線隨Vbulk變化,故可通過Vcs與初級電流的關系以及Vcs分壓實現電流模式LLC控制。具體控制算法為:1)通過Vcs分壓信號取得正諧振電容斜率;2)偏移加至Vcs分壓信號,以避免輕載時光耦飽和;3)根據FB引腳電壓和Vcs電壓斜率(反映通過初級電流的線路和負載條件)通過系統自動調節Mupper導通時間;4)然后同樣的導通時間被復制用于MlowerMOSFET,確保完美對稱的直流。

圖3.電流模式控制原理
[page]NCP1399如何實現高能效及超低待機能耗
自動調節死區時間(DeadTime,DT)
DT期的作用在于避免功率MOSFET的交叉導通,從而防止過電流對系統的損毀。固定的DT期通常用于使能諧振轉換器,但由于勵磁電流隨線性和負載條件變化,采用固定的DT期不能確保最佳的運行條件。NCP1399采用專有方式,當檢測到零電壓開關(ZVS)轉換,dV/dt傳感器監測HB引腳斜率,并提供邏輯信號,從而根據諧振回路參數優化調節DT。
跳周期模式
由于初級端MOSFET的ZVS和次級端整流器的ZCS(零電流開關),LLC諧振轉換器可在中度負載和滿載時達到最高能效。但在輕載和空載條件下,如果采用普通的頻率調制控制技術會產生不小的能耗。NCP1399采用專有的跳周期模式技術,盡可能地提升輕載能效并降低噪聲。它基于FB引腳電壓電平執行跳周期模式,跳周期比較器將FB引腳電壓和預選值進行比較,當VFB降至低于預選跳周期水平,IC經由專用關斷序列進入跳周期模式。在這種運行模式下,IC功耗降低,PFC段及使用PFC模式引腳的BO/PFCFB高壓分壓器可被禁用,由于NCP1399總是以特定的方式進入跳周期模式,這運行總是被Mlower驅動脈沖以導通時間等于Fmax的3/2時(或最后一個Mupper脈沖的3/2)結束,因此諧振電容電壓保持為Vbulk*1/4,從而降低開關損耗。當FB引腳電壓內部增加預選滯后,IC回到正常運行模式,Mlower的第一個脈沖被延長,對自舉(bootstrap)電容進行再充電,并激勵諧振回路以準備ZVS條件用于后續的Mupper導通進程,接下來的Mlower脈沖基于導通時間CMP信號而被延長。

圖4.進入跳周期模式及從跳周期模式回到正常模式
PFC導通/關斷功能
PFC導通/關斷功能基于FB引腳電壓監測來完成。PFC預設的計時器(Timer)用來克服瞬態期間的問題,三態輸出控制PFCFB/LLCBrown-Out(BO)分壓器和PFCVCC。這PFC導通/關斷功能在跳周期模式可降低輕載能耗。
NCP1399專有的控制提供強固的保護
1.專有啟動序列
在諧振開關電源應用中可能會出現硬開關啟動。NCP1399使用特定啟動方案,確保在
任何啟動條件下的穩固的、無硬開關的啟動。NCP1399使用軟啟動計數器和D/A轉換器,實現數字非線性軟啟動序列。
2.過載保護
過載保護通過FB引腳電壓檢測實現。導通時間比較器定義了比較值以控制導通時間。
當使用NCP1399發生次級短路時,FB引腳電壓上升,當FB引腳電壓達到最大值時,故障計時器/計數器啟動,控制器禁用驅動脈沖并進入保護模式。
3.內置可編程功能
NCP1399內置許多可編程功能,包括:空載期鉗位和故障選項、TSD閾值、使用可調
節的閾值選擇Remote和關斷模式、VCC導通/關斷閾值、CS偏置和斜率補償增益、提供CSLEB、跳周期模式的內外閾值、故障計時器/計數器及其持續時間—包括自動恢復計時器、累積或非累積選擇、OTP/OVP閂鎖或自動恢復選擇、BO選擇(IBO,VBO,跳周期期間功能)、最大導通時間故障檢測(導通時間和閂鎖/自動恢復)、啟動序列的第1個Mupper和Mlower脈沖寬度、軟啟動增量影響軟啟動持續時間、PON/OFF功能的激活和滯后以及計時器功能等,可在不同應用中根據具體情況將參數進行適當調整和優化,提供了設計靈活性并加快產品上市。
評估板能效測試
下圖顯示,當輸入電壓為110V和230V,輸出電流在0-20A范圍內時,NCP1399的能效高達90%以上。

圖5.評估板能效測試圖
結語
安森美半導體推出的LLCAC-DC控制器NCP1399采用電流模式控制,突破電壓模式控制的諸多限制,具有更瞬速的動態反應,提供更高的輕載及平均能效,并且無需輔助電源就能實現待機模式的超低待機能耗,從而降低成本,它采用可靠的開機啟動模式,并集成過載保護、過流保護以避免硬開關,以及欠壓檢測、開路光耦檢測、自動DT調節、過壓保護和過溫保護等一系列保護特性,保證系統可靠性。設計師還可利用NCP1399內置的可編程功能,根據具體應用對參數進行調整和優化,為大屏電視、一體化電腦等大功率應用設計出高能效、超低待機能耗的電源系統。
相關閱讀:
詳解:高效、安全的LED恒流驅動大功率電源設計
LED開關電源設計如何完美布局PCB元件?
TI精講:解析可穿戴設備電源設計的關鍵點



