【導讀】正至負轉換 (反相輸出) 廣泛地使用在 LCD 器件、OLED 顯示器、音頻放大器、工業機械、半導體制造工藝控制設備、測量工具、測試系統、LED 驅動器和電池充電器中。許多此類應用需要高功率級和擴展的輸入電壓范圍,而這正是 LTC3896 正至負控制器的兩個固有特性。這款控制器因其能夠處理非常高的輸入和輸出電壓 (總電壓應力可達 150V)、能夠驅動標準級 MOSFET 并具有 40μA (在停機模式中則為 10μA) 的低工作靜態電流而特別適合汽車應用。
寬的 7V~72V 輸入至 –12V/5A 輸出
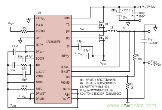
圖 1 示出了一款基于 LTC3896 的正至負轉換器。該解決方案從一個 7V 至 72V 輸入電壓范圍提供 –12V/5A 輸出。在汽車市場中,LTC3896 處理高輸入電壓的能力免除了增設龐大和昂貴電壓抑制器的需要,而低的最小輸入電壓即使在冷車發動情況下也能保持敏感系統正常運行。

圖 1:–12V 輸出轉換器 (U1) 在 7V 至 72V 輸入電壓范圍內提供 5A 至負載。注意控制信號 RUN、PGOOD 和 PLLIN 是參考于 GND
該轉換器的功率鏈由 MOSFET Q1、Q2 和電感器 L1 組成。輸出濾波器基于陶瓷電容器
U1 的
引腳連接至 GND,在該引腳上產生一個 12V 電位 (相對于
)。如果需要一個電源良好信號,則應使用一個參考于 GND 的外部電壓源。LTC3896 的控制和接口信號 (包括 RUN、PGOOD 和 PLLIN) 參考于系統 GND,以免除在處理器控制型系統中增設電平移位器之需。
在產品手冊 [1] 中詳細說明了計算 LTC3896 周圍組件之電壓和電流應力的指引。對于基本評估,可采用下面的公式來計算占空比 (D)、平均電感器電流
和 MOSFET 電壓應力

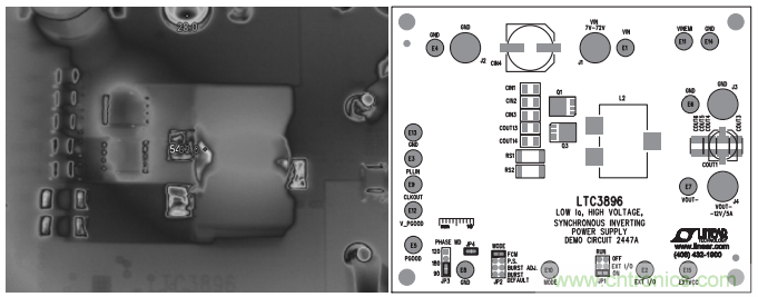
演示電路 DC2447A [2] 說明了 LTC3896 的通用性。設計師能測試該控制器的眾多功能,包括同步至一個外部時鐘、使用一個外部線性穩壓器來減小高輸出電壓條件下 IC 上熱應力的能力、以及用于產生 –5V 或 –3.3V 輸出的簡易型解決方案。
圖 2 示出了各種不同輸入電壓下的效率。圖 3 給出了轉換器處于工作狀態時的熱像圖。

圖 2:圖 1 所示電路的效率曲線。輸出電壓為 –12V,最大負載電流為 5A。

圖 3:DC2447A 的熱像圖是在 36V 輸入電壓、–12V/5A 輸出條件下拍攝的。在右側給出的是該演示板的裝配圖。
結論
LTC3896 是一款高度集成的控制器,專為正至負轉換而設計。基于該控制器的解決方案具有高效率和極低的靜態電流,這一點對于電池供電式系統是很重要。另外,這款器件還高度通用,擁有可編程頻率、150V 的寬輸入電壓范圍和至 –60V 的輸出電壓。它利用參考于主機地的控制信號簡化了汽車和工業電源的設計。
推薦閱讀:


