【導讀】UPS電源的工作過程多且時間長,往往需要動用多臺示波器和高壓差分探頭同時測試,記錄數據也相對比較麻煩,今天給大家推薦一種新的測試方法,“傻瓜式”操作,測試時間節省80%!
一、前言
在研發和測試時,你是否有過這樣糟糕的體驗:想一次查看四路以上的信號波形但目前示波器一般最多只有四個通道;接線時頭疼測量通道間不隔離,混合接線時一不小心就燒壞探頭或示波器;受存儲限制,測試時需要不停地進行開始、停止、保存,最后再逐個打開查看;如此等等。現在有一臺機器可以徹底解決此類煩惱,讓你享受流暢的測試流程,下面是一次極度流暢的UPS電源測試實錄。
二、接線
YD/T 1095-2018主要規定的電氣參數分為功率和響應兩類,為保隔壁PA功率分析儀組的飯碗,這里就不越俎代庖去測功率參數了,此次主要看UPS響應時間。被測的是單相UPS,要看其工作過程,除了輸入和輸出的電壓電流,還需要看內部電池的電壓和電流,所以我腦子的接線是這樣的:

一共需要測量六路波形信號,示波器是無能為力了,及時祭出此次測試的另一個主角ZDL6000,最高支持16通道測量。找來三把電流鉗和三個電壓探頭,鉗子和探頭找到對應位置隨便接上,只需確保測試點間不短路,上電后發現接錯接反了調換過來就行了,不需要費心管什么火線零線、正極負極或共地什么的。用示波器還得小心翼翼,ZDL6000的通道隔離就是可以這么任性!
三、測試
UPS響應時間的測試,主要是在開機狀態下,輸入(電網)和輸出(負載)端的切入和切出。由于ZDL6000具備硬盤容量級別的記錄空間,測試時無需每項內容都重復設置觸發、啟動捕獲和命名保存捕捉的數據。設置好ZDL6000開啟硬盤記錄后,就可以開始測試。整個過程就像有一個攝像機不停機持續跟拍,沒有導演喊停,所有表演均完整記錄下來,不滿意自己隨時重來,完成了就停機。所以按按開關測試就完成了,非常省事,不是一般的流暢。
四、結果分析
大家最期待的測試結果出來了,下面點點回放,看看會有什么發現。
首先是本次測試數據的全貌:

從上到下分別是輸入端電壓電流、電池電壓電流和負載端電壓電流。整個過程持續60分鐘,期間大段大段無變化的部分就是小編忙別的去了。
定位到波形最前面,可以從上電和輸出時間看出開機時間需要3.4秒時間。此時UPS工作在旁路模式,輸出電壓與輸入電壓波形一致。

開機一段時間后,在旁路模式下接入負載,測量點電壓只有短暫跌落,之后馬上回復正常,這應該是回路阻抗在瞬間大電流下分壓導致的。從負載電流波形我們還可以看出,負載先是全橋整流啟動輔助電源,然后才啟動帶功率因數校正的主電源。

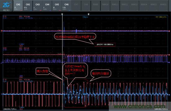
接下來是最關鍵的參數:旁路模式到逆變模式的切換時間,標準要求這個時間必須在10ms以下。如果時間太慢,工作電器有可能會停機,UPS就沒有意義了。從下圖實測波形分析看,被測UPS是滿足標準要求的,電壓上升也較快,只是這輸出的波形真的如用戶手冊寫的一樣是準方波,這應該是最低端的型號了吧。諧波含量之類的參數就不要奢求了,如果想看看頻譜分布,可以打開機器數學運算或FFT的頻譜分析功能查看。

逆變時輸出的方波導致很抖的電流尖峰,對工作電器和周邊電磁環境很不利。最直接的體驗就是電流噪聲特別大,且帶載越大噪聲越大。如果用聲壓計測量,應該會超出YD/T 1095-2018標準。
在逆變模式下切入負載,電壓波動比工作模式切換時更大,穩定時間也更長,此UPS控制部分有待改進。負載切入波形如下圖:

從圖中看,電壓上升時間慢可能會導致已接入電器電壓過低而停機,因此用此UPS最后不要在逆變模式下再增大負載,不然自身不保。
那么從逆變模式切回旁路模式需要多久時間呢?同樣地,閉合電網的輸入開關模擬恢復供電,我們可以看到如下波形圖:

該UPS結果了11秒后才切回旁路模式,從動作時間看相當慢。不排除廠家故意這樣設計,用來避免供電恢復初期電網不穩定帶來的影響。這樣雖然對負載沒有額外的影響,但符合標準要求嗎?
由于測試前未給UPS充滿電,無法測試其實際放電時間,最后只能切斷電網打開負載讓其工作到終止輸出了。當前不清楚電量能撐多久,ZDL6000的大容量記錄功能又給我省了不少麻煩,同樣只需按好開關放一邊靜待結束,不用擔心電沒放完存儲空間沒了,重要數據沒記下來而又得加班重測的窘況。結束放電波形圖如下:

可以看出,在放電時間的末段,隨著電池電壓的降低,方波占空比越來越大,直至最后電池電壓過低保護而關閉輸出了。
細心的讀者可能會拿第一張波形概覽圖來懟我:最后不是電池終止放電的波形啊?!的確,為了避免中途出錯而要事后再次接線重測,小編在完成一個測試流程后,又重復了一次,確保有足夠的素材完成此文。這也再次展示了ZDL6000大容量存儲的優勢:可以先多次測試收集海量數據,后期再進行數據分析。
五、后記
用ZDL6000測試,最深的體驗就是:隔離多通道讓人省心,超大存儲讓人省力。所以整個過程是省心又省力。在不追求超高帶寬和超高采樣率的測試場合,ZDL6000是不二選擇,而且它還能提供更高的精度和更多的通道!有了它,原來繁雜的測試流程就被簡化聚焦到最重要的數據分析上,極大地提高了工作效率。
此次測試采集的總數據量達幾十G字節,還有很多細節數據不在此一一披露。測試目的也純粹為了演示測試流程,所以不公布UPS型號及給出結論。如果大家對此次測試有任何疑問歡迎留言,或者期望看到哪些電力電子方面的測試也請留言,我們會盡量安排以滿足大家的好奇心的。
推薦閱讀:



