【導讀】隨著自動化設備機器人與工業驅動、工廠和自動化、高速3D打印機、辦公自動化、安防監控等各個領域的廣泛應用,產品更新迭代變得越來越快,市場對步進電機的要求也趨于苛刻,不僅要求低噪聲、運行平穩、高能效、高速度高扭矩,還要求具備小尺寸、低成本等特性。
對此,專注運動控制和驅動領域的半導體公司Trinamic推出了一款帶串行通信接口的高功率步進電機控制驅動芯片TMC5160, 將實現自動目標定位的靈活斜坡發生器和業界最先進的步進電機驅動器結合在一起。通過外置MOSFET,實現高動態、高扭矩電機驅動。Trinamic先進的spreadCycle和stealthChop斬波器、驅動器,可以絕對無噪音地運行,并實現最大效率和最佳電機扭矩控制。TMC5160的高集成度、高能效和小外形尺寸的特性,使系統小型化和性能可擴展變得可行,從而讓經濟、高效的解決方案得以實現。完整的解決方案在實現高性能基礎上,能將學習時間盡可能縮短,加快產品上市時間。

圖1:TMC5169有兩種封裝、高集成、高能效
Trinamic授權代理商——Excelpoint世健公司的高級產品經理葉虹介紹:“簡單易用和成本效益原則是Trinamic設計師在設計步進電機驅控芯片時的指導方針。TMC5160將強大的步進電機驅動器和運動控制器集成在一塊芯片上,將數字信息直接轉換為平滑、精確、可靠的物理運動,被廣泛地用于機器人、工業驅動、紡織、縫紉機、包裝、工廠和實驗室自動化、高速 3D 打印機、液體處理、醫療、辦公自動化、視頻監控、自動取款機和現金回收機等應用中。”
應用:高壓-多用途
TMC5160具有完整的運動控制功能、強大的外部MOSFET驅動和高質量的電流調節。它提供了多種用途,涵蓋了從電池供電的高效系統到20安培電機線圈電流的嵌入式應用。TMC5160包含驅動電機所需的全部功能,可配置為位置模式或速度模式,支持TRINAMICs獨有的stallGuard2, coolStep, dcStep, spreadCycle和stealthChop功能,優化了驅動器性能,平衡了速度和電機扭矩,優化能源效率、驅動平穩且無噪音。TMC 5160的集成度高、尺寸小、成本降低,可滿足小型化布板需求。芯片、控制板和軟件級別的廣泛支持,使競爭產品能夠縮短設計周期、快速上市。高能效和可靠性可簡化相關系統(如電源和冷卻系統)設計,并節約成本。TMC5130提供1.4A的電機電流,適合功率較小的應用,軟件與TMC5160兼容。
1.TMC5160針對單個步進電機的小型化設計

圖2:TMC5160針對單個步進電機的小型化設計
TMC5160 ABN編碼器接口和兩個參考開關輸入用于確保電機正確運動,編碼器有位置偏差時,可自動發出中斷。
2.TMC5160驅動多個步進電機的緊湊型設計

圖3:TMC5160驅動多個步進電機的緊湊型設計
上圖是驅動兩個步進電機的應用。每個電機帶一個ABN編碼器接口和兩個參考開關。如果運動電機不需要實時任務,可用一個CPU控制整個系統。CPU板和控制器/驅動器板之間的連接經濟且節省空間。
TMC5160運動控制和驅動芯片是CPU和大功率步進電機之間的智能功率接口器件。所有步進電機邏輯完全在TMC5160內,不需要軟件來控制電機——只需提供目標位置。TMC5160提供了許多獨特的增強功能,這些功能通過集成的控制驅動器得以實現。TMC5160的六點斜坡發生器自動使用stealthChop、dcStep、coolStep和stallGuard2,來優化每個電機的運動。TMC5160將TMC2100、TMC2130 和 TMC5130 系列擴展 到更高的電壓和更高的電機電流。
TMC5160提供三種基本操作模式:
模式1: 全功能運動控制和驅動器
所有步進電機邏輯完全在TMC5160內,不需要軟件來控制電機——只需提供目標位置。SD_ MODE接地使能此模式。

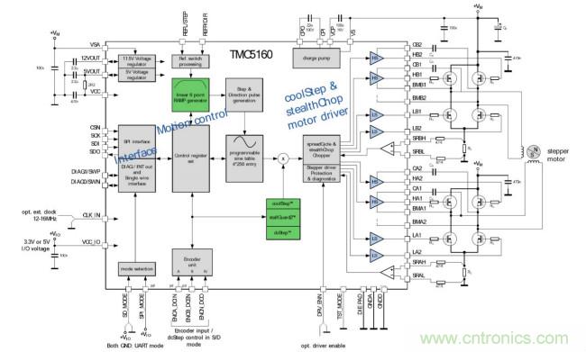
圖4:TMC5160基本應用框圖(運動控制器)
模式2: 脈沖和方向驅動器
像TMC 4361這樣的外部高性能S-ramp運動控制器或CPU產生與系統內其他部件(如電機)同步的脈沖和方向信號。TMC5160控制電流和運動模式,并反饋電機狀態。microPlyer自動平滑運動。SD _ MODE接高電平使能此模式。

圖5:TMC5160步進/方向模式應用框圖
模式3: 簡單的步進和方向驅動器
TMC5160根據步進和方向信號控制電機。microPlyer自動平滑運動。不需要CPU;配置由硬件引腳完成。靜止保持電流控制由TMC5160完成。可選的反饋信號作為錯誤檢測和同步標志的輸出。SPI_MODE 接地,SD_MOD接高電平使能此模式。

圖6:TMC5160獨立模式驅動器應用框圖
TMC 5160實現了Trinamic產品獨有的高級功能,有效提高了步進電機運行過程中的精度、能效、可靠性、平滑性和能耗。
推薦閱讀:





