【導讀】評估音箱檔次,聽覺感受是重要的一環,也就是俗稱的音質體驗。提升音質的方式方法很多,比如從電子電路下手提升音頻功放輸出功率,降低失真度;調整頻率響應以補償揚聲器或者腔體某些頻點的不足等等。
評估音箱檔次,聽覺感受是重要的一環,也就是俗稱的音質體驗。提升音質的方式方法很多,比如從電子電路下手提升音頻功放輸出功率,降低失真度;調整頻率響應以補償揚聲器或者腔體某些頻點的不足等等。而分頻是一種提升音質非常有效的方法。因為針對低頻,中頻,或者高頻這種相對頻帶較窄的揚聲器很好做,效果也很好。但20Hz~20kHz音頻全頻帶的揚聲器就較難做得好,或者需要成本很高的材料才能做出效果較好的全頻喇叭。采用2.1聲道組合屬于電子分頻的范疇,是提升音箱音質的一貫做法。便攜式藍牙音箱也一樣,做成移動2.1聲道音箱,也是提升音質效果的一種好辦法。尤其是震撼的低音聽覺體驗是雙聲道或者單喇叭很難比擬的。
深圳市永阜康科技有限公司推出基于CS8611E單芯片移動2.1聲道藍牙音箱解決方案。采用雙節鋰電池串聯8.4V做電源,再加一個升壓芯片CS5036E升壓到12V給CS8611E供電,實現20W+2×10W輸出;而充電采用CS5090E USB 5V輸入兩節鋰電池串聯8.4V充電管理芯片,非常方便。在鋰電池為電源的狀態下提供媲美傳統2.1音箱的聽覺體驗。
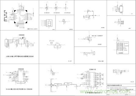
整體功能框圖如下:

一. 設計說明:
此方案是20W+2×10W移動2.1音頻放大升壓充電管理組合參考設計。電源是兩節串聯18650電池,分為三個主要級:
1,采用CS5090升壓型雙節鋰電充電IC,省掉傳統的外接適配器,用一根USB線實現給兩節鋰電充電;
CS5090E是一款USB_5V輸入用于兩節鋰電池串聯8.4V充電管理芯片。內置完整的涓流,恒流,恒壓充電過程。最大的特點是輸入自適應功能,任何大小電流的USB接口都可以正常充電,最大充電電流1.5A。另外,具備各種安全可靠的保護措施以及充電狀態指示,還帶了NTC溫度控制功能。
CS5090E腳位圖以及管腳說明

2,兩節鋰電池串聯8.4V做電源,通過升壓芯片CS5036E升壓到12V給功放IC供電;
CS5036E是一款內置12A,MOS高效DC-DC升壓轉換芯片。外圍極其簡潔,輸入電壓范圍寬3V~12V,效率高達93%以上。限流值外圍可調,方便匹配電池。采用EQA16封裝,具備過溫保護,過壓保護等功能。
CS5036E腳位圖以及管腳說明

3,音頻功率放大芯片采用CS8611E,在12V電壓提供20W+2×10W功率輸出;
CS8611E是一款2×15W+30W專用2.1聲道D類音頻功率放大器。先進的EMI抑制技術使得在輸出端口采用廉價的磁珠濾波器就可以滿足EMC要求。再加上擴頻工作模式,FM收音機也獲得較理想的收臺效果。另外,高達90%以上的效率使得在播放音樂的時候不需要額外的散熱器。
CS8611E腳位圖以及管腳說明

二.CS5090E+CS5036E+CS8611E+AC6951C整體板原理圖

三.CS8611E _2.1聲道音頻功放部分原理圖

四. CS5090E+CS5036E+CS8611E+AC6951C整體板PCB頂層設計圖

五. CS5090E+CS5036E+CS8611E+AC6951C整體板PCB底層設計圖

六. CS5090E+CS5036E+CS8611E+AC6951C整體板貼片圖

七. CS5090E+CS5036E+CS8611E+AC6951C整體板物料清單

八. CS5090E+CS5036E+CS8611E+AC6951C整體板實物圖

免責聲明:本文為轉載文章,轉載此文目的在于傳遞更多信息,版權歸原作者所有。本文所用視頻、圖片、文字如涉及作品版權問題,請聯系小編進行處理。


