【導讀】在開關電源設計中,主功率有多個開關管時其驅動必須采用隔離設計,比如多管串聯反激、雙管正激、LLC等多開關管的拓撲中,開關管驅動均需要做隔離處理。當前市面上已經有較成熟的自舉驅動芯片來滿足設計需求,但是其驅動芯片的耐壓等級受限,最高電壓只能到600V左右。
背景介紹
在開關電源設計中,主功率有多個開關管時其驅動必須采用隔離設計,比如多管串聯反激、雙管正激、LLC等多開關管的拓撲中,開關管驅動均需要做隔離處理。當前市面上已經有較成熟的自舉驅動芯片來滿足設計需求,但是其驅動芯片的耐壓等級受限,最高電壓只能到600V左右。在更高輸入電壓等級的應用場合中,比如光伏電源、SVG輔助電源等輸入電壓達到1500V甚至更高的電源產品設計時,驅動芯片的方案就不再適用,只能選擇磁隔離變壓器驅動電路。因此磁隔離驅動電路的設計極其重要。

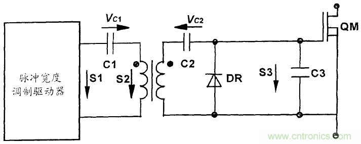
圖1 常用的磁隔離驅動電路
常用的磁隔離驅動方案
常用的磁隔離驅動電路如圖1所示。
其中,電容C1為輸入端直流隔離電容,C3為開關管QM等效的輸入電容。電容電壓的參考方向如圖1所示,T1為磁隔離驅動變壓器。S1是脈沖寬度調制驅動器(PWM Driver)的輸出信號波形,S2是變壓器輸入端的波形,S2是該磁隔離驅動器的輸出波形。圖1所示的電路工作波形如圖2所示。

圖2 磁隔離驅動波形示意圖
假設穩態時該驅動器的輸出信號S1的周期為T,占空比為,幅值為,同時假設變壓器T1的輸入輸出匝比為1,則穩態時輸入端直流隔離電容C1上的電壓為D·VS1。在S1為高電平時,S3也為高電平,其幅值為(VS1-VC1),即(1-D)·VS1。而在S1為低電平時,S3為負電平,其幅值為(-VC1),即D·VS1。
具體的推導過程如下:

由此可見,這種隔離驅動電路線路簡單,而且被驅動的MOS管有負向的驅動電壓,抗干擾能力強。但其有待改進之處在于,在占空比D較大時,S3的高電平幅值就較小,可能導致QM驅動電壓不足。這樣,這種驅動器電路不適合應用在占空比變化較大的場合,即輸入比范圍大的(1-D)·VS1應用條件下,圖1所示的驅動電路將不再適用。

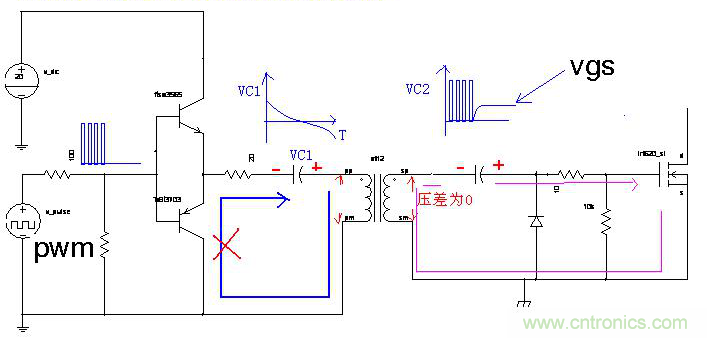
圖3 雙隔直磁隔離驅動電路
雙隔直磁隔離驅動電路
為了解決上述難點問題,需要在圖1所示的磁隔離驅動電路次級邊也添加隔直電容,如圖3所示。
相對圖1的磁隔離驅動電路而言,添加了次級的直流隔直電容C2和開關二極管DR。穩態時輸入端隔直電容C1上的電壓VC1=D·VS1,輸出端隔直電容C2上的VC2=D·VS1。其電壓參考方向如圖3所示。圖3電路的工作波形如圖4所示。可知,穩態后QM的電壓V3不隨占空比變化而改變,適合更寬范圍輸入條件的驅動設計。

圖4 雙隔直磁隔離驅動電路波形示意圖
但是圖3所示的電路在某些特殊狀態下,比如輸入端突然斷電或者負載突變過程中脈沖寬度調制驅動器的輸出信號會突然消失,即驅動信號S1將為0。隨后變壓器T1在輸入端隔直電容電壓(-DVs1)作用下逐漸進入飽和,同時C2上的電壓仍為DVs1,T1上的輸入輸出電壓幅值從DV1逐漸減小,此時QM上的電壓將從0開始逐漸增加,直到與C2上的電壓相等。其波形示意圖如圖5中紅色框所示。
由此可見,在特殊條件下QM會出現失控的驅動信號,該信號造成開關管誤導通,引發主功率變壓器飽和,導致產品炸機。

圖5 雙隔直磁隔離驅動電路誤導通波形示意圖
我司優化后的磁隔離驅動方案
為了解決圖3中雙隔直磁隔離驅動電路的誤導通問題,我司針對次級隔直電容C2做了特殊放電電路。如圖6所示,其中添加了原邊檢測電路和次級隔直電容放電電路,該電路為我司自主發明專利電路。通過高速光耦做信號隔離,有效解決主功率開關管誤導通的問題,改進后的驅動波形如圖7中2通道PWM波形所示,可以看出在驅動異常關閉狀態下,C2上的電壓迅速放電完成,開關管不會出現異常開通狀態。為我司超高超寬壓輸入系列產品提供高可靠的驅動,提升產品綜合競爭力。

6 改進后的雙隔直磁隔離驅動電路
總結
采用變壓器做的磁隔離驅動電路,如果只有原邊有隔直電容時,在占空比較大的條件下次級輸出電壓會降低,無法滿足開關管驅動的要求。當次級添加隔直電容后可以解決大占空比的問題,但是在異常條件下次級隔直電容放電會導致開關管異常導通,進而出現原邊飽和導致產品炸機。我司針對上述問題重點突破,添加次級隔直電容放電電路,使得磁隔離驅動電路不受占空比影響的同時完美解決異常條件下開關管異常導通的現象。該放電電路設計簡單、可靠,大幅提升產品可靠性。

圖7 改進后的雙隔直磁隔離驅動電路波形圖
免責聲明:本文為轉載文章,轉載此文目的在于傳遞更多信息,版權歸原作者所有。本文所用視頻、圖片、文字如涉及作品版權問題,請電話或者郵箱聯系小編進行侵刪。