【導讀】近年來,無線音箱在消費類音頻市場備受關注,其功能和應用多樣化的需求促使該行業快速增長,逐漸成為人們日常生活的習慣用品。無線音箱從是否便攜的角度可分類為非便攜式和便攜式兩大類,其主要區別在于是否為電池供電。
一般地,非便攜式無線音箱直接由電源設配器供電,功率等級可達數十瓦至數百瓦不等,而便攜式無線音箱由電池供電,輸出功率通常只有數瓦至數十瓦,且常帶有一個4Ω或8Ω的喇叭。為了同時滿足便攜性并為喇叭提供足夠的輸出功率,便攜式無線音箱通常配備2節可充電鋰離子電池,當輸出功率要求高于10W時,由于電池電壓不足以為后級的音頻功放提供足夠的功率,一般需要升壓電路將電池電壓升至12V~18V以滿足功率需求。圖1展示了典型的便攜式無線音箱供電系統示意圖。

圖1. 便攜式無線音箱供電系統示意圖
德州儀器最新推出了升壓變換器TPS61288,以優異的功率密度和整體方案尺寸領先于市場同類產品,價格也相當有競爭力,是無線音箱升壓變換器的理想方案,具有以下優勢:
● 寬輸入電壓范圍:2~18V,適用于不同種類或多串電池輸入。
● 支持最大18V輸出電壓,可滿足較大功率應用場景的音箱設計。
● 支持15A開關電流,輸出平均功率可達40W。
● 效率極高,且功耗極低:
○ 集成了內阻僅為6.5-mΩ / 8.5-mΩ的兩個功率管,在40W輸出功率下效率高達96.6%。
○ 靜態電流僅為120uA,關斷電流僅為2uA,較市面上其他升壓方案,可顯著延長無線音箱的續航時間。
● 整體方案尺寸小,設計簡單,成本低:
○ 芯片采用小尺寸的QFN封裝,僅為3mm×2.5mm,功率密度極高,如圖2所示。
○ 外圍電路簡單,元器件少,成本低。
● 支持Enable及軟起動功能,且可編程欠壓保護(UVLO),并具有完善的過壓、過流及熱保護,為整個系統提供多重保護。
● 采用TI專利的SOO(平滑開通/關斷時間控制)技術,支持輕載時PWM模式到PFM模式的無縫過渡,實現全負載下無電壓漂移,滿足嚴苛的輸出電壓精度要求,并能通過延長關斷時間toff來大幅提升輕載效率,如圖3所示。

圖2. TPS61288封裝示意圖

圖3. TPS61288 SOO 模式示意圖
圖4是TPS61288典型應用電路圖。

圖4. TPS61288典型應用電路圖
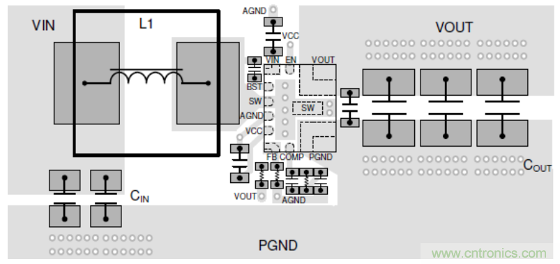
如圖5所示,TPS61288優化了管腳的位置,電壓輸入到輸出的器件布局更加簡潔清晰。以下是TPS61288 PCB Layout 介紹:
● 輸入電容應盡可能靠近VIN引腳和PGND引腳,并使用最短的走線連接。
● 為去除高頻率噪聲和改善EMI,可添加1nF小尺寸(例如0402或0201)的去耦電容,且必須用最短的線擺放在IC管腳附近。
● 注意走線要滿足最大電流,SW走線不要用多層連接,防止寄生電容造成開關瞬間的尖峰電壓過高。
● 將信號地與功率地分開布線,采用單點接地,或使用0歐電阻將信號地連接到功率地。
● PCB的 Bottom層建議鋪銅并設置為Ground,Top 層的PGND 和AGND則通過通孔與之連接。

圖5. TPS61288 PCB Layout 示例
推薦閱讀:




