【導讀】如果您使用適當的本地化 dc/dc 轉換器來生成 -5V 偏置,許多需要 65V 電源的低電流設備可以在單個 5V 電源環境中可靠地運行。通常,這些 5V IC 的功能和優勢遠遠超過額外的 -5V 轉換器功能帶來的輕微不便和增加的成本。許多公司生產各種額定功率和尺寸的 DC/DC 轉換器 IC 和模塊。
如果您使用適當的本地化 dc/dc 轉換器來生成 -5V 偏置,許多需要 65V 電源的低電流設備可以在單個 5V 電源環境中可靠地運行。通常,這些 5V IC 的功能和優勢遠遠超過額外的 -5V 轉換器功能帶來的輕微不便和增加的成本。許多公司生產各種額定功率和尺寸的 DC/DC 轉換器 IC 和模塊。然而,這些典型的 DC/DC 轉換器對于只需要負偏置電壓和低工作電流的簡單單芯片應用來說可能有點過分了。對于這些應用,典型的負電壓要求范圍為 -4 至 -6V,電源電流為 1mA,而對 -5V 電源的要求通常不重要。
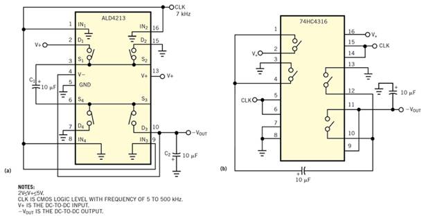
用于從正電源生成負直流電壓的傳統 dc/dc 轉換器模塊的低成本替代方案使用低成本四半導體模擬開關和板載系統時鐘(圖1a). 這種類型的電壓轉換器從 5V 輸入生成低功耗負偏置電壓。該電路模擬電荷泵 dc/dc 轉換器,適用于生成極性與輸入電壓相反的輸出電壓。與傳統轉換器一樣,還需要兩個電荷存儲電容器。與傳統的獨立 DC/DC 轉換器方法不同,該電路需要單個外部時鐘輸入來對開關進行接通和斷開排序,并且需要大約相同數量的印刷電路板空間。您可以從任何具有 5 至 500 kHz 信號的連續、規則周期的 5V 邏輯門輸出中獲取該時鐘。
圖 1使用帶有兩個外部電容器和外部時鐘的模擬開關是一種從 5V 輸入產生 25V 以滿足低功耗 ?5V 需求的可行方法。一種方法僅使用時鐘的一個相位 (a);第二種方法需要兩個階段(b)。
電荷泵轉換器的工作原理是先給一個電容器充電,然后使用開關電路交替將電荷轉移到另一個電容器。圖 1a 中的開關電路交替對 C 1和 C 2充電和放電,以從 5V 輸入生成 -5V 輸出。ALD4213 模擬開關內部的集成電平轉換器和邏輯門提供邏輯轉換,將單個 5V 輸入轉換為 ±5V 邏輯擺幅。
該電路在時鐘控制下閉合兩個開關 S 1和 S 4。在時鐘周期的前半部分,C 1充電至等于輸入電壓 V+ 的電壓。時鐘控制的下一個半周期打開 S 1和 S 4并關閉 S 2和 S 3。C 1現在通過 S 2和 S 3連接在 C 2兩端,C 1上的電荷隨后轉移到 C 2直到 C 1和 C 2兩端的電壓相等。注意 C 2上的“反轉”極性,這迫使 C 2上的輸出電壓為 V-,或與 V+ 相反。
每個后續時鐘周期再次以 S 1和 S 4的閉合開始,導致 C 1從先前的電壓充電至 V+。在許多重復的時鐘周期之后,C 2上的電壓保持充電到等于 V+ 的負值或接近它的值;它執行電壓逆變器的功能,通常稱為轉換器。
另一種基于模擬開關的轉換器使用具有電平轉換器的行業標準 74HC4316 四路模擬開關(圖 1b)。該電路類似于圖 1a 中的電路,但具有不同的引腳連接。該電路還需要時鐘的兩個相位。如有必要,您可以使用額外的反相邏輯門來生成兩個時鐘相位。推薦的輸入是一個邏輯時鐘,其有用頻率范圍為 5 至 500 kHz。
圖 1a 的單相設計在大批量生產時成本不到 1 美元。圖 1b 中電路的成本可以不到圖 1a 中電路成本的一半,前提是兩個時鐘相位都存在并且您不必添加外部邏輯門反相器。您還可以在定制 ASIC 中集成模擬開關逆變器和其他模擬功能;ALD4213 和 ALD500A 與公司的標準電池庫兼容。
免責聲明:本文為轉載文章,轉載此文目的在于傳遞更多信息,版權歸原作者所有。本文所用視頻、圖片、文字如涉及作品版權問題,請聯系小編進行處理。
推薦閱讀:




